
泵扬程由管网系统的安装和操作条件决定,计算前应首先绘制流程草图,平、立面布置图,计算出管线的长度、管径及管件型式和数量。
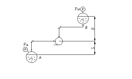
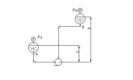
一般管网如下图所示,
D——排出几何高度,m;
取值:高于泵入口中心线:为正;低于泵入口中心线:为负;
S——吸入几何高度,m;
取值:高于泵入口中心线:为负;低于泵入口中心线:为正;
Pd、Ps——容器内操作压力,m液柱(表压);
取值:以表压正负为准
Hf1——直管阻力损失,m液柱;
Hf2——管件阻力损失,m液柱;
Hf3——进出口局部阻力损失,m液柱;
h ——泵的扬程,m液柱

h=D+S+hf1+hf2+h3+Pd-Ps

h= D-S+hf1+hf2+hf3+Pd-Ps

h= D+S+hf1+hf2+hf3+Pd-Ps
计算式中各参数符号的意义

某些工业管材的ε约值见下表
管网局部阻力计算
常用管件和阀件底局部阻力系数ζ

推荐资料(点击文字跳转):
知识点:泵扬程与流量的关系及计算
0人已收藏
0人已打赏
免费2人已点赞
分享
水处理
返回版块43.13 万条内容 · 1505 人订阅
阅读下一篇
生物除磷机理及影响因素污水生物除磷的原理就是人为创造生物超量除磷过程,实现可控的除磷效果。整个过程必须通过创造厌氧与好氧交替环节利用聚磷菌的作用来实现生物除磷过程。 一、聚磷菌除磷机理 聚磷菌也叫做摄磷菌、除磷菌,是传统活性污泥工艺中一类特殊的细菌,在好氧状态下能超量地将污水中的磷吸入体内,使体内的含磷量超过一般细菌体内的含磷量的数倍,这类细菌被广泛地用于生物除磷。
回帖成功
经验值 +10
全部回复(1 )
只看楼主 我来说两句 抢板凳资料不错,对于学习泵知识具有很好的参考作用,学习啦,谢谢楼主分享。
回复 举报