土木在线论坛 \ 建筑结构 \ 结构资料库 \ 静定结构之梁与刚架

静定结构之梁与刚架

发布于:2022-10-09 16:15:09 来自:建筑结构/结构资料库 [复制转发]
前言


结构力学任务之一是研究结构在受力状态下内力的情况,在上一章通过几何构造分析我们将结构分为静定结构与超静定结构,本着从易至难的原则,这一章探讨静定结构在荷载下的内力问题,静定结构包括静定梁、刚架、桁架、组合结构、拱等,本期着重讨论静定梁与刚架。


由静定结构的基本特性:在任意荷载下,静定结构的全部反力和内力均可依据静力平衡条件求得,静力平衡条件即在平面直角坐标系中,沿x、y轴方向力的平衡条件和平面内对某点的力矩的平衡条件共三个方程,对应于平面中每一个刚片的三个自由度x、y、θ;同理空间直角坐标系中可列六个方程,对应于空间中每一个刚片的六个自由度。


求解静定结构时,可根据解题需要对整体或某杆件或任一局部甚至某一点建立平衡方程求解,因为选取隔离体选择多,故解题的灵活性较大,因此不能盲目的列方程求解,否则很容易导致所列的多个方程线性相关,进而无法快速求解出未知量。故解题的关键是如何选取合理的隔离体,也就是“如何拆”原结构以建立方程。


基本内容

梁与刚架由受弯杆组成,杆件内力包括轴力、剪力、弯矩,内力分析的结果是画出各杆的N图、Q图、M图。

篇幅共分三块,必备基础知识、静定梁、静定刚架。

0 1
一、必备基础知识







1.三大静定单跨梁(简支梁、悬臂梁、一端定向支座一端可动铰支座的梁)分别在集中力、集中力偶、均布荷载下的内力图。
图片

集中力

图片

集中力偶

图片

均布荷载

左右滑动查看更多

图片

集中力

图片

集中力偶

图片

均布荷载

左右滑动查看更多

图片

集中力

图片

集中力偶

图片

均布荷载

(修改:剪力图右端竖标为ql)

左右滑动查看更多






2.整体法与隔离体法,其在解题中往往交替使用。

整体法即以整体为研究对象建立力的平衡方程,不再赘述。隔离体法中隔离体的选取与结构的几何构造特性有关,因为选取隔离体的过程就是取约束的过程,故与几何组成中加约束的过程相反,即“后搭的先拆”。例如,对多跨静定梁与刚架,先求解附属部分,后求解基本部分。对不分基本部分与附属部分的刚架,通常分析其几何构造,按两刚片或三刚片的组成去拆“刚片间的约束”,再列平衡方程。其中后者较为复杂,见下例:

图片
本题特点:符合三刚片组成规则且三铰均为实铰。此类实铰三刚片题目较为简单,具体求解中,可拆除A、B、C三个铰中的任意一个铰,并代以未知力,再选取合适的隔离体分别对其余两个铰求矩即可。
图片
图片

本题特点:符合三刚片组成规则且三铰均为虚铰,其中I、III两刚片由平行链杆组成的无穷远铰连接。此类题目较为复杂,具体求解中,拆除连接I、III刚片的两个平行链杆,代以未知力,取隔离体I刚片对O12求矩,再取隔离体I与II的联合体对O23求矩,两个方程联立求解两个未知量,待求出后,其余便可迎刃而解。

图片





3.杆件上的荷载与杆件内力之间的微分关系与增量关系

三大内力正负号规定:轴力N拉正压负;剪力Q以绕隔离体顺时针转动为正、逆时针为负;弯矩M无正负号规定(不用标识),但需画在受拉一侧。

①、微分关系(考虑的是均布力or均布力偶)

均布荷载下的微分关系

图片

通过该微端竖向力平衡以及矩平衡,可得:

FQ=qdx+FQ+dFQ----------------------------------------(1)

M+qd?x/2+(FQ+dFQ)dx=M+dM-------------------(2)

略去高阶微量o(dx),化简得M/dx=FQ,dFQ/dx=-q

均布力偶下的微分关系(仅作了解即可)

图片

通过该微端竖向力平衡以及矩平衡,可得:

FQ=FQ+dFQ-----------------------------------------------(1)

M+mdx+(FQ+dFQ)dx=M+dM-----------------------(2)

略去高阶微量o(dx),化简得dM/dx=FQ+m,dFQ/dx=0

     当然,还可考虑微端上既作用有均布荷载,又作用有均布力偶,推导过程类似,仍然由竖向力平衡和矩平衡,并略去高阶微量,可得:dM/dx=FQ+m,dFQ/dx=-q

微分关系的几何意义:

考题不太涉及均布力偶,故仅考虑均布荷载,由dM/dx=Q,dQ/dx=-q知,若直杆段上无荷载作用,则剪力图是与轴线平行的一条直线,弯矩图是一条斜直线。若直杆上作用均布荷载,则剪力图为一条斜直线,弯矩图为二次抛物线。若直杆段上作用三角形分布荷载,则剪力图为二次抛物线,弯矩图为三次曲线。以此类推。

思维扩展:一般情况下,若要考虑均布力偶,其仅对杆件的M产生影响,当某杆件剪力为常数,且恰好FQ+m=0时,就会出现剪力为常数,弯矩图却并不是一条斜直线而为0的特殊情况。如下例:


图片

试绘其M图及FQ图。




图片

若m=kq,试绘其M图及FQ图。(根据微分关系)


②、增量关系(考虑的是集中力or集中力偶)

增量关系

图片

通过微端竖向力平衡与矩平衡,可得:

FQ=F+FQ+ΔFQ------------------------------------(1)

M+Fdx/2+(FQ+ΔFQ)dx+m=M+ΔM----------------(2)

略去一阶微量o(x),化简得ΔFQ=-F,ΔM=m

增量关系的几何意义

在集中力作用点两侧截面,剪力有突变,突变值为该集中力大小,弯矩有尖点,且尖点与集中荷载方向一致。

在集中力偶作用点两侧截面,弯矩有突变,突变值为该集中力偶大小,剪力无变化。

总结:基于微端的微分关系与增量关系结合不同类型的结构、不同类型的荷载等可以得出许多便捷的画图技巧(快速画弯矩图)。但万变不离其宗,其本质均在于此。






4.区段叠加法绘制弯矩图

     结构力学有三大基本假设,分别是连续性线性弹性(胡克定律)与完全弹性(外力撤去,变形完全恢复,工程结构中常反映为小变形),满足该假设的结构符合叠加原理。

     叠加法的基本含义是,结构线弹性且小变形,多个荷载联合作用下结构的内力或位移,可由各荷载单独作用下的内力或位移叠加求得。至于为什么强调区段呢?因为梁中取出的任意梁段都可看作是简支梁,用叠加法作简支梁的弯矩图即梁段的弯矩图,而该区段一般是以杆件上的控制点为准分隔开。

基本步骤

①选定外力的不连续点(集中力作用点、集中力偶作用点、分布荷载起点、终点),求出某些或全部控制截面弯矩。

②分段画内力图,当控制截面间无荷载时,直接连接控制截面的量值竖标即可;当控制截面间有荷载作用时,连接控制截面的弯矩竖标作出图后,还应叠加这一段按简支梁下的内力图。

:分段叠加法很基础,也很重要,对后面的超静定结构亦是如此,例如在矩阵位移法中,各单元建立的方程是结点力与结点位移的关系,通过求解刚度方程得到的仅是结点的内力值,而单元内的内力就需要用到该“简支梁”叠加法。

0 2
二、静定梁

敲黑板:关于静定梁考试重点有两个,其一是斜梁;其二是多跨静定梁。

1.斜梁

I.沿梁水平投影长度L上作用均布荷载q
图片 II.沿梁自身长度上作用竖向均布荷载q
图片 III.沿垂直于梁方向作用均布荷载q
图片
滑动查看下一张图片

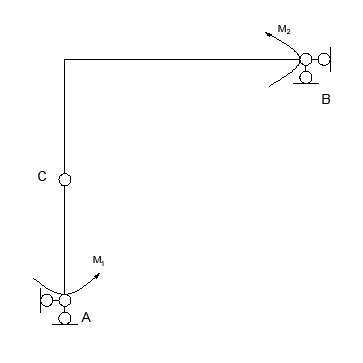
2.多跨静定梁

有基本、附属之分的多跨静定梁,把握先附属,后基本的原则,否则按几何构成反向拆联系(铰)分析。

值得注意的是:多跨静定梁中间铰接处M=0,再有铰接点传递剪力,其左右两侧弯矩图斜率应相同(当铰上作用有荷载,相当于作用在基本部分,弯矩图延长再叠加该荷载产生的弯矩即可),多跨静定梁弯矩图的快速绘制常常利用这些条件。故在绘制多跨静定梁的内力图时,只求一些必要的支反力,甚至不用求,利用微分关系及叠加法快速作图即可。

多跨静定梁

类似于该题,基本部分与附属部分分别是哪块?你知道具体该怎么分析吗?

图片
0 3
三、静定刚架

定义:由直杆组成的具有刚节点的结构。

大致分为四种类型

1、悬臂型刚架

不求反力,由自由端开始直接作内力图。

2、简支型刚架

仅需求一个与杆件垂直的支座反力,然后从支座开始作图。

3、三铰刚架

用上文所述方法开始做起,拆铰(联系),代以未知力,联立方程求解,即先求得支座反力和联结各部分的铰或链杆中的约束力,再求出刚架控制截面上的内力,最终绘制内力图。(例题参考上文关于如何取隔离体部分的配图)

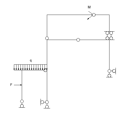
4、多跨或多层刚架

多跨或多层刚架从几何组成上讲,类似与多跨静定梁,存在“先搭”的部分和“后搭”的部分,故其分析方法类似,从“后搭”的部分开始分析,当有求联系两者之间约束的必要时,选取隔离体求得约束中的力,再求控制截面内力即可。

多跨or多层刚架

类似于该题,你知道具体该怎么分析吗?

图片

敲黑板:考试重点一般为三铰刚架及多跨或多层刚架。

内容源于网络,如有侵权,请联系删除


相关资料推荐:

某砌体外维护三连跨刚架厂房结构设计施工图

某新增单坡刚架雨披结构设计施工图


知识点:静定结构之梁与刚架

全部回复(0 )

只看楼主 我来说两句抢沙发
这个家伙什么也没有留下。。。

结构资料库

返回版块

41.29 万条内容 · 424 人订阅

猜你喜欢

阅读下一篇

静定结构位移计算原理篇

  前言  

回帖成功

经验值 +10