一.基本概念
多高层钢结构的连接节点设计:梁与梁的拼接连接、次梁与主梁的连接、柱与柱的拼接连接、梁与柱的连接、支撑与梁柱的连接,以及柱脚的连接。连接计算基本上采用与构件截面面积等强的计算方法,因此与内力关系无关。

多高层钢结构的连接节点,按其构造形式及其力学特性,可以分为铰接连接节点、刚性连接节点、半刚性连接节点。从连接形式和连接方法来看,多高层钢主要采用焊接和高强度螺栓连接。

二.梁与梁的拼接连接【详见钢连第8章第2节】
1.设计方法
由于梁塑性铰必然发生在梁端,当抗震等级为一二级时,需要将塑性铰外移,相当于做一个“牛腿”,使得梁柱连接在工厂内完成,现场进行“梁的拼接”;当为三四级时,梁可以直接连接在钢柱上。【抗规8.3.4-3】

梁拼接一般都采用刚性连接,的拼接连接节点,一般应设在内力较小的位置,但考虑施工安装的方便,通常设在距梁端1.0m左右的位置处。因而,作为刚性连接的拼接连接节点,如果将梁翼缘的连接按实际内力进行设计(拼接节点处内力较小),则有损于梁的连续性,可能造成建筑物的实际情况与设计时内力分析模型的不相协调,并降低结构的延性。最好将其连接节点应按板件截面面积的等强度条件进行设计。对于一些非抗震的低矮房屋,也可以使用效应内力等强来计算连接。
对于梁腹板按实际内力进行拼接连接时(可按实际内力,实际内力比较省,也可按截面面积),无论如何,其连接承载力不应小于按腹板截面面积等强度条件所确定的腹板承载力的1/2(截面面积承载力的1/2是兜底值)。
2.连接设计
由于对接焊缝等级一般都是2级以上,因此能实现等强,对接焊接连接可不用验算。螺栓连接则需计算。
①翼缘和腹板均采用高强度螺栓摩擦型连接
②翼缘采用完全焊透的坡口对接焊缝连接,腹板采用高强度螺栓摩擦型连接
③翼缘和腹板均采用完全焊透的坡口对接焊缝连接(箱形截面常用)
3.强度条件设计
①焊接:对接焊接质量等级二级及以上,则可认为是等强。
②翼缘和腹板采用高强度螺栓摩擦型连接的设计计算方法有以下四种:等强度设计法【钢连8-15】;实用设计法【钢连8-16】;精确计算设计法【钢连8-17】;常用的简化设计法【钢连8-18】。等强度设计法和实用设计法属于截面承载力等强(不按拼接处实际内力来计算,按截面面积承载力来计算连接),精确计算设计法和常用的简化设计法属于效应内力等强(就是按拼接处的实际内力弯矩和剪力来计算连接)。
等强度设计法,是按被连接的梁翼缘和腹板的净截面面积的等强度条件来进行,由于翼缘和腹板的连接螺栓配置不能先行准确确定,因此翼缘和腹板的净截面面积开始可近似地分别取翼缘和腹板毛截面面积的0.85倍,以便估算螺栓的数目及其配置。
实用设计法则是腹板只受剪,翼缘只受弯(不考虑腹板抗弯贡献),等强度设计法中腹板受弯受剪,翼缘只受弯。腹板剪力的选取有:实际拼接处剪力,腹板净截面面积的抗剪承载力设计值的1/2,梁两端的作用弯矩之和除以梁的净跨长度所得到的剪力,三者取不利。
三.次梁与主梁连接【详见钢连第8章第3节】
1.设计方法
次梁为简支梁,两端不传递弯矩(简单理解结构力学里的铰接弯矩为零),主次梁按铰接连接。次梁为连续梁,主次梁节点处有负弯矩,按刚性连接。

2.铰接连接
铰接连接只连接腹板,考虑主次梁连接处的剪力以及剪力偏心引起的附加弯矩(偏心距为剪力至主梁形心轴)。需计算腹板螺栓数量(腹板螺栓连接)、主梁加劲肋与主梁连接(双面直角角焊缝)、连接板(按螺栓数量及规格构造确定)
3.刚性连接
翼缘腹板都可用螺栓或角焊缝焊接,按等强设计【钢连8-15~8-19】。
四.柱与柱的拼接连接【详见钢连第8章第5节】
1.设计方法
柱拼接都采用刚性连接,也是按截面面积等强计算。当拼接连接处的内力小于柱承载力设计值的一半时,从柱的连续性来衡量拼接连接节点的性能,其设计用内力应取柱承载力设计值的1/2。
设计方法主要有等强度设计法和实用设计法。等强度设计法,按连接柱翼缘和腹板的净截面面积的截面等强度条件确定,当使用焊接且等级为2级可不用验算;使用高强度螺栓连接时,弯矩和轴力由腹板和翼缘共同承担,剪力由腹板独自承担。
实用设计法,轴力由腹板和翼缘共同承担,弯矩由翼缘独自承担,剪力由腹板独自承担。
2.连接设计
柱的拼接连接,对H形截面柱其翼缘通常采用完全焊透的坡口对接焊缝连接,腹板采用高强度螺栓连接;也可全部采用高强度螺栓连接。对箱形截面或圆管形截面柱是采用完全焊透的坡口对接焊缝连接。
五.梁柱连接【详见钢连第8章第6节】
1.设计方法
梁柱连接有:铰接连接、半刚性连接(很少使用)、刚接连接
①铰接:连接只能传递梁端剪力,当连接与梁端剪力存在偏心时,需考虑偏心弯矩的影响(偏心距为螺栓中心至柱翼缘外边)。连接一般仅将梁的腹板与柱翼缘或腹板相连,一般采用高强度摩擦型螺栓连接。
②半刚性:能传递一定的弯矩,25%左右
③刚性:能传递弯矩
2.刚性连接
①连接方法,常用的有:
1#梁端与柱的连接全部采用焊缝连接;
2#梁翼缘与柱的连接采用焊缝连接(完全焊透的坡口对接焊缝),梁腹板与柱的连接采用高强度螺栓摩擦型连接(常用设计法)或采用双面角焊缝(精确计算法);
3#梁端与柱的连接采用普通T形连接件的高强度螺栓连接;
4#端板连接。
②设计方法
梁柱刚性连接按实际受力计算。设计方法主要有常用设计法和精确计算法。
常用设计法,考虑梁端内力向柱传递时,原则上梁端弯矩全部由梁翼缘承担,梁端剪力全部由梁腹板承担;同时梁腹板与柱的连接,除对梁端剪力进行计算外,尚应以腹板净截面面积的抗剪承载力设计值的1/2或梁的左右两端作用弯矩的和除以梁净跨长度所得到的剪力来确定。
精确计算法,则会考虑腹板抗弯。
③柱水平/垂直加劲肋
柱水平加劲肋与翼缘可采用完全焊透的坡口对接焊缝,腹板采用双面角焊缝;或者翼缘和腹板都采用双面角焊缝。柱垂直加劲肋(弱轴方向)与柱腹板和上下水平加劲肋,通常采用双面角焊缝。对于焊接质量等级为2级的对接焊缝可不用计算,角焊缝需要计算。
梁与H形截面柱的连接,还可分在强轴方向的连接和在弱轴方向的连接。

六.节点连接设计参数
1.连接板厚度
连接板厚度>40mm,要考虑断面收缩率,对厚度方向的性能有要求,不能发生板层状撕裂,【厚度方向性能钢板GB/T5313-2010】对此有规定。

2.总设计方法

①高层按【高钢规】设计
②焊接柱翼缘与腹板连接采用焊缝类型:K形焊缝
③钢柱下端为混凝土结构时,按柱脚设计。类似于外包式柱脚,不点此项时,软件只计入至钢柱底面。常规做法:当钢柱下端为混凝土时,则将钢柱往下延伸一层,即下一层为钢骨混凝土柱,但按混凝土柱来设计,相当于一个过渡,在钢柱延伸底部处做铰接柱脚,只带一块柱底板,通过预埋锚栓来连接。在下二层还有混凝土柱,则完全是混凝土结构进行设计。
当然也有简单粗暴的做法,直接将钢柱延伸下来,按叠合柱设计。
④焊缝连接的强度设计值折减系数:【钢标4.4.5-4】可取0.9、0.85,高空焊接等引起的焊接质量折减。

⑤螺栓连接的强度设计值折减系数:可取0.9,考虑焊接对螺栓的影响。当焊接和螺栓连接同时采用时,一般先螺栓连接固定构件,然后焊接,焊接产生变形会引起高强螺栓预拉力的损失,损失值一般为10%。
⑥进行门式刚架节点设计:当是那种底部框架顶部门刚时,门刚要按端板连接设计。
⑦按抗震规范8.2.8条要求校核强节点弱构件,勾上。
⑧抗侧力构件连接按等强连接(梁柱连接),不用勾,抗震规范8.2.8条要求校核强节点弱构件已包括。
3.连接设计信息

【节点两阶段设计:均与构件截面承载力相关,与内力无关】
①一阶段弹性【抗震8.2.8-1】:连接的承载力设计值≥构件的承载力设计值,这两项都是抗力;
当使用高强螺栓连接时,第一阶段应为摩擦型连接计算。高强螺栓连接不得滑移,指的是通过高强螺栓连接的板件之间不发生相对滑移,由于摩擦型连接孔开的比较大,螺杆和孔壁之间始终保持空隙量,故应使用摩擦型高强螺栓。
第二阶段时,宜按承压型连接计算(STS会自动使用),因为构件已经进入塑性,发生了较大变形,还按摩擦型连接的弹性计算方法会比较浪费。
②二阶段弹塑性【抗震8.2.8-2】:连接的极限承载力应大于构件的屈服承载力,这两项都是抗力。对于二阶段的连接的极限承载力,【抗震8.2.8】给出了验算公式,体现了强节点弱构件。



4.梁柱连接参数

①梁柱铰接连接的梁到柱边缘的间距/梁柱刚接连接的梁腹板到柱边缘的间距:15mm,主要考虑钢材温度变化的伸长及便于安装。
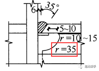
②梁腹板与冀缘连接切角的半径:一般默认35mm,坡口焊缝的坡口半径

③梁柱连接处加劲肋的最小间距:一般就取150mm。梁柱节点连接处,在梁水平处的柱内要布置水平加劲肋,当两侧梁高不同时,≥150mm(这样设置时),直接可以布置水平加劲肋;当<150mm,由于间距太小,很难施工,宜做成c图的变截面加腋(【钢连8.54】比较麻烦也比较丑,并且受力也不太明确),并注意变截面处应布置竖向加劲肋,一般来说在设计梁截面的时候,就先把两侧梁高设置相差200mm及以上,可以避免做c图的变截面加腋。

④梁腹板局部加高时梁变截面开始处到柱边的距离:默认为500mm。就是上面的c图,与梁柱连接处加劲肋的最小间距一起考虑,例如两侧梁高差为100mm,建议比例至少为1:3,则至少为300mm。
⑤工字形柱弱轴与梁刚接时翼缘到柱边的距离:柱翼缘边缘到梁边缘的距离,【高钢规8.3.5】规定至少为75mm。
工字形柱弱轴与梁刚接时翼缘宽度的坡度:最陡为1:2.5,最缓为1:4。
上面参数的选择取决于梁柱宽度的差别,相当于算一个加腋(变宽度,平缓过渡,缓解应力集中),例如柱高500mm,梁宽200,一边差了150mm,当采用坡度为1:3时,距离则为450mm

⑥顶层柱与梁刚接时柱延伸到梁以上的距离:一般取60mm(含盖板),相当于柱子凸出一块,一般为60mm,因为板厚一般也为120mm,刚好在板厚中间,凸出的柱子也相当于一个大型抗剪连接件,传力楼层水平力。
⑦梁柱刚接时的设计方法:程序自动确定。分别为精确计算法和常用计算法,两种方法的区别就是考不考虑腹板抗弯,根据腹板的抗弯贡献,使程序自动确定,例如腹板抗弯较强的箱形截面则宜用精确计算法。
⑧梁腹板与柱的连接形式/次梁腹板与主梁的连接形式:按实际采用,一般采用高强度螺栓连接。
⑨梁柱刚接梁端加强节点,连接节点加强方式:优先采用加盖板方式、优先采用加宽翼缘方式、加腋方式。选择加盖板方式,当盖板厚度>梁翼缘厚度,系统会使用加腋方式;选择加宽翼缘方式,当梁翼缘宽度>柱宽度,系统会使用加腋方式;加腋方式比较丑、麻烦。
5.梁拼接连接

①梁拼接时拼接位置距柱中心的最小距离:就是牛腿(梁端)伸出长度,梁跨长倍数的0.1倍和梁高度的2倍,两者取大,牛腿长度不宜超过1m,否则不好运输。
②采用梁拼接的最小梁跨度:可取6m
③梁翼缘腹板与柱的连接方式:翼缘可用对接焊缝,腹板可用连接板高强螺栓。
④采用高强度螺栓的梁翼缘和腰板的间距:两侧梁翼缘和腹板拼接的缝隙,一般可取10mm
⑤栓接拼接腹板承担的弯矩考虑传递效率系数:一般默认取0.4,此项考虑的是腹板抗弯的贡献,现在的梁拼接节点腹板左右各一排螺栓就够了,当计算后的螺栓数量较多时,说明腹板抗弯过多,可以将此系数降低。
6.柱拼接连接

①柱工地拼接连接设计:一般3个楼层作为一段,不超过12m进行运输
②柱拼接连接,拼接位置距楼板的距离:从施工方便角度,一般可取1300mm
③变截面中列主的变截面位置:梁高内和梁高外(都是节点区里变,在节点区外也就是楼层内变,比较不好看),同一层不同柱子可以采用梁高内和梁高外,一般梁高外比较好满足。
④变截面柱的变截面处距梁翼缘边的距离:梁高内可取100,梁高外可取150mm,方便施工有操作空间。

柱需要变截面时,较方便的是采用保持柱截面高度不变,仅改变翼缘厚度的方法。若柱截面高度改变时,一般将变截面段设于梁与柱连接节点处,使柱在层间保持等截面,使得柱外带悬臂梁段的不规则连接在工厂完成。边柱变截面可采用图(a)的做法,不影响挂外墙板(外侧是平的),但应考虑上下柱偏心所产生的附加弯矩,内柱变截面可采用图(b)所示的做法,变截面的角度一般可取1:5~1:6。
箱形截面柱变截面处上下端应设置横隔板,上下柱端铣平,周边坡口焊接,H形也要在变截面处设置加劲肋。
变截面位置主要看上下柱变截面的差值,例如下柱400,上柱300,一边变50,角度1:6,则变截面长度300mm,梁高500,考虑上下各100的操作空间,则可在梁高内变截面,否则按梁高外变截面。

7.加劲肋参数
柱对应的有梁的地方要设置加劲肋(横隔板),扩散和传递梁连接处的集中力,使得梁柱连接处形成节点域具有足够的刚度,满足刚性连接及节点的要求,才能与假定的计算模型接近。
①箱形柱水平加劲肋类型:内连式和贯通式。一般采用内连式(尺寸≥400mm,施工方便),即箱形柱内部加板;400mm以下的柱则使用贯通式,柱子中断,梁贯通。【图集16G519】提供了外连式加劲肋(外环板)的做法。

②钢管柱水平加劲肋类型:一般采用外环板,STS提供了圆环型和直线型,圆环型就是圆环,直线型如上图。环板最小宽度可按程序自动计算,也可以手动设置为bs= 0.7br,br是周圈最大梁翼缘宽度。如上图为bs≥0.7br,这是通过截面等强计算,外环板设置连接角度为45°,cos45°=0.707
外环板厚度:等于梁翼缘中的最厚者+2mm,且不小于柱壁板的厚度。
③水平加劲肋与柱翼缘连接采用:一般选对接焊缝。

8.柱脚参数
基本按构造设置,详见【钢结构20 钢结构刚接柱脚设计】

9.节点域加强板参数
节点加强做法:一种是柱腹板局部加厚,反正也是在工厂加工,方便简单。另一种就是添加补强板,翼缘对接焊,腹板塞焊,太麻烦了并且人工费高,现在都不用了。


内容源于网络,如有侵权,请联系删除
相关资料推荐:
知识点:多高层钢结构连接及节点设计
0人已收藏
0人已打赏
免费7人已点赞
分享
钢结构工程
返回版块46.53 万条内容 · 1214 人订阅
回帖成功
经验值 +10
全部回复(0 )
只看楼主 我来说两句抢沙发