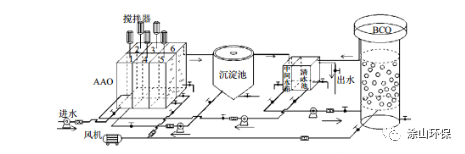
A2O法又称AAO法,是英文Anaerobic-Anoxic-Oxic第一个字母的简称(厌氧-缺氧-好氧法),是一种常用的污水处理工艺,可用于二级污水处理或三级污水处理,以及中水回用,具有良好的脱氮除磷效果。在传统 A?/O 工艺的单泥系统中高效地完成脱氮和除磷两个过程,就会发生各种矛盾冲突,比如泥龄的矛盾、碳源竞争、硝酸盐及溶解氧(DO)残余干扰等。

推荐资料(点击文字跳转):
知识点:A2O工艺脱氮与除磷的矛盾
0人已收藏
0人已打赏
免费1人已点赞
分享
环保大厅
返回版块5354 条内容 · 77 人订阅
阅读下一篇
超滤与混凝沉淀处理技术随着膜材料的不断发展和膜价格的不断下降,超滤技术在饮用水深度处理中的应用也越来越广泛。相比于微滤膜,超滤膜具有更小的纳米级孔径,因此可有效去除水中的悬浮物、大分子有机物、藻类、“两虫”、细菌甚至是病毒等微生物,可有效保障饮用水的生物安全性,被认为是第三代城市饮用水净化工艺的核心。但是,超滤膜属于低压膜滤范畴,其对水中的溶解性有机物去除效果不佳;而且,超滤膜在运行的过程中将不可避免的产生膜污染,导致运行能耗增大、清洗频繁。通常需要将超滤与混凝、活性炭吸附、化学氧化等预处理工艺组合使用来克服上述问题。
回帖成功
经验值 +10
全部回复(1 )
只看楼主 我来说两句 抢板凳资料总结的比较全面,工艺比对分析很好,,受益啦,谢谢楼主分享
回复 举报