土木在线论坛 \ 电气工程 \ 成套电气设备 \ 详解锅炉的汽包(附实图)

详解锅炉的汽包(附实图)

发布于:2022-09-27 11:09:27 来自:电气工程/成套电气设备 [复制转发]

知识点:锅炉汽包

管,在筒底都装有托盘。在汽包内顶部蒸汽引出管之前装置多孔板,目的是利用节流作用使蒸汽空间的饱和蒸汽沿汽包长度和宽度分布均匀,提高分离效率。旋风分离器结构如下图:


图片

2、蒸汽清洗装置

蒸汽清洗的基本原理:是让含盐量低的清洗给水与含盐量高的蒸汽相接触,使蒸汽中溶解的盐分转移到清洗的给水中,从而减少蒸汽溶盐,同时,又能使蒸汽携带炉水中的盐分转移到清洗的给水中,从而降低蒸汽的机械携带含盐量,使蒸汽的品质得到改善。蒸汽污染的危害:含盐量超标的蒸汽会引起汽轮机、锅炉等热力设备结盐垢,会造成过热器热交换受阻,管壁超温,排烟温度升高,锅炉效率降低;蒸汽管道阀门动作失灵、漏泄;会使汽轮机的蒸汽通流截面减小,喷嘴和叶片的粗糙度增加,甚至改变喷嘴和叶片的形线,从而使汽轮机的阻力增加,出力和效率降低;若积盐不均匀还会引起轴系振动,甚至造成事故。由此可见蒸汽品质对机组安全的重要性。


3、汽包加药

锅炉给水尽管经过严格处理,但不可能将杂质彻底除净,给水还会带入锅内一部分杂质。随着锅水的不断蒸发浓缩,锅水含盐浓度逐渐提高,有可能引起内部结垢。为防止结垢,运行中要往锅水中连续加入药品,药品与锅水中的钙、镁盐类发生化学、物理作用,生成非粘结性的松散水渣,沉积到下部,通过定期排污放到锅炉外。

为了防止锅内受热面的结垢和腐蚀,必须对锅内水质进行处理。我公司锅内水质处理采用低磷酸盐处理。低磷酸盐处理就是向汽包内添加少量的Na3P04(磷酸三钠)药品,使炉水维持足够高的PH值和一定的P043-含量。其中炉水中的钙离子与P043-发生下述反应:

10Ca2++6P043-+20H-→Ca10(OH)2(P04)6

                     (碱式磷酸钙)

锅水中加入磷酸三钠,除使锅水中钙、镁盐类生成非粘结性的松散水渣外,还可起到校正锅水碱性的作用,使锅水的PH值维持在规程规定的范围之内 。


4、汽包事故放水

事故放水管是不可能把汽包中的水放光的。事故放水管的作用是当出现满水事故或汽水共腾及泡沫共腾时,用它紧急排放锅水,迅速恢复水位。事故放水管上端在汽包内,上口与汽包正常水位平齐。一旦出现上述情况时,迅速打开事故放水门,使多余的水排放出去,恢复正常水位。由于有锅水在事故放水孔浮起的现象,水位可放到比正常水位略低的位置,但锅水不会被放光。汽包中的水虽然不会被放光,但打开事故放水门后,必须严密监视水位,一旦正常水位出现,应立即关闭事故放水门。否则,会通过事故放水管放出大量饱和蒸汽,这除了造成不必要的工质和热量损失外,还使进入过热器的蒸汽量减小,会给过热器的安全带来威胁。


某公司在建二期汽包简介


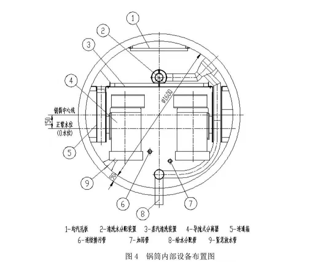
汽包内径 Dn=1600mm,壁厚 90mm,直段长 13.9m,总长约 15.714m。锅筒中心线标高 47.7m,锅筒和内部设备总重约 66 吨。锅筒正常水位在锅筒中心线下 150mm 处,允许水位波动±50mm。 

图片


如上图 锅筒内部设备布置图 锅筒内部设备按单段蒸发设计,装有汽水分离装置、给水清洗装置、排污 加药装置等。汽水分离装置:在锅筒内部装有 56 只F315 mm 导流式旋风分离器作为一次分离元件,来自水冷壁的汽水混合物进入锅筒内两侧的 2 个连通箱,每个连通箱分别连接 28 只分离器,以均衡各分离器的蒸汽负荷。为保证锅筒内部有足够的重力分离高度,在分离器上方有平孔板型蒸汽清洗装置,清洗孔板上方设置了作为二次分离元件的清洗板。

给水蒸汽清洗装置:进入锅筒内的给水,其中 50%送到清洗孔板,经过清洗蒸汽后, 饱和水从两侧的溢水槽引入水空间下部。另外 50%给水由 4 根F76mm×4 管子引到锅筒底部的给水分配管与饱和水混合。 


相关推荐链接:

1、火管式废热锅炉(含汽包)全套图纸

2、火管式废热锅炉(含汽包)全套cad设计图(标注详细)





  • daghy
    daghy 沙发

    看一下。。了解下这方面的内容

    2022-09-27 11:28:27

    回复 举报
    赞同0
这个家伙什么也没有留下。。。

成套电气设备

返回版块

15.97 万条内容 · 621 人订阅

猜你喜欢

阅读下一篇

机电工程项目施工相关法规与标准

知识点:项目施工相关标准 三、计量法检定 (三)依法实施计量检定 A——为本单位最高计量标准器具和用于最值传递的工作计量器具,如:一级平晶、水平仪检具、千分表检具;列入国家强制检定目录的工作计量器具,例如:兆欧表可测量线路绝缘电阻 B——为用于工艺控制、质量检测及物资管理的周期性检定的计量器具,焊接检验尺、5m以上卷尺、温度计、压力表、万用表等等。 四、计量器具的使用管理要求 (二)计量器具使用管理的规定

回帖成功

经验值 +10