采用扣件式钢管脚手架搭设,立杆配有可调托撑。立杆顶设二层方木,立杆顶托上纵向设15×15cm方木;纵向方木上设10×10cm的横向方木,其中在墩顶端横梁间距为0.25m、在跨中部位间距为0.3m。模板用厚15mm的优质竹胶合板,横板边角用4cm厚木板进行加强,防止出现波浪形,影响外观。采用立杆横桥向间距×纵桥向间距×横杆步距为60cm×60cm×90cm支架结构体系,支架纵横均设置剪刀撑,其中纵横桥向斜撑每1.8m设一道。
以墩顶端横梁最大截面预应力混凝土箱形连续梁处为例,对荷载进行计算及对其支架体系进行检算。
根据本桥现浇箱梁的结构特点,在施工过程中将涉及到以下荷载形式:
⑴ q1—— 箱梁自重荷载,新浇混凝土密度取2600kg/m3。
⑵ q2—— 箱梁内模、底模、内模支撑及外模支撑荷载,按均布荷载计算,经计算取q2=1.0kPa(偏于安全)。
⑶ q3—— 施工人员、施工材料和机具荷载,按均布荷载计算,当计算模板及其下肋条时取2.5kPa;当计算肋条下的梁时取1.5kPa;当计算支架立柱及替他承载构件时取1.0kPa。
⑷ q4—— 振捣混凝土产生的荷载,对底板取2.0kPa,对侧板取4.0kPa。
⑹ q6—— 倾倒混凝土产生的水平荷载,取2.0kPa。
⑺ q7—— 支架自重,经计算支架在不同布置形式时其自重如下表所示:
根据现浇箱梁结构特点,取B-B截面(中支点横梁两侧)具有代表截面进行箱梁自重计算,并对截面下的支架体系进行检算,首先进行自重计算。
根据横断面图,用CAD算得该处梁体截面积A=10.3885-0.775*2=8.84m2,则:

取1.2的安全系数,则q1=37.62×1.2=45.14kPa
注:B—— 箱梁底宽,取6.11m,将箱梁全部重量平均到底宽范围内计算偏于安全。
因现浇箱梁采取水平分层以每层25cm高度浇筑,在竖向上以V=1.2m/h浇筑速度控制,砼入模温度T=18℃控制,因此新浇混凝土对侧模的最大压力
h=1.53+3.8V/t=1.53+3.8*0.067=1.78m,
本工程现浇箱梁支架按φ48×3.5mm钢管扣件架进行立杆内力计算。
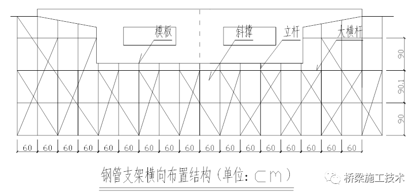
在中支点横梁,钢管扣件式支架体系采用60×60×90cm的布置结构,如图:
根据立杆的设计允许荷载,当横杆步距为90cm,立杆可承受的最大允许竖直荷载为[N]=35.7kN(路桥施工计算手册中表13-5钢管支架容许荷载[N]=35.7kN)。
立杆实际承受的荷载为:N=1.2(NG1K+NG2K)+0.85×1.4ΣNQK(组合风荷载时)
于是,有:NG1K=0.6×0.6×q1=0.6×0.6×45.14=16.25KN
NG2K=0.6×0.6×q2=0.6×0.6×1.0=0.36KN
ΣNQK=0.6×0.6(q3+q4+q7)=0.36×(1.0+2.0+3.38)=2.297KN
则:N=1.2(NG1K+NG2K)+0.85×1.4ΣNQK=1.2×(16.25+0.36)+0.85×1.4×2.297= 22.67KN<[N]=35.7kN,强度满足要求。
根据《建筑施工扣件式钢管脚手架安全技术规范》有关模板支架立杆的稳定性计算公式:N/ΦA+MW/W≤f
N—钢管所受的垂直荷载,N=1.2(NG1K+NG2K)+0.85×1.4ΣNQK(组合风荷载时),同前计算所得;
f—钢材的抗压强度设计值,f=205N/mm2参考《建筑施工扣件式钢管脚手架安全技术规范》表5.1.6得。
A—φ48mm×3.5㎜钢管的截面积A=489mm2。
Φ—轴心受压杆件的稳定系数,根据长细比λ查表即可求得Φ。
i—截面的回转半径,查《建筑施工扣件式钢管脚手架安全技术规范》附录B得i=15.8㎜。长细比λ=L/i。
L—水平步距,L=0.9m。于是,λ=L/i=57,参照《建筑施工扣件式钢管脚手架安全技术规范》查附录C得Φ=0.829。MW—计算立杆段有风荷载设计值产生的弯距;
uz—风压高度变化系数,参考《建筑结构荷载规范》表7.2.1得uz=1.38
us—风荷载脚手架体型系数,查《建筑结构荷载规范》表6.3.1第36项得:us=1.2
w0—基本风压,查〈〈建筑结构荷载规范〉〉附表D.4 w0=0.8KN/m2
故:WK=0.7uz×us×w0=0.7×1.38×1.2×0.8=0.927KN
故:MW=0.85×1.4×WK×La×h2/10=0.0536KN
W— 截面模量查表〈〈建筑施工扣件式脚手架安全技术规范〉〉附表B得:
则,N/ΦA+MW/W=22.67×103/(0.829×489)+0.0536×106/(5.08×103)=66.47 KN/mm2≤f=205KN/mm2计算结果说明支架是安全稳定的。
本施工方案中箱梁底模底面横桥向采用10×10cm方木,方木横桥向跨度在中支点截面处按L=60cm进行受力计算。如下图将方木简化为如图的简支结构(偏于安全),木材的容许应力和弹性模量的取值参照杉木进行计算,实际施工时如油松等力学性能优于杉木的木材均可使用。
按中支点截面处3米范围进行受力分析,按方木横桥向跨度L=60cm进行验算。
q=(q1+ q2+ q3+ q4)×B=(45.14+1.0+2.5+2)×3=151.92kN/m
M=(1/8) qL2=(1/8)×151.92×0.62=6.8kN·m
W=(bh2)/6=(0.1×0.12)/6=0.000167m3
则: n= M/( W×[δw])=6.8/(0.000167×11000×0.9)=4.1(取整数n=4根)
经计算,方木间距小于1m均可满足要求,实际施工中为满足底模板受力要求,方木间距d取0.3m,则n=3/0.3=10。
方木的惯性矩I=(bh3)/12=(0.1×0.13)/12=8.33×10-6m4则方木最大挠度:fmax=(5/384)×[(qL4)/(EI)]=(5/384)×[(265.8×0.64)/(12×9×106×8.33×10-6×0.9)]=5.54×10-4m<l/400=0.6/400=1.5×10-3m (挠度满足要求)
箱梁底模采用竹胶板,取各种布置情况下最不利位置进行受力分析,并对受力结构进行简化(偏于安全)如下图:
通过前面计算,横桥向方木布置间距分别为0.3m和0.25m时最不利位置,则有:
竹胶板弹性模量E=5000MPa,方木的惯性矩I=(bh3)/12=(1.0×0.0153)/12=2.8125×10-7m4
① 模板厚度计算q=( q1+ q2+ q3+ q4)l=(83.1+1.0+2.5+2)×0.25=22.15kN/m
则:
模板的宽度为1.0m,根据W、b得h为:
因此模板采用1220×2440×15mm规格的竹胶板。
② 模板刚度验算fmax=<0.9×0.25/400m=6.25×10-3m故,挠度满足要求。
根据前面计算,分别按10×10cm方木以25cm和30cm的间距布置,以侧模最不利荷载部位进行模板计算,则有:⑴ 10×10cm方木以间距30cm布置① 模板厚度计算
q=( q4+ q5)l=(4.0+50.7)×0.3=16.41kN/m
则:
模板的宽度为1.0m,根据W、b得h为:
因此模板采用1220×2440×15mm规格的竹胶板。
fmax=<0.9×0.3/400m=7.5×10-3m
在中支点两侧立杆的间距为60×60cm,每根立杆上荷载为:
N=a×b×q= a×b×(q1+q2+q3+q4+q7)
= 0.6×0.6×(45.14+1.0+1.0+2.0+3.38)=18.91kN
通过前面立杆承受荷载计算,每根立杆上荷载最大值为:
N=a×b×q= a×b×(q1+q2+q3+q4+q7)
= 0.6×0.6×(45.14+1.0+1.0+2.0+3.38)=18.91kN
底托承载力(抗压)设计值,一般取Rd =40KN;
地基薄弱地段分层换填隧道弃渣并碾压密实,根据经验及试验,地基承载力达到[fk]= 200~250Kpa(参考《建筑施工计算手册》。
式中: N——为脚手架立杆传至基础顶面轴心力设计值;
Ad——为立杆底座面积Ad=15cm×15cm=225cm2;
按照最不利荷载考虑:=≤K·[k]=1.0×235KPa
经过计算,地基处理要求贯入试验垂击数必须达到11下。
将混凝土作为刚性结构,按照间距60×60cm布置,在1平方米面积上地基最大承载力F为:
F=a×b×q= a×b×(q1+q2+q3+q4+q7)
= 1.0×1.0×(45.14+1.0+1.0+2.0+3.38)=52.52kN,即52.52kpa.
则,F=52.52kpa<[k]=1.0×235Kpa
由上计算每根钢管受力为18.91KN,φ48mm×3.5㎜钢管的截面积为489mm2。
б=18.91÷489×103=38.67N/mm2 ,
则f1=38.67×10÷(2.06×105)=1.88mm。
支架在荷载作用下的非弹性变形f2包括杆件接头的挤压压缩δ1和方木对方木压缩δ2两部分,分别取经验值为2mm、3mm,即f2=δ1+δ2=5mm。
支架地基沉降量按《GBJ7-89规范》推荐地基最终沉降量公式计算:


因4
SP
≤7,查表取
,则地基最终总沉降量S为:

故支架变形量值F为:F=f1+f2+f3=3.28+5+6.31=14.59mm。
内容源于网络,旨在分享,如有侵权,请联系删除
相关资料推荐:
https://ziliao.co188.com/p58386398.html
知识点:现浇箱梁满堂支架及模板计算
全部回复(1 )
只看楼主 我来说两句 抢板凳这个参考的是2001版的规范,新规的几个系数都变化了
回复 举报