
随着防排烟规范这些年的严格执行,挡烟垂壁的使用也得到了大步的发展和应用。这里就来探讨下挡烟垂壁的应用所需要的掌握的一些知识。
首先先来看下规范的相关定义。依据《建筑防烟排烟系统技术标准》(GB 51251-2017)(以下简称《烟规》)第4.2项关于防烟分区的规定,防烟分区的分割可以采用挡烟垂壁、结构梁或者隔墙的方式,但后两者都是会受建筑或者室内设计的影响,由此挡烟垂壁的应用变得越来越广泛。

至于挡烟垂壁的高度,《烟规》的4.6.2项中对储烟仓的高度也有了明确定义,即自然排烟时,高度应不小于空间净高的25%,机械排烟时,高度应不小于空间净高的10%,且不应小于500mm。也就是说,挡烟垂壁的高度应根据储烟仓的计算高度来定,且不小于500mm高。

接下来我们就详细的了解下挡烟垂壁的种类及各项技术要求。
1. 挡烟垂壁的种类:
首先,按挡烟垂壁的材质来区分,常见的挡烟垂壁主要采用的材质为金属板、无机复合板、无机纤维织物、防火玻璃等。按行业标准GA533-2012(挡烟垂壁)的5.1.2规定如下:

其次,如果按挡烟垂壁的安装及作用方式来区分,挡烟垂壁主要可分为固定式和活动式两种。而活动式一般可细分为翻板式、重力式和卷帘式三种。
2. 活动式挡烟垂壁的联动控制方式及要求:
《烟规》第5.2.5对活动挡烟垂壁联动的要求如下:

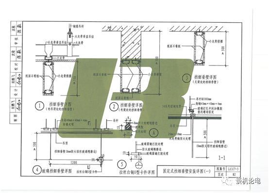
3. 挡烟垂壁的安装要求及安装详图:
《烟规》第6.4.4项对挡烟垂壁的安装要求如下:

相关的安装详图如下:





相关资料推荐:
防火玻璃挡烟垂壁节点CAD
https://ziliao.co188.com/d63788791.html
知识点:消防挡烟垂壁的应用
0人已收藏
0人已打赏
免费4人已点赞
分享
建筑消防给水
返回版块28.41 万条内容 · 744 人订阅
阅读下一篇
挡烟垂壁高度与排烟口数量如何权衡?大家都知道,《建筑防烟排烟系统技术标准》对不同热释速率,不同房间净高,在不同的烟层厚度情况下,排烟口的排烟量是有限制的,也就是储烟仓的高度直接影响到排烟口的数量,而且要求排烟口均匀布置,这在项目设计中会存在管道交叉问题、净高问题及美观问题,引起开发商的高度重视,曾让我们做相关研究,如何权衡可以做到更合理?这个是业主比较关心的问题,今天和大家聊一聊,在抽象与具体间真的好权衡吗? 规范正文对风口间距没有特别要求,但是从条文解释及各地的宣贯来说,对于风口的间距是有要求的,一般是按下面公式进行计算(参考浙江,其实是源自NFPA92-2018)
回帖成功
经验值 +10
全部回复(1 )
只看楼主 我来说两句 抢板凳看一下。了解下这方面的内容
回复 举报