土木在线论坛 \ 电气工程 \ 电气工程原创版块 \ 什么影响了隔热性能 | 隔热条该选厚or薄?

什么影响了隔热性能 | 隔热条该选厚or薄?

发布于:2022-09-22 16:39:22 来自:电气工程/电气工程原创版块 [复制转发]

知识点:隔热性

厚度。是不是以前没怎么注意过?当我们想要整窗隔热性能更上一层楼时,我们往往会第一时间想到加大隔热条宽度。但同为尺寸标准的厚度,却常常被忽略。本文就要为隔热条厚度来炒一炒热度,看看它究竟是是个被埋没的降U值好渠道,还是确实没什么嚼头的鸡肋。


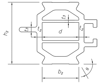
      下图是隔热条的几个关键尺寸,今天我们主要讨论t1和t2对于型材隔热性能的影响。


图片

示例1

图片

示例2

注:

h1、h2——聚酰胺型材截面高度;

b1、b2——聚酰胺型材端头宽度;

t1、t2——聚酰胺型材主要受力壁厚;

θ——聚酰胺型材端头角度;

d——聚酰胺型材空腔尺寸;

t3——聚酰胺型材非主要受力壁厚。


我们分别以配置24mm隔热条的60系列模型、配置29mm隔热条的65系列模型、配置34mm隔热条的70系列模型、配置39mm隔热条的75系列模型和配置44mm隔热条的80系列模型进行模拟,探讨隔热条厚度与隔热型材隔热性能之间的关系。


24mm隔热条,60系列

图片

    t1=2.0mm

    Uf=2.116W/m2K

图片

    t1=1.6mm

    Uf=2.075W/m2K

图片

    t1=1.2mm

    Uf=2.032W/m2K


将隔热条厚度从2.0mm减小为1.6mm后,Uf值从2.116W/m2K降至2.075W/m2K,下降0.041。将隔热条厚度从1.6mm减小为1.2mm后, Uf值从2.075W/m2K降至2.032W/m2K,下降0.043。


29mm隔热条,65系列

图片

    t1=2.0mm

    Uf=1.894W/m2K

图片

    t1=1.6mm

    Uf=1.849W/m2K

图片

    t1=1.2mm

    Uf=1.798W/m2K


将隔热条厚度从2.0mm减小为1.6mm后,Uf值从1.894W/m2K降至1.849W/m2K,下降0.045。降隔热条厚度从1.6mm减小为1.2mm后, Uf值从1.849W/m2K降至1.798W/m2K,下降0.051。


34mm隔热条,70系列

图片

    t1=2.0mm

    t2=1.2mm

    Uf=1.625W/m2K

图片

    t1=1.6mm

    t2=1.0mm

    Uf=1.584W/m2K

图片


    t1=1.2mm 

    t2=0.8mm

    Uf=1.538W/m2K


将实心隔热条厚度从2.0mm减小为1.6mm、将空腔隔热条壁厚从1.2mm减小为1.0mm后,Uf值从1.625W/m2K降至1.584W/m2K,下降0.041。将实心隔热条厚度从1.6mm减小为1.2mm、将空腔隔热条壁厚从1.0mm减小为0.8mm后,Uf值从1.584W/m2K降至1.538W/m2K,下降0.046。


39mm隔热条,75系列

图片


    t1=2.0mm 

    t2=1.2mm

    Uf=1.496W/m2K

图片


    t1=1.6mm 

    t2=1.0mm

    Uf=1.452W/m2K

图片


    t1=1.2mm 

    t2=0.8mm

    Uf=1.409W/m2K


将实心隔热条厚度从2.0mm减小为1.6mm、将空腔隔热条壁厚从1.2mm减小为1.0mm后,Uf值从1.496W/m2K降至1.452W/m2K,下降0.044。将实心隔热条厚度从1.6mm减小为1.2mm、将空腔隔热条壁厚从1.0mm减小为0.8mm后,Uf值从1.452W/m2K降至1.409W/m2K,下降0.043。


44mm隔热条,80系列

图片


    t1=2.0mm 

    t2=1.2mm

    Uf=1.356W/m2K

图片


    t1=1.6mm 

    t2=1.0mm

    Uf=1.314W/m2K

图片


    t1=1.2mm 

    t2=0.8mm

    Uf=1.271W/m2K


将实心隔热条厚度从2.0mm减小为1.6mm、将空腔隔热条壁厚从1.2mm减小为1.0mm后,Uf值从1.356W/m2K降至1.314W/m2K,下降0.042。将实心隔热条厚度从1.6mm减小为1.2mm、将空腔隔热条壁厚从1.0mm减小为0.8mm后,Uf值从1.314W/m2K降至1.271W/m2K,下降0.043。


图片


综上所述,对于所有所选系列模型,Uf值均随隔热条的壁厚减小而减小。结论是隔热条设计得越薄,隔热型材的隔热性能越好。但是,隔热条既是功能性部件,又是结构性部件。隔热条在隔热型材中除了需要体现其隔热性之外,还必须保证隔热型材整体的力学性能适于作为门窗框材的应用条件。


国家标准GB/T23615-2017《铝合金建筑型材用隔热材料 第1部分:聚酰胺型材》中规定,聚酰胺型材的壁厚尺寸按照工程设计计算选择。聚酰胺型材尺寸t1的最小局部壁厚实测值应不小于1.75mm,聚酰胺型材尺寸t2的最小局部壁厚实测值应不小于0.72mm


更高的标准要求,往往推动我们对每一个细节都探索出更多优化的可能,正所谓技术无边界,无论从业多少年,咱还是得保持一颗求知若渴的心。



相关推荐链接:

1、围护结构隔热性能计算报告_建筑1_公建

2、论文名称:建筑物双层通风屋顶之隔热性能研究


全部回复(0 )

只看楼主 我来说两句抢沙发
这个家伙什么也没有留下。。。

电气工程原创版块

返回版块

2.2 万条内容 · 598 人订阅

猜你喜欢

阅读下一篇

电梯层门强制耐火要求是否会是趋势?

知识点:电梯层耐火试验完整 电梯层门耐火试验标准有两部,GB/T 24480-2009《电梯层门耐火试验》和GB/T 27903-2011《电梯层门耐火试验 完整性、隔热性和热通量测定法》。我国执行较为普遍的是GB/T 27903。 对电梯层门有耐火极限要求的标准主要有以下几部。 GB 50016-2014 《建筑设计防火规范》6.2.9,为推荐性条款: 住建部《建筑防火通用规范》(征求意见稿)6.4.2,住建部征求意见通知显示此规范为全文强制性工程建设规范。

回帖成功

经验值 +10