土木在线论坛 \ 建筑结构 \ 地基基础 \ 特殊土和不良地质作用2-膨胀土

特殊土和不良地质作用2-膨胀土

发布于:2022-09-20 11:32:20 来自:建筑结构/地基基础 [复制转发]

特殊土和不良地质作用2-膨胀土

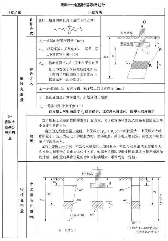
图片

图片

图片

图片

图片

图片

图片

图片

图片

图片

内容源于网络,如有侵权,请联系删除


相关资料推荐:

高速铁路路基膨胀土岩路堑挡土墙及锚固桩设计通用图

GB50112-2013膨胀土地区建筑技术规范

知识点:膨胀土


全部回复(0 )

只看楼主 我来说两句抢沙发
这个家伙什么也没有留下。。。

地基基础

返回版块

12.11 万条内容 · 718 人订阅

猜你喜欢

阅读下一篇

特殊土和不良地质作用1-湿陷性土

内容源于网络,如有侵权,请联系删除 相关资料推荐: 湿陷性土地区人工地基工程勘察、设计、施工与检测指南 知识点:湿陷性土

回帖成功

经验值 +10