在道路中采用弯桥不可避免,主要是由于路线的线形指标,实际地形地貌地质,互通枢纽,降低纵坡,视觉诱导等因素促成。

港珠澳大桥考虑海底地质、引导水流、视觉诱导等设置S形

四川雅西高速根据地形、地质等设置平面曲线

广西竹溪立交匝道

日本静冈县七泷环路桥原地盘旋降低纵坡
弯桥具备普遍的结构力学特性,直桥是弯桥的的特例。
弯桥主要受力特点:弯扭耦合(主拉应力大;扭转变形外侧比内侧大;梁端翘曲;爬移)、内外梁受力不均(活载偏置造成倾覆)、墩台受力复杂(与直桥相比增加离心力,恒载不平衡力,预应力平面径向力)。
钢箱梁适应曲线能力强,相对于其他桥型是一个重要优势。采用箱型截面的钢箱梁抗扭刚度满足曲梁受力,钢箱梁能够很好的适应弯、剪、扭综合受力。
1)通常曲梁曲做。

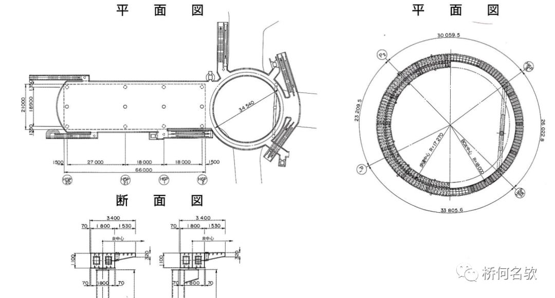
环形人行天桥
2)控制好支反力脱空及抗倾覆限制,可以采用大跨布置,被动结构的钢箱梁能够很好的适应线形。


小半径大跨度支座间距拉大
恒载稳定力矩增加活载倾覆力矩减小
抗倾覆增加
3)曲线半径过小影响纵向加劲肋的类型,同时影响隔板的间距。

曲线半径过小,U肋加工难,采用板肋或者球扁钢肋
4)变宽处理
①单箱多室:变宽不大时,通过腹板间距调整。变宽较大通过插入短纵腹板调整。
②多箱单室:变宽不大时,通过箱室间距调整。变宽较大通过箱室个数调整。


多箱单室通过增加箱室个数变宽处理
5)横隔板:曲线钢箱梁,横隔板径向布置,边支座隔板为了保证伸缩缝等宽,平行布置。
斜交时,箱室间隔板斜交角度小(≤20°)时可平行布置,角度大(>20°)时斜转正布置。
变宽时,内部隔板与腹板垂直,箱室间隔板对顶设置。

隔板在斜弯桥上布置示意

大斜交角小曲线半径隔板配置示意

大斜交角横隔板布置


B端曲线钢箱梁及横隔板布置
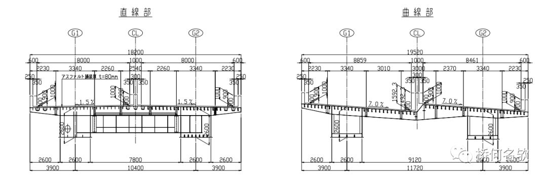
6)小曲线半径横坡大。底板水平,变腹板高度,顶板加劲肋与顶板垂直。

大横坡底板水平,变腹板高度

整幅桥梁横坡渐变处理
钢箱梁的支座布置取决于:
1)地面布墩空间

布墩空间较小,采用双支座

没有布墩空间,采用门式墩,支座正常布置
2)横梁受力

双箱单室支座设置
3)抗倾覆要求
对于多主梁箱梁斜交桥梁,由于制造时两支座处存在预拱度差,架设现场要通过调整支座实现两支座反力均等是非常困难的。
此外,锐角支座处也容易上翘。因此,斜桥箱梁的支座设置不宜限制梁端的挠曲及扭转,故宜为单支座。
单箱桥为了稳定不得不采用双支座,因此应尽量避免在斜桥中采用。
若无法避免,则应仔细考虑合适的施工方法以应对扭转变形。

斜桥多主梁箱梁预拱度差
钢箱梁支座布置总体要灵活于混凝土结构。
横梁的受力、抗倾覆均是基于桥墩的布置,为了让支座不脱空,抗倾覆满足大于2.5的安全系数要求。
同一个支座横梁位置上支座间距尽量不能太小,否则会引起压重量过大。
对于横梁跨度很大的外伸横梁,钢箱梁横梁受力明显优于混凝土。
钢箱梁横梁位置局部加高对于纵向体系有利,而对于预应力混凝土桥梁横梁位置局部加高可能造成底板应力不满足,就是由于预应力结构有钢束主动张拉的原因。
内容源于网络,旨在分享,如有侵权,请联系删除
相关资料推荐:
https://ziliao.co188.com/d63216044.html
知识点:曲线、斜交、变宽钢箱梁布置及支座布置
0人已收藏
0人已打赏
免费2人已点赞
分享
桥梁工程
返回版块19.44 万条内容 · 655 人订阅
回帖成功
经验值 +10
全部回复(0 )
只看楼主 我来说两句抢沙发