土木在线论坛 \ 建筑结构 \ 地基基础 \ 地基处理工程3-复合地基处理法

地基处理工程3-复合地基处理法

发布于:2022-09-19 14:47:19 来自:建筑结构/地基基础 [复制转发]

地基处理工程3-复合地基处理法

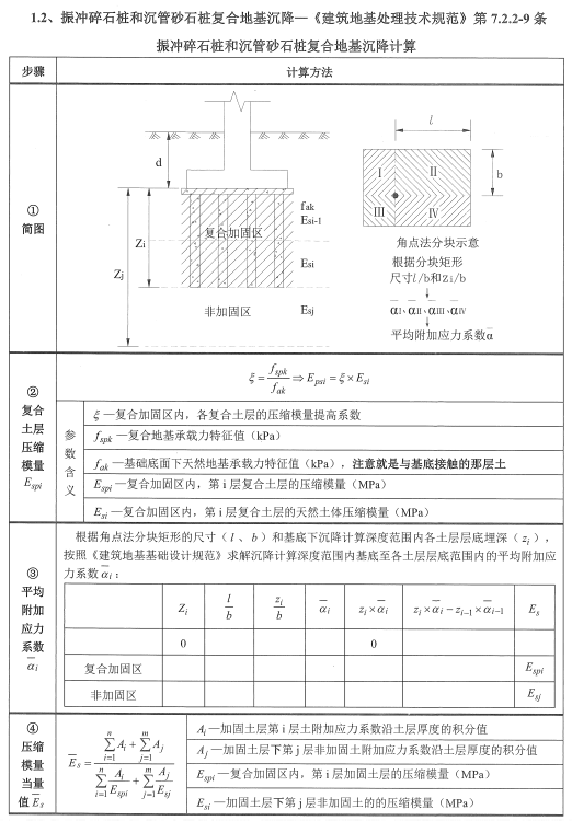
图片

图片

图片

图片

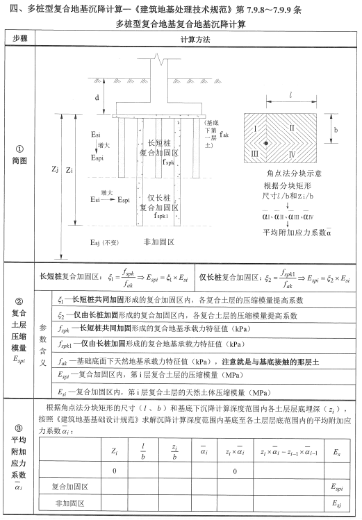
图片

图片

图片

图片

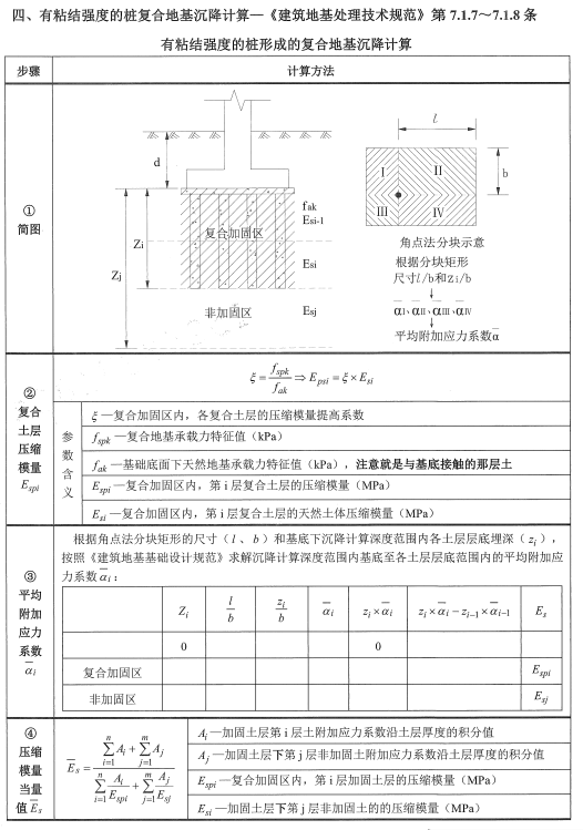
图片

图片

图片

图片

图片

图片

图片

图片

图片

图片

内容源于网络,如有侵权,请联系删除


相关资料推荐:


灰土挤密桩法地基处理说明cad图纸

某办公楼cfg复合地基处理及基坑支护施工方案


知识点:复合地基处理法

  • zyj2013
    zyj2013 沙发

    归纳的挺全,楼主辛苦,学习了

    2022-09-22 08:49:22

    回复 举报
    赞同0
这个家伙什么也没有留下。。。

地基基础

返回版块

12.11 万条内容 · 717 人订阅

猜你喜欢

阅读下一篇

地基处理工程2-预压法

地基处理工程2-预压法 内容源于网络,如有侵权,请联系删除 相关资料推荐: 真空预压法加固软土地基施工图及方案 软土地基和预压法地基处理 知识点:预压法

回帖成功

经验值 +10