初沉池之竖流式沉淀池设计
竖流式沉淀池一般为圆形或者方形,由中心进水管、出水装置、沉淀区、污泥区及排泥装置组成
沉淀区呈柱状,污泥斗呈截头倒锥体,水由设在池中心的进水管自上而下进入池内,管下设三星挡板使废水再池中均匀分布后沿着整个过水断面缓慢上升,悬浮物沉降进入池底锥形沉泥斗中,澄清水从池四周沿着周边溢流堰流出。堰前设挡板及浮渣槽以截留浮渣保证出水水质。池的以便靠池壁设排泥管,通过静水压将泥定期排出。

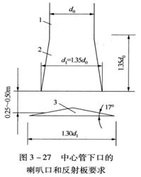
1、池子直径与有效水深之比值≤3。池子直径≤8m,一般采用4-7m。
2、中心管流速≤30mm/s
3、中心管下设喇叭口和反射板。其中板底面距离泥面≥0.3m;喇叭口直径及高度为中心管直径的1.35倍;反射板的直径为喇叭口直径的1.3倍,反射面便面积与水平面之间的倾角为17°;中心管下端至反射板表面之间的缝隙高在0.25~0.5m之间,缝隙中污水流速在初沉池中≤30mm/s

4、当池子直径<7m时,澄清污水沿着周边流出;当直径>7m时,应增设辐射式集水支渠。
5、排泥管下端距离池底≤0.2m,管上端超出水面≥0.4m。
6、浮渣挡板距集水槽0.25~0.5m,高出水面0.1~0.15m;淹没深度0.3~0.4m。


某城市污水处理厂设计最大设计流量Qmax=0.12m?/s,设计人口5.8万人,求沉淀池各部分尺寸。

(1)中心管面积f, m?
f= qmax/υ0
式中:qmax-每池最大设计流量,m?/s,
υ0-中心管内流速,m/s。取υ0=0.03 m/s
取池子数n=4,则每池最大设计流量为:
qmax= Qmax/n
=0.12/4
=0.03 m?/s
f= qmax/υ0
=0.03/0.03
=1 m?
(2)沉淀部分有效段面积F, m?
F= qmax/υ
式中:υ为污水在沉淀池中流速,m/s
取表面负荷q′=2.5 m?/(m?.h),
则上升流速为:υ=υ0=2.5 m/h=0.00069 m/s
F= qmax/υ
=0.03/0.00069
=43.48 m?
(3)沉淀池直径D,m

(4)沉淀池有效水深h2,m
h2=υt*3600
式中:t为沉淀时间,h。取t=1.5
则:h2=υt*3600
=0.00069*1.5*3600
=3.73m
(5)校核池径水深比
D/h2=7.5/3.73
=2.01<3(符合要求)
(6)校核集水槽每米出水堰的过水负荷q0,L/s
q0= qmax/πD
=0.03*1000/3.14*7.5
=1.27 L/s(符合要求,可不设辐射式集水槽)
(7)污泥体积V,m?
V=SNT/1000
式中:S-每人每日污泥量,L/(人.d),一般采用0.3~0.8,取S=0.5 L/(人.d)
N-设计人口数,人
T-两次清除污泥间隔时间,d,取T=2d
V=SNT/1000
=0.5*58000*2/1000
=58 m?
(8)每池污泥体积
V1= V/n
=58/4
=14.5 m?
(9)池子圆截锥部分有效容积V1,m?。取圆锥底部直径d′为0.4m,截锥高度为h5,截锥侧壁倾角α=55°,
则:h5=(D/2 - d′/2)tanα
=( 7.5/2 – 0.4/2)* tan55°
=5.07m
V1=πh5(R?+Rr+r?)/3
=3.14*5.07*(3.75?+3.75*0.2+0.2)/3
=78.86 m?>14.5 m?
因此,池内足够容纳2d的污泥量
(10)中心管直径d0,m

(11)中心管喇叭口下缘到反射板的垂直距离h3,m
h3= qmax/υ1πd1
式中:υ1-污水由中心管喇叭口与反射板之间的缝隙流出流速,m/s,取υ1=0.02 m/s
d1-喇叭口直径,m
d1=1.35 d0
=1.35*1.13
=1.53 m
则:h3= qmax/υ1πd1
=0.03/0.02*3.14*1.53
=0.31 m
(12)沉淀池总高度H,m
H= h1+ h2+ h3+ h4+ h5
取池子保护高度h1=0.3m,缓冲层高h4=0(因泥面很低)
则:H=0.3+3.37+0.31+0+5.07
=9.41m
≈9.5 m
相关资料推荐:
https://ziliao.co188.com/zbd109135.html
知识点:初沉池之竖流式设计与计算
0人已收藏
0人已打赏
免费3人已点赞
分享
中水处理回用
返回版块9852 条内容 · 214 人订阅
阅读下一篇
平流沉淀池的基本结构与设计参数一、 基本结构 平流式沉淀池分为进水区、沉淀区、存泥区、出水区4部分。 1进水区 进水区的作用是使流量均匀分布在进水截面上,尽量减少扰动。一般做法是使水流从絮凝池直接流入沉淀池,通过穿孔墙将水流均匀分布在沉淀池的整个断面上。
回帖成功
经验值 +10
全部回复(0 )
只看楼主 我来说两句抢沙发