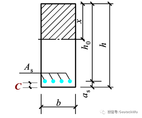
为保证钢筋和混凝土之间有足够的粘结力, 可以采取多种措施, 如提高混凝土的强度等级;将钢筋处于适当位置;保证钢筋净距;选用带肋钢筋; 保证混凝土保护层厚度等。因此混凝土保护层厚度(Thickness of Concrete Cover)是混凝土结构设计一个重要参数, 它决定着截面有效高度h0的值. (The term is related to the clear cover of the reinforcement and is defined as the least distance from the surface of the reinforcement to the tension face of the member.) 混凝土保护层是具有足够厚度的混凝土层, 取钢筋边缘至构件截面表面之间的最短距离.

2 混凝土保护层厚度的取值
为了保证钢筋不被锈蚀, 同时保证钢筋与混凝土的紧密粘结, 梁内钢筋的两侧和近边都应该设有保护层(与耐久性Durability相关)。
混凝土保护层厚度的取值必须满足以下条件:
建筑规范
(1) 构件中受力钢筋的保护层厚度不应小于钢筋直径;
(2) 设计使用年限50年的结构,最外层钢筋的保护层厚度按下表;设计使用年限100年的混凝土结构,最外层钢筋的保护层厚度不应小于下表值的1.4倍。
(3) 混凝土等级不大于C25时,表中保护层厚度应增加5mm。

路桥规范
(1) 钢筋的最小混凝土保护层厚度应不小于钢筋的公称直径d;
(2) 符合下表混凝土保护层最小厚度c_min的建议值;

对于绑扎钢筋骨架的梁,布置一层钢筋时,a_s=c_min+2/d. 钢筋直径通常为6~12mm的Ⅰ级钢筋;板厚度较大时,钢筋直径可用14~18mm的Ⅱ级钢筋;为了安全起见, 一般取a_s=c_min+20mm。例如对于I类环境条件,设计使用年限100年, c_min=20mm, 所以a_s=40mm。
(3) 表中混凝土保护层最小厚度值是按照结构耐久性要求的构件最低混凝土强度等级及钢筋和混凝土表面无特殊防腐措施确定的;
(4) 对于工厂预制的混凝土构件, 其最小保护层厚度可将表中相应数值减小5mm, 但不得小于20mm;
(5) 表中承台和基础的最小保护层厚度, 针对的是基坑底无垫层或侧面无模板的情况; 对于有垫层或有模板的情况, 最小保护层厚度可将表中相应数值减小20mm, 但不得小于30mm.
上表中的环境类别说明如下:
(1) 一类:室内正常环境、无侵蚀性静水浸没环境;
(2) 二类a:室内潮湿环境:非严寒和非寒冷地区的露天环境,与无侵蚀性的水或土壤直接接触的环境,严寒和寒冷地区的冰冻线以下与无侵蚀性的水或土壤直接接触的环境;
(3) 二类b:干湿交替的环境,水位频繁变动环境,严寒和寒冷地区的露天环境,与无侵蚀性的水或土壤直接接触的环境;
(4) 三a类:受除冰盐影响环境;严寒和寒冷地区水位变动的环境;海风环境;
(5) 三b类:盐渍土环境,受除冰盐作用环境,海岸环境;
(6) 四类:海水环境;
(5) 五类:受人为或自然的侵蚀性物质影响的环境.
4 练习题目
(1) 混凝土保护层厚度越大越好。( × )
(2) 为什么钢筋要有足够的混凝土保护层厚度?钢筋的最小混凝土保护层厚度的选择应考虑哪些因素?
设置保护层是为了保护钢筋不直接受到大气的侵蚀和其他环境因素的作用,也是为了保证钢筋和混凝土有良好的粘结。钢筋的最小混凝土保护层厚度应不小于钢筋的公称直径,且应符合附表1-7的规定值。影响因素:环境类别、构件形式、钢筋布置。
(3) 行车道板受力钢筋的最小混凝土保护层厚度c应不小于钢筋的公称直径且同时满足混凝土保护层最小厚度的要求。( √ )
(4) 混凝土保护层厚度是指( B )
(A) 纵向钢筋内表面到混凝土表面的距离;
(B) 纵向钢筋外表面到混凝土表面的距离;
(C) 箍筋外表面到混凝土表面的距离;
(D) 纵向钢筋重心到混凝土表面的距离;
(5) 关于钢筋混凝土梁的混凝土保护层厚度,下面哪种说法是错误的?
(A) 是指箍筋外表面到梁表面的距离; (×)
(B) 是指外排纵筋的外表面至混凝土外表面的距离; (√)
(C) 是指箍筋内表面到梁表面的距离; (√)
在准备这个课程的过程中, 发现教材仅提及了混凝土保护层对钢筋锈蚀(corrosive environments)的作用, 实际上混凝土保护层还有其它作用, 例如应对恶略气候影响和高温(high temperatures)的影响. 在一些可以想象的极端情况下, 桥梁会发生火灾或产生高温, 足够的混凝土保护层能够保证钢筋不被快速屈服或融化.
内容源于网络,如有侵权,请联系删除
相关资料推荐:
知识点:混凝土保护层厚度
0人已收藏
0人已打赏
免费4人已点赞
分享
混凝土结构
返回版块140.17 万条内容 · 2215 人订阅
阅读下一篇
纵向受力钢筋布置---净距Sn1 引言 当承载力验算完毕并且满足所有要求后, 接下来的任务是对钢筋进行配置. 本质上来说,这是一个试算的过程. 根据计算的钢筋面积As, 对照普通钢筋截面面积表来选钢筋的数量和直径. 因而确定钢筋的净距Sn是布置钢筋的一个基本要素. 为了增强钢筋与混凝土之间的粘结力, 保证钢筋之间有一定间隙浇注混凝土(增强混凝土浇注的密实性)以及方便钢筋的布置, 必须保证净距要求, 因此规范
回帖成功
经验值 +10
全部回复(1 )
只看楼主 我来说两句 抢板凳天哪这玩意也总结的这么仔细啊~~~666
回复 举报