当构件受到位于截面形心的轴向压力作用时,称为轴心受压构件。轴心受压杆件最典型的是柱, 柱主要承受压缩载荷. 通常柱也承受截面的单轴或双轴的弯矩,弯曲作用可能在截面的一部分产生拉力。即使在这种情况下,柱一般也被称为受压构件,因为压力起主导作用。除了最常见的受压构件类型,即结构中的垂直构件外,受压构件还包括拱肋, 倾斜的刚性框架构件, 桁架、壳体或其承载轴向压缩部分中的压缩构件以及其他形式。在下面的讨论中,为了简洁和符合一般用法,柱将与受压构件一词交替使用。
柱子中的主筋是纵向的,与荷载方向平行,由排列成方形、矩形或圆形的钢筋组成. 主要有两种轴心受压构件, 如下图所示:
(1) 配有纵向钢筋和普通箍筋的轴心受压构件(Members reinforced with longitudinal bars and transverse ties)
(2) 配有纵向钢筋和螺旋箍筋的轴心受压构件(Members reinforced with longitudinal bars and continuous spirals)

根据 ACI 规范10.6.1.1,纵向钢筋面积与总混凝土横截面积的比率在 0.01 到 0.08 之间。设置比率下限以确保没有在分析中考虑的弯矩,并减少在持续受压下混凝土的蠕变和收缩的影响; 高于0.08的比率不仅不经济,而且由于钢筋太多,特别是在需要钢筋拼接的地方会造成施工困难。大多数柱的设计比率低于 0.04, 通过使用大直径的钢筋来降低放置成本。根据 ACI 代码 10.7.3.1,当使用纵向钢筋和普通箍筋时,至少需要四根纵向钢筋,当使用纵向钢筋和螺旋箍筋时,则至少需要使用六根纵向钢筋。当使用纵向钢筋和三角形箍筋时,必须至少使用三根纵向钢筋。
2.1 配有纵向钢筋和普通箍筋的轴心受压构件(普通箍筋柱)
普通箍筋柱的承载力主要由混凝土提供,设置纵向钢筋的目的: (1) 协助混凝土承受压力,可减少构件截面尺寸; (2) 承受可能存在的弯矩; (3) 防止构件的突然脆性破坏。普通箍筋的作用是防止纵向钢筋局部压屈,并与纵向钢筋形成钢筋骨架,便于施工。

2.2 配有纵向钢筋和螺旋箍筋的轴心受压构件(螺旋箍筋柱)
螺旋箍筋柱的截面形状多为圆形或正多边形。纵向钢筋外围设有连续环绕的间距较密的螺旋箍筋(或间距较密的焊接环形箍筋)。螺旋箍筋的作用是使截面中间部分(核心)混凝土成为横向可约束混凝土(约束混凝土),从而提高构件的承载力和延性。

配有纵向钢筋和普通箍筋的轴心受压构件按照构件的长细比不同,轴心受压构件可分为短柱和长柱两种,它们受力后的侧向变形和破坏形态各不相同。短柱其强度受材料强度和横截面几何形状的控制, 长柱其强度可能因侧向偏转而显著降低。虽然由于高强度材料的广泛使用和构件方法的改进,长柱现在更为常见,但在普通实践中,大多数柱仍可被视为短柱。
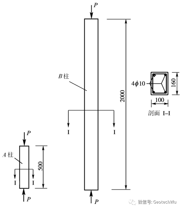
钢筋混凝土轴心受压构件试件,截面尺寸相同、混凝土及纵向钢筋的强度级别相同、纵向钢筋根数及直径相同。构件试件的两端约束条件相同,但构件的几何长度不同,分别为500mm和2000mm。对比试验,观察在轴心压力作用下构件的变形及破坏形态。

轴心受压构件试件(尺寸单位:mm)
3.1 短柱(Short Columns)
当轴向力Ps值逐渐增加时,试件A柱也随之缩短,试验测试结果证明混凝土全截面和纵向钢筋均发生压缩变形,柱中部的横向挠度很小。钢筋混凝土短柱的破坏是一种材料破坏,即混凝土压碎破坏。

轴心受压短柱的破坏形态
a) 短柱的破坏 b) 局部放大图
短柱破坏时的轴心力:

3.2 长柱(Slender Columns)
长细比较大的长柱(试件B柱)破坏前,横向挠度增加得很快,使长柱的破坏来得比较突然,导致失稳破坏。破坏时,凹侧的混凝土首先被压碎,混凝土表面有纵向裂缝,纵向钢筋被压弯而向外鼓出,混凝土保护层脱落;凸侧则由受压突然转变为受拉,出现横向裂缝, 如下图所示。

轴心受压长柱的破坏形态
a) 长柱的破坏 b) 局部放大图
3.3 短柱和长柱的比较
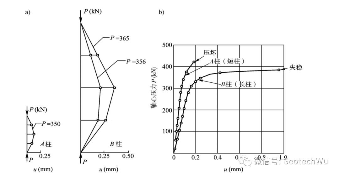
钢筋混凝土轴心受压构件试件对比试验结果比较如下图所示。

轴心受压构件的横向挠度u
a) 横向挠度沿柱长的变化 b) 横向挠度u与轴心压力P的关系
钢筋混凝土轴心受压短柱是受压破坏,而长柱是失稳破坏;长柱的承载力要小于相同截面、配筋、材料的短柱承载力。可以将钢筋混凝土轴心受压短柱的承载力乘以一个折减系数 φ0来表示相同截面、配筋和材料的钢筋混凝土轴心受压长柱承载力 Pl:

Ps---短柱破坏时的轴心压力;
Pl---相同截面、配筋和材料的长柱失稳时的轴心压力。
内容源于网络,如有侵权,请联系删除
相关资料推荐:
知识点:轴心受压构件的正截面承载力计算
0人已收藏
0人已打赏
免费5人已点赞
分享
混凝土结构
返回版块140.17 万条内容 · 2216 人订阅
阅读下一篇
压弯构件在实际工程中的应用1 引言 当轴向压力N的作用线偏离受压构件的轴线时, 这类构件称为偏心受压构件. 压力N的作用点离构件截面形心的距离e0称为偏心距. 截面上同时承受轴心压力和弯矩的构件称为压弯构件. 根据力的平移法则, 截面承受偏心距为e0的偏心压力No相当于承受轴心压力N和弯矩M(M=N*e0)的共同作用, 故压弯构件与偏心受压构件的基本受力特性是一致的.
回帖成功
经验值 +10
全部回复(1 )
只看楼主 我来说两句 抢板凳看一下。。学习下这方面的内容
回复 举报