土木在线论坛 \ 电气工程 \ 电气工程原创版块 \ 浅谈浴室、游泳池电击防护附加保护的分析及应用

浅谈浴室、游泳池电击防护附加保护的分析及应用

发布于:2022-09-16 15:11:16 来自:电气工程/电气工程原创版块 [复制转发]

知识点:附加防护

1

喷水池和游泳池电击防护的相关标准

国内喷水池电击事故频发的原因,主要是不重视GB 16895.19/IEC 60364-7-702《建筑物电气装置第7部分:特殊装置或场所的要求第702节:游泳池和其他水池》的防电击措施所致。

GB 16895.19/IEC 60364-7-702是IEC TC64委员会制定的标准之一;TC64作为一个系统委员会,在国际范围内,为电击防护提出了全面而基础的安全标准。我国作为IEC的正式成员,理应以IEC的安全标准作为国家规范的基础,并应严格执行。

表1是国内标准和IEC标准关于喷水池和游泳池保护措施的比较。由表1对比可见:

图片

a.关于喷水池的电击防护措施,JGJ16—2008和CECS218—2007均存在不满足IEC要求的情况。相对来说,IEC标准强调喷水池“不可进入”,否则,以上除安全特低电压(不大于交流12V或直流30V SELV)以外的所有措施依然有电击致死的风险。同时,IEC标准规定,允许进人的喷水池应按游泳池的措施执行。

b.对游泳池而言,JGJ 16—2008关于1区和2区的电击防护措施有多条不符合IEC的安全要求。

2

电流通过人体的效应

电流对人体的效应主要取决于电流的数值和通电时间的长短;电击致命的最主要因素是心室纤维性颤动。决定心室纤维性颤动阈值的电气参数是电流的持续时间、路径和电流的大小等特性。

由于人体阻抗是许多变量(如电流路径、接触电压幅值、接触表面积、湿润程度、电流持续时间、施加的压力和温度等)的函数,通过人体的电流和接触电压不是线性关系,因此,电流和时间特性图不便于进行电击防护的设计,通常以时间和接触电压允许值作为安全判断标准。IEC/TR 60479-5:2007水湿润条件、大的接触表面积,交流电流(50/60 Hz)对人效应的约定的时间/电压区域见图卩%当电流大于曲线a时,可能发生惊吓反应;曲线b是惊吓反应的下边界,高于它会发生较严重和不希望的生理学效应;当电流超过曲线cl时,有发生心室纤维性颤动的可能性。

根据图1中双手到双脚的cl曲线可知,水湿润条件下长持续时间的交流接触电压阈值为24V。国际标准取25 V作为潮湿环境下的特低电压值。

需要注意,0区不可以应用IEC/TR 60479-5:2007电流通过人体的效应原理口。因为人体浸入水中,导致皮肤阻抗很小,可能低于200。因;人和水的接触面积大,不再局限于标准提到的大、中、小3种接触面积;通电路径复杂,不再是手到脚、手到手和手到臀的3种常规途径。

图片

3

浴室的附加保护

3.1不超过30mA RCD的保护

GB 16895.13-2012/IEC 60364-7-701:2006《低压电气装置第7-701部分:特殊装置或场所的要求装有浴盆或淋浴的场所》第701.415.1条:“在装有浴盆或淋浴器的房间,应采用一个或多个具有额定的剩余动作电流不超过30 mA的剩余电流保护器,对所有的回路提供保护。对下列回路,不要求使用剩余电流保护器:

——采用'电气分隔’的保护措施,且一个回路只供给一个用电设备;

——采用’SELV或PELV'保护措施的回路。

发生间接接触防护时,大多数故障电流沿PE线流过,只有少部分电流通过人体,其中更少的电流流过心脏;而发生直接接触防护时,几乎全部故障电流流过人体,产生更严重的电击效应。

30mA RCD的脱扣区域见图2囱。30mA RCD整个脱扣区域位于心室纤维性颤动cl曲线的左侧;即使全部故障电流通过人体,仍可用于浴室1区、2区(也可用于游泳池2区)的直接接触防护。

3.2辅助等电位联结新要求

GB 16895.13-2012/IEC 60364-7-701:2006第701.415.2条,“应设置按GB16895.21-2011中415.2规定的局部的辅助保护等电位联结,在装有浴盆和/或淋浴器的房间内部,将保护导体与外露可导电部分和可接近的外界可导电部分相连接。

2015年5月发布的IEC 60364-7-701文档注释有一个新变化,拟将辅助等电位联结取消:即"如果未按照411.3.1.2条设置主等电位联结,那么,应按415.2条设置辅助等电位联结。”

该注释强调主等电位联结和不大于30 mA RCD(以上第2.1节不超过30 mA RCD是基本要求)的功能,淡化辅助等电位联结。由于住宅内终端保护电器通常为微断或RCD,其固有的瞬动切断电源时间均在0.1 s以内,因此,不考虑浴室外其他分支冋路自动切断电源时间的不利影响。

图片

图2交流电流对人体效应的约定时间/电流区域和30 mA RCD脱扣区域

(1)场所内所有终端回路已按411.3.2采取自动

(2)场所内所有终端回路按照701.411.3.3选用RCD作为附加保护;

(3)场所内所有装置外导电部分按照411.3.1.2的要求,有效地联结到保护等电位联结。

注:有效地联结到主接地端子可按415.2.2条进行有效性校验。”

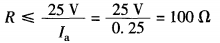
415.2.2的有效性校验见GB 16895.21-2011/IEC 60364-4-41;2005《低压电气装置第4-41部分:安全防护电击防护》第415.2.2条:“如果不能肯定辅助等电位联结的有效性,应判定可同时触及的外露可导电部分和外界可导电部分之间的电阻R是否满足下式要求:

在交流系统内

图片

式中;Ia--为保护电器的动作电流,单位为安(A)。

——对于剩余电流保护器(RCD)为如

图片

——对于过电流保护器为5s内动作的电流。

若按照图1潮湿场所的接触电压阈值,上式中50 V相应改为25V.

实际校验时,Ia应等于

图片

考虑到尽可能快地(t=0.04 s)切断电源,可选取5In的动作电流值(家用带过电流保护的一般型剩余电流动作断路器,当

图片
图片

3.3故障阻抗的估算

金属性线路的故障阻抗一般在毫欧和数欧姆之间,工程施工阶段可以通过实测获得具体数据,设计阶段也可以简单估算。例如:取一个阻抗较大的供电回路,干线10 mn,长度100 m;分支线2.5 mm2,长度50 m。

经查阅相关数据,导体截面为lOmm2和2.5 mm2时,导体电阻R在30度时分别为1.881 1 rnfl/m和7.555 6 mfl/mo其他温度时,导线电阻R1计算:

图片
图片

可见,浴室内釆用30mA RCD进行主保护等电位联结是可靠的,即辅助等电位联结不是必须的。

3.4 RCD的可靠性

浴室的附加保护可以只利用30mA RCD的自动切断电源来实现,RCD的可靠性就显得至关重要。

3.4.1 RCD误动

RCD误动可能造成使用不便,导致用户撤除RCD,换用普通微断。TN系统,正常使用时,应避免过大的PE导体电流使得RCD意外跳闸;TT系统,单个RCD保护一个装置时,RCD应设在装置的起点,除非装置和保护电器之间的部分为Ⅱ类设备。

表2浴室两种附加保护措施比较

图片

3.4.2  RCD拒动

3.4.2.1电子式RCD的电源

“当为RCD供电的电源中性线或相线断线的风险较高时.应满足以下条件:

a) 在以上电源失效时,RCD应提供保护。

b) 装置应仅由受过培训的人员(BA4)或熟练的人员(BA5)操作。”

家庭一般不存在BA4和BA5类人员操作和检查的条件目前的电子式RCD产品不满足第一项要求。例如.电源系统中性线断开的条件下,电子式RCD失去了工作电源;此时,发生直接接触、间接接触等故障,电子式RCD均可能拒动。

3.4.2.2 RCD负载兼容性

针对各种不同的电子设备和开关电源产生的负载电流和剩余电流(尤其是变频器等),F型和B型RCD能检测其负载电流,断开相应回路的剩余电流。

因此,鉴于浴室场所的特殊危险性,浴室内洗衣机回路应选择F型或B型RCD。

表3 A型、F型和B型RCD标志

图片

4

安科瑞RCD产品防漏电解决方案

4.1 ASJ剩余电流动作继电器

ASJ剩余电流动作继电器可与低压断路器或低压接触器等组成组合式剩余电流保护装置,主要适用于交流50Hz,额定电压400V及以下的TT和TN系统配电线路,用来对电气线路进行接地故障保护,防止接地故障电流引起的设备损坏和电气火灾事故,也可用来对人身触电危险提供间接接触保护。

4.1.1 产品型号规格

图片

注1:继电器可设定功能是指用户可通过面板上的拨码开关自行设定继电器上电初始化状态,及继电器的输出状态,具体设定方法请参照表5规定。

4.1.2 技术参数

图片
图片

4.1.3 选用说明

4.1.3.1装置主要应用于系统保护,作为直接电击、间接电击、电器火灾以及分级保护的防护。在直接电击防护中只作为补充防护,此时额定剩余动作电流不超过30mA。

4.1.3.2 下列设备和场所必须安装保护装置:移动式电器设备及手持式电动工具,生产用的电器设备,施工工地的电气机械设备,安装在户外的电器装置等(详见GB13955)。

4.1.3.3 额定剩余动作电流应充分考虑系统正常泄漏电流值。一般不小于正常实测泄漏电流最大值的2-4倍:分支线4倍;支线2.5倍;干线2倍。根据经验公式:

单相回路:I△n≥In/2000(照明)

三相回路:I△n≥In/1000(动力或动力照明混合)式中In为线路最大供电电流。

4.1.3.4 为了保证分级保护动作的选择性,上下级间的电流和时间配合应符合下列规定:I△n1(上级)≥I△n2(下级)

tF(上级ASJ返回时间)>tFa(下级ASJ分断时间),时间差不小于0.2s。一般分支线和末端:30~100mA、≤0.1s;支线:300~500mA、0.2~0.8s;干线:500~1000mA、≤2s。

4.1.4 系统选用说明见表

图片

5.1.2 互感器选用说明

图片

4.1.3 典型应用案例

图片

4.2 AISD系列智能安全配电装置

4.2.1概述

AISD系列智能安全配电装置是安科瑞电气有限公司专门为低压配电侧开发的一款智能安全用电产品,本产品主要针对低压配电侧人身触电安全事故、线路老化、漏电引起电气火灾等等常见隐患而设计。

产品主要应用于学校、教育机构、医院、疗养院、康复中心、敬老院、酒店娱乐、商场商铺、企事业单位、家庭电器等各类低压用电的场合。

4.2.2功能特点

(1)供电稳定性。负载端发生单相接地故障,装置报警,系统可持续供电,不会切断电源。

(2)供电安全性。装置可以把系统的漏电流限制在很小的级别,人体无意触碰到供电线路,不会造成触电事故。

(3)限流灭弧。系统发生短路故障,装置能快速切断电源,不会出现电弧火花。

(4)过载保护。装置监测到系统过载,可以及时切断电源,避免因过载引起线路故障。

(5)电压监测。装置实时监测系统电压,发生过、欠压时,发出报警信号,可以设置是否切断电源。

(6)报警功能。在系统发生短路、过载、欠压等异常时,装置发出声光报警信号,提醒相关人员。

(7)事件记录。装置存储30条事件记录,可供用户查询。

(8)通讯功能。装置配置RS485通讯接口,Modbus-RTU协议,可以远程读取相关数据。可选配无线通讯模块,无线方式将数据发送到云平台。

4.2.3命名规则

图片

注:装置面板显示基础型号,具体型号详见产品外壳接线图

4.2.4技术指标

图片

4.2.5外形及安装尺寸

4.2.5.1外形和尺寸

AISD100-1智能安全配电装置1kVA和3kVA容量的外形与安装尺寸如下图所示:(单位:mm)。其他容量的外形与安装尺寸以实际为准。

图片

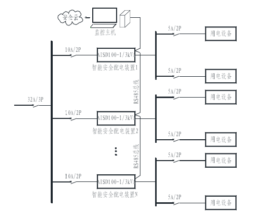
4.2.6典型应用

4.2.6.1典型接线图

图片

说明:若实际项目中选配无线通讯模块,则无需布设通讯线,直接连接云平台。

5

结语

浴室和游泳池等场所的电击防护涉及千家万户的用电安全,根据一般人员使用特点,应按照防护分区采取附加保护措施:

a.浴室内所有回路均采用不大于30mA RCD,且主保护等电位联结有效性满足时,辅助等电位联结的附加保护可以忽略。

b.浴室和游泳池区域应推广使用满足负载兼容性的RCD,浴室内洗衣机回路应选择F型或B型RCD。

c.当电源中性线断开,电子式RCD可能拒动,可推广使用带功能性接地(FE)的RCD,确保发生接地故障时能可靠动作。

d.游泳池防护区内应设置辅助等电位联结,其目的是:泳池边消除电位差;泳池内降低电压梯度。

e.游泳池等电位联结线应选用不小于10 mm2的裸铜导体,避免电化学反应腐蚀;辅助等电位联咨的测试不可忽视。



相关推荐链接:

1、大桥基础防护工程施工图(9张)

2、[节点详图]双扇防护密闭门门框墙配筋图



全部回复(0 )

只看楼主 我来说两句抢沙发
这个家伙什么也没有留下。。。

电气工程原创版块

返回版块

2.2 万条内容 · 596 人订阅

猜你喜欢

阅读下一篇

电路的接地问题好好说一说!

知识点:接地电路 接地是电路设计中最基础的内容,但又是几乎没人说得清的,几乎每次的培训和交流都会有人问到“老师,有没有一种通用的接地方法可以参考啊?”如果想知道这个问题的答案,请继续耐着性子读下去。我先给出一个斩钉截铁的答案:“没有”。那咋办呢,我们总不能像中国的厨师一样,教徒弟炒菜时,用到的配料都是“少许”“颜色微黄”“微焦”等感觉性词语吧,当然不是。为了更好的明了接地的技巧方法,下文中将不再讲究任何的文字技巧,而是一针见血的道出接地问题的本质来。

回帖成功

经验值 +10