土木在线论坛 \ 电气工程 \ 电气工程原创版块 \ 电路的接地问题好好说一说!

电路的接地问题好好说一说!

发布于:2022-09-16 15:08:16 来自:电气工程/电气工程原创版块 [复制转发]

知识点:接地电路

接地是电路设计中最基础的内容,但又是几乎没人说得清的,几乎每次的培训和交流都会有人问到“老师,有没有一种通用的接地方法可以参考啊?”如果想知道这个问题的答案,请继续耐着性子读下去。我先给出一个斩钉截铁的答案:“没有”。那咋办呢,我们总不能像中国的厨师一样,教徒弟炒菜时,用到的配料都是“少许”“颜色微黄”“微焦”等感觉性词语吧,当然不是。为了更好的明了接地的技巧方法,下文中将不再讲究任何的文字技巧,而是一针见血的道出接地问题的本质来。


接地方式←接地目的←接地的功能,所以采取哪种接地方式,要看地是哪类地,这类地的作用目的是什么,这两个问题解决了,接地方式则可水到渠成。接地的目的决定了接地方式。同样的电路,不同的目的,可能都要采取不同的接地方式。这个观点一定记住。比如同样的电路,用在便携设备上,静电累积泄放不掉,接地的目的是地电位均衡;用在不可移动的设备上,一般会有安全接地措施,对静电泄放的接地目的是导通阻抗足够低,尤其是对于尖峰脉冲的高频导通阻抗。

一下讲解地的注意事项分成几个独立的观点分别介绍,每一条的内容虽然简单,建议一定反复读上N遍,象面对一杯好茶,让心跳在60bpm以下的状态,细细的品,感觉其中的美感和内涵。然后才可能从简单的词语中悟出深刻的道理来。

1、 从性能分,接地分成四类:
安全接地、工作接地(数字地、模拟地、功率器件地)、防浪涌接地(雷击浪涌、上电浪涌)、防静电接地。前文书中讲过,“接地的目的决定了接地方式”,目的即指其实现的功能。基本上所有的接地都可以归结到这四类里面来。每个接地前都要先明确该接地属于哪一种。

2、 接地追求的目标是地阻抗低、地稳定、地均衡。
地阻抗低很好理解,用粗的线缆即可,但有一个问题一定不能忽视,比如我通过一个大电感接地了,如果地线上跑的地电流的波动频率是0.00000001Hz,这个大电感的感性效应表现得就很不明显,等同于直接接地了,但如果波动电流是1000000Hz的话,感抗=j ω L=j 2 π f L,就显得很大了,这种情况下,相当于高频接地很差。各位看官可能会说了,你胡来吧你,谁会用个大电感接地呢,第一是在某种状态下会有这种方式的,第二是即使不这样接个电感,普通电缆的走线电感在高频下也是不容忽视的。总结为一句话,低频接地 ≠ 高频接地。即低阻抗的接地要分析是属于高频还是低频的接地。
地稳定是比较好理解的,一般来说,接地阻抗足够低的话,地电流泻放容易,且不会在底线上产生啥子压降,就如一个超大的电容,电荷的海洋,具有无限宽广的胸怀,多少进来都波澜不惊。地均衡比较容易被忽视,对于一个信号来说,有用部分是两条线上的压差,如果地线漂移了,两条线上对地线的压差同等的上升或下降,即差模电压值维持不变,共模电压发生变化,其实电路功能是照常实现的。就像水涨船高,您比我高3cm,站在船上,船上浮了,您依然还是高我3cm。这种情况在静电防护的时候常用到,一个静电脉冲通过空气打到电路板上,针对局部的电路,距离远近的不同,肯定会导致产生静电感应的压差。这时候用一块金属板隔一下的话,即使该金属板浮空,对金属板后面的电路板来说,感应的将是均匀的电场,虽然感应干扰仍然存在,但起码电路上是基本均衡的。当然如果此金属板接地更好啦。当然共模电压一般不会维持住,因为传输线的阻抗不均匀,往往会转成差模电压干扰,地均衡的问题最好不要让我们面对,但没办法的时候,如浮地设备,不得不受到静电冲击的电路板,防护时候要考虑地均衡问题。

3、 共地阻抗耦合干扰
共地阻抗耦合干扰是接地里面每天都要面对的核心问题,并且几乎逃避不开。就像电影院里散场的时候,你从最里头的一号厅出来,没几个人,走来很通畅,突然二号厅也散场了,一下子通道就拥挤了,再继续前行,坏了,三号厅正在放观众入场,一下子,人流就波动起来了。这和共地阻抗是一个原理,通道相当于地线,人相当于电流。如果一、二、三号厅流动的人差不多,相互之间影响不太大,但如果3号厅是大厅,人员是一、二号厅的好多倍,那进出三号厅的人员将会对一、二号厅人员流动速度的影响很大。一、二、三号艇的客人都要走过的这段路就成了共地阻抗。

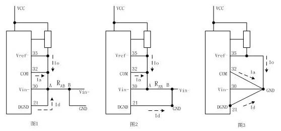
以下图为例,图1中,RAB段的电阻就是共地阻抗部分,流过这段的地电流Io、Ia、Id三部分在这段会相互影响;如果这三个电流差别较大,差出了1-2个数量级的话,相互之间的影响就不可以忽视了,尤其是某个弱地电流支路是用于定量测量、放大或AD转换电路的时候;图2则把Id对另外两个之路的影响隔离掉了;图3则是三个地电流全部分别隔离了。


图片


4、较通用型的接地方法
这个标题用了个“较”字,是有原因的,因为通用的接地方法根本不存在,这只是个基础的模型,真正使用中的时候,还需要结合实际情况灵活变通处理,就像语言,同样一句话“你讨厌”,用不同语气讲出的时候,传递的信息可是千差万别。基本思路是,在设计上,把安全保护地、工作数字地、工作模拟地、工作功率地、雷击浪涌地、屏蔽地先确保各自独立的单独连接,最后在系统联调的时候,再根据各地之间要解决的问题,即根据接地的目的,将这几个地按照下列的之间的联接方式处理下,连接方式包括:

a地——地间黄绿导线直联
这种接法最好理解,就是简单的使两个地可靠的低阻抗导通。但切记,此种接法仅限于中低频信号电路地之间的接法。因为这类导线上有一定的走线电感和走线电阻,对高频波动地电流,在电感作用下,电缆起到的是大阻抗的作用,相当于低频接地,高频下大阻抗接地了,基本不能实现高频下的可靠导通。

b地——地间宽扁平电缆直联
扁平电缆主要是解决上面导线直联不能解决的问题,静电测试工作台的接地电缆不用直线就是这个道理,它在高频下可以实现地阻抗对地导通。

c地——地间大电阻连接
大电阻的特点是一旦电阻两端出现压差,就会产生很弱的导通电流,把地线上电荷泻放掉之后,最终实现两端的压差=0V,这个特点在希望电荷泻放,但又不希望快速泻放的时候,会表现得淋漓尽致。生产工作现场的防静电台垫,导通电阻一般是106-109欧,就是这个目的。防静电台垫相当于是工作电路板的地与保护大地间的大电阻。c地——地间电容连接 电容的特性是直流截止,交流导通,对希望实现这类功能的场合可以考虑采取此方法。比如一个开关电源供电的产品,外壳和保护接地连接,里面的电路板上的地有杂乱波动干扰,但又无处泻放的话,在24V、12V、5V等的直流电源地与保护接地间跨接大电容,波动可以被泻放掉,但直流成分能保证是较稳的;注意,这种情况下,保护地和外壳地的稳定不能保证的话,效果可能会适得其反哦。

d地——地间磁珠连接
在这里,磁珠的特性需要明确一下,很多工程师经常把磁珠与电感划等号,这是根本性错误。磁珠等同于一个随频率变化的电阻,它表现的是电阻特性,是耗损性质的;电感则是储能性质的,相当于销峰填谷。所以跨接磁珠的地之间一般是有快速小电流波动的状态,因为磁珠会饱和,电流太大了,它消耗不了。一般用在弱信号的地——地之间。

e地——地间电感连接
电感具有抑制电路状态变化的特性,通过电感的连接,可以销峰填谷,对于有较大电流波动的地——地,跨接电感可以解决这个问题。

f地——地间小电阻连接
小电阻要解决的问题是增加了一个阻尼,阻碍地电流快速变化的过冲,在电流变化时候,使冲击电流上升沿变缓,相当于晶振输出端、总线输出端为减少过冲振铃的匹配电阻。

5、 安全地、防雷击浪涌接地的接法
因为雷击浪涌、安全地的电流一般会远大于信号电流对人的危害,这两个接地建议分别单独接到大地,在真正的大地处单点相接,尤其是防雷击接地。
这篇文章耗时大约月余,各种思路一直盘旋于心,却有无从做起,在我的身上,也印证了接地这个问题与我们的关系,最熟悉又最陌生,最简单又最复杂,最易上路又最难达到终点。希望通过粗浅的总结,为我们浮在云里雾端的接地设计提供一个落地的云梯,使接地的设计真正能接到地气上来。


相关推荐链接:

1、300千瓦光伏设计图纸(电路及接地)

2、滤波器的概述、佐贝尔电路、测试、PCB布局与接地



全部回复(0 )

只看楼主 我来说两句抢沙发
这个家伙什么也没有留下。。。

电气工程原创版块

返回版块

2.2 万条内容 · 596 人订阅

猜你喜欢

阅读下一篇

防止潜水排污泵电机进水很重要

知识点:防潜水 潜水排污泵是一种污水泵,其的水泵与电机是连体的,而且能同时潜入液下工作,潜水排污泵的叶片比较少,流道比较宽,具有结构紧凑、占地面积小等优点,而且,对于各种生活污水、工业废水、建筑工地排水、液状饲料等都可以输送。      潜水排污泵的使用要比一般泵长,而且也不会出现汽蚀破坏及灌引水等问题,此外,潜水排污泵还具有振动噪声小,电机温升低,对环境无污染等特点。我想大家都知道,潜水排污泵的电机需要潜水工作的,所以,预防电机进水就成为了以很关键的事项,因为如果电机进水了,不仅会对轴承、绕组绝缘产生损坏而造成电机烧毁,而且还会增加检修费以及检修时问,进而对生产产生影响,所以,避免电机进水是非常重要的。

回帖成功

经验值 +10