盖梁是钢筋混凝土柱式墩台的主要受弯构件,在构造上钢筋混凝土盖梁是与墩柱直接连接在一起。当钢筋混凝土盖梁的跨高比l/h为2.5<l/h ≤5时,钢筋混凝土盖梁应作为深受弯构件(短梁)进行承载力计算。盖梁的计算跨径 l取盖梁支承中心(同一盖梁下相邻两柱中心)之间的距离。

柱式墩台示意图
2 深受弯构件(短梁)的计算
2.1 正截面抗弯承载力计算
钢筋混凝土盖梁作为深受弯构件(短梁),正截面抗弯承载能力Mu及满足设计要求的计算式:

2.2 斜截面抗剪承载力计算
钢筋混凝土盖梁按深受弯构件(短梁)的斜截面抗剪承载力计算的公式并应满足:

影响深受弯构件截面承载能力的主要因素为截面尺寸、混凝土强度等级、跨高比、箍筋配筋率和纵向钢筋配筋率。应该注意的是,作为短梁设计计算的钢筋混凝土盖梁的纵向受拉钢筋,一般均应沿盖梁长度方向通长布置,中间不要切断或弯起。
按深受弯构件(短梁)计算的钢筋混凝土盖梁,依具受剪要求,其截面尺寸应符合下式要求:

2.3 最大裂缝宽度验算
按式(9-24)进行验算,其中的系数c3改为

l 和 h分别为钢筋混凝土盖梁的计算跨径和截面高度。
3 悬臂深受弯构件的计算(拉压杆模型)
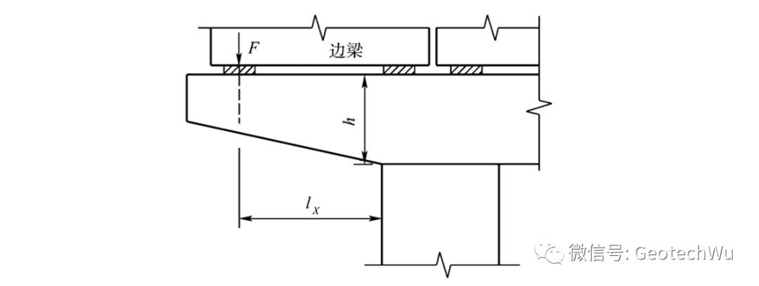
当外边梁的作用点至柱边缘的距离lx 等于或小于盖梁截面高度h 时,这时应按悬臂深受弯构件计算。

钢筋混凝土盖梁外悬臂示意图
3.1 悬臂深受弯构件的拉压杆计算模型

盖梁外悬臂深梁的拉压杆计算模型
拉杆是纵向受拉钢筋、受压的混凝土为压杆,相应于集中力作用点的位置和墩柱中心位置分别为拉压杆模型的节点。
3.2 钢筋混凝土盖梁的悬臂深梁正截面承载力计算

钢筋混凝土盖梁外悬臂深梁的截面配筋计算:
①按照盖梁在柱顶段截面抵抗负弯矩设计的受拉钢筋位置得到截面有效高度、内力臂和已知的盖梁悬臂部分竖向力设计值,计算出拉力设计值。②由式(11-6)求钢筋混凝土盖梁的悬臂深梁所需的截面纵向受拉钢筋数量为

3.3 钢筋布置的构造要求
对钢筋混凝土悬臂深梁,可以由拉压杆模型等得到纵向受拉钢筋的数量,重要的是纵向受拉钢筋的锚固长度或锚固构造必须满足要求以避免锚固失效情况的发生,还需按构造配置一定的分布钢筋,以控制压杆裂缝的宽度。
(1) 纵向受拉钢筋宜采用HRB400级钢筋
宜将钢筋混凝土盖梁在柱部位的纵向受力钢筋沿悬臂深梁顶部水平弯入悬臂深梁,作为悬臂深梁纵向受拉钢筋来使用,全部纵向受力钢筋宜沿悬臂深梁外边缘向下伸入柱内150mm后再截断。
(2) 水平与竖向箍筋
外悬臂深梁应设置水平箍筋。水平箍筋直径宜取用6~12mm,间距宜取用100~150mm,且在悬臂深梁上部2h0/3的范围内的水平箍筋总截面面积不宜小于承受竖向力的纵向受拉钢筋截面面积As(不计入水平拉力所需纵向受拉钢筋)的1/2。
外悬臂深梁还应设置竖向箍筋,以与水平箍筋形成钢筋网格。竖向箍筋直径可取与水平箍筋相同直径,其间距不大于300mm。
(3) 弯起钢筋

悬臂深梁的钢筋构造(尺寸单位:mm)
试验表明,弯起钢筋对悬臂深梁的抗裂性能影响不大,但对限制斜裂缝开展的效果较显著。当悬臂深梁的剪跨比a/h0≥0.3时,宜设置弯起钢筋。弯起钢筋宜采用HRB400级钢筋,并宜使其与集中荷载作用点和牛腿斜边下端点连线的交点位于悬臂深梁上部l/6~l/2的范围内(图11-13),l 为该连线的长度,其截面面积不宜小于承受竖向力的纵向受拉钢筋截面面积As(不计入水平拉力所需的纵向受拉钢筋)的1/2,根数不少于2根,直径不宜小于12mm。纵向受拉钢筋不得兼作弯起钢筋。
内容源于网络,如有侵权,请联系删除
相关资料推荐:
知识点:桥梁墩台盖梁承载力计算
0人已收藏
0人已打赏
免费3人已点赞
分享
混凝土结构
返回版块140.17 万条内容 · 2216 人订阅
阅读下一篇
预加应力的方法与设备1 引言 在结构中施加与工作或服务荷载所造成的相反性质的内部应力,被称为预应力混凝土。预应力(Prestressing)已经在各种结构中使用了很多年。预应力混凝土是由Eugene Frevssinet在1928年首次发明的,用来克服混凝土的低抗拉性能。 2 先张法 先张法(Pre-tensioning)是先张拉钢筋,后浇筑构件混凝土的方法, 如下图所示. a) 预应力钢筋就位,准备张拉; b) 张拉并锚固,浇筑构件混凝土; c)松锚,预应力钢筋回缩,制成预应力混凝土构件.
回帖成功
经验值 +10
全部回复(0 )
只看楼主 我来说两句抢沙发