1. 当纵向拉力作用线与构件截面形轴线相重合时,此构件为轴心受拉构件。当纵向拉力作用线偏离构件截面形心轴线时,或者构件截面上既作用有拉力,同时有弯矩时,则为偏心受拉构件。受拉构件相关文档如下:
强度折减系数(Strength Reduction Factor)小结
2. 钢筋混凝土受拉构件的箍筋配置: 箍筋直径不小于8mm,间距一般为(150~200) mm。
3. 轴心受拉构件的受力特性: 在混凝土开裂以前,混凝土与钢筋共同负担拉力。当构件开裂后,裂缝截面处的混凝土已完全退出工作,拉力全部由钢筋承担。当钢筋拉应力到达屈服强度时,构件也到达其极限承载能力。
4. 轴心受拉构件一侧纵向钢筋的配筋率应按毛截面面积计算.
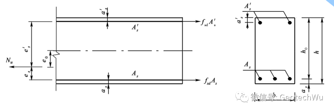
5. 钢筋混凝土偏心受拉构件类型:当偏心拉力作用点在截面钢筋 As 合力点与 A's 合力点之间时,属于小偏心受拉情况。当偏心拉力作用点在截面钢筋 As 合力点与 A's 合力点范围以外时,属于大偏心受拉情况。
6. 矩形截面偏心受拉构件,当偏心距 e0≤(h/2-as)时,按小偏心受拉构件计算。

内容源于网络,如有侵权,请联系删除
相关资料推荐:
知识点:受拉构件的承载力计算
0人已收藏
0人已打赏
免费3人已点赞
分享
混凝土结构
返回版块140.17 万条内容 · 2216 人订阅
回帖成功
经验值 +10
全部回复(0 )
只看楼主 我来说两句抢沙发