T梁的预制施工属于桥梁工程中比较常见的一种施工工艺了,很多网友对于它的施工步骤却相对模糊,今天就从T梁预制的施工准备阶段开始说起,和大家一起来学习一下T梁预制施工的开始到结束我们都需要注意哪些内容!
一、施工准备
1、拌和站建设
拌和站应合理划分为生活区、拌和作业区、粗细集料区、材料库及运输车辆停放区,并现场悬挂平面布置示意图。

拌和站的所有场地必须进行砼硬化处理,要求使用20cm厚片、碎石垫层,12~15cm厚的C15砼作为面层。场地硬化按照四周低,中心高的原则进行,面层排水坡度不应小于1.5%,场地四周应设置排水沟,排水沟底面采用M7.5砂浆进行抹面,做到雨天场地不积水、不泥泞,晴天不扬尘 。
拌和站应采用封闭式管理,四周设置隔离设施,进出场设置大门 。
所有拌和站必须达到四仓式自动计量标准,粗集料按4.75mm~13.2mm、13.2mm~19mm、19mm~31.5mm三种粒级进行采集和掺配,若是梁片预制的专用拌和站可只配备4.75mm~13.2mm、13.2mm~19mm两档料仓。
拌和机操作房前醒目位置应悬挂砼配合比标识牌,标识牌采用镀锌铁皮制作,尺寸0.6 m×0.8m,白底红框黑字,油漆喷涂确保不褪色,数字采用彩笔填写,字迹工整清晰。标识牌内应包括以下内容:砼设计与施工配合比(含外加剂),粗细骨料的的实测含水量及各种材料的每盘使用量等。

凡用于梁片预制的砂石料应按拌和站配料要求,不同粒径、不同品种分仓存放,不得混堆或交叉堆放,分料仓应采用“37”墙砌筑1.5m高,采用石灰或水泥砂浆抹面,仓内地面设向外不小于4%的地面坡度,分料墙下部预留孔洞,严禁积水 。

砂石料应进行材料的质量检验状态标识,每个料仓均要设置标识牌。
料仓的容量应满足最大单批次砼连续施工的需要,并留有一定的余地,另外还应满足运输车辆和装载机等作业要求。
桥梁上、下部结构用碎石应采用反击破碎石。砼用碎石使用前应用水冲洗,确保在不污染情况下方可用于施工。
2、预制场建设
预制场选址与布置要经过多方案比选,功能区规划合理,现场悬挂预制场平面布置示意图,示意图中应说明预制梁场的建设规模、桥梁名称、台座数量、梁片的型式及数量 。
场地全部采用C15砼进行硬化,砼厚度不小于10cm,并设置完善的排水措施 。

场地内必须根据梁片养生时间及台座数量设置足够的梁体养生用的自动喷淋设施,喷淋水压加压泵应能保证提供足够的水压,保确保梁片的每个部位均能养护到位,尤其是翼缘板底面及横隔板部位。养护用水需进行过滤,避免出现喷嘴堵塞现象。

反拱度设置和分配应满足设计和线形要求;台座的侧边应顺直,要有防止漏浆的有效措施 。台座要满足不同长度梁片的制作,台座两侧用红油漆标明钢筋间距 。预制台座间距应大于2倍顶板模板宽度,以便吊装模板。预制台座数量应根据梁板数量和工期要求来确定,并要有一定的富余度。


侧模加劲竖梁宽度要小于翼缘环形钢筋的设计净距,间距应根据翼缘钢筋间距设置,确保不影响翼缘环形钢筋安装 。

有横坡变化的T梁翼缘板模板应设置螺丝螺杆,确保能根据设计要求进行横坡调整,吊装后保持横坡平顺。
翼缘梳形模板应设置加劲肋,确保浇筑砼时模板不变形、不跑模 。

负弯矩张拉槽必须使用梳形模板,可内焊四根加劲钢筋进行支撑防止变形,待梁体混凝土初凝后即可拆除 。

T梁横隔板底模不应与侧模联成一体,必须采用独立的钢板底模,以保证在先拆除侧模后,横隔板的底模仍能起支撑作用,直至张拉施工后才能拆除,避免横隔板与翼缘、腹板交界处出现因横隔板过早悬空而产生裂纹,同时模板数量应满足施工需要。

T梁横隔板底模不应与侧模联成一体,必须采用独立的钢板底模,以保证在先拆除侧模后,横隔板的底模仍能起支撑作用,直至张拉施工后才能拆除,避免横隔板与翼缘、腹板交界处出现因横隔板过早悬空而产生裂纹,同时模板数量应满足施工需要。
推广使用移动式钢筋棚用于钢筋、钢绞线等材料存放,满足材料存放、防雨防潮、通风的要求,禁止钢材露天堆放或仅用彩条布等简单覆盖 。

棚内地面应用5cm厚C15砼进行硬化,有车辆行驶区砼硬化厚度为12~15cm,棚内按照其使用功能分为:原材料堆放区、钢筋下料区、加工制作区、半成品堆放区,钢筋要离地20cm以上 。

在加工制作区应悬挂各号钢筋的大样设计图,标明尺寸、部位,大样图规格应为30×42cm(A3纸),确保下料及加工准确 。
各种原材料、半成品或成品应按其检验状态与结果、使用部位等进行标识 。钢筋、钢绞线棚必须建立材料调拨台帐,使之具有可追溯性。
二、预制T梁施工
1、施工前提条件

△T梁钢筋定位架
2、钢筋

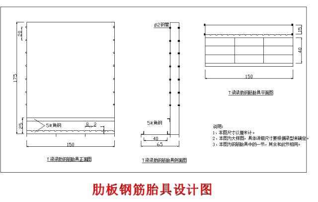
肋板钢筋绑扎采用竖向平台定位绑扎法绑扎,在水平混凝土地面上,制作肋板竖向间距槽,间距槽采用角钢切槽,长度按照设计图肋板长确定。竖向筋按照间距槽摆放,并穿入横向筋固定,横向筋间距由横向间距架固定。

△横隔板钢筋定位架

△横隔板钢筋整体制作

△翼缘环形钢筋定位辅助措施

△与波纹管冲突的钢筋安装

△面板钢筋安装制作
面板钢筋也可整体绑扎好后再进行吊装。加工平台根据设计图纸固定间距槽,间距槽采用8# 圆钢以疏筋形式焊制,再将半成品钢筋摆放于平台钢筋间距槽内进行绑扎。钢筋面板制作平台外侧按照翼缘环形钢筋位置固定一根纵向钢管,以保证环形钢筋整齐。


△防撞护栏预埋钢筋

钢筋的保护层垫块推广使用梅花形高强度砂浆垫块,确保垫块能承受足够压力而不破碎,绑扎牢固可靠,纵横向间距均不得大于0.8m,梁底位置不得大于0.5m,确保每平方米垫块数量不少于4块 。
支座预埋钢板必须进行热浸镀锌防锈处理。由于采用U型锚筋与镀锌钢板直接平焊极易引起支座预埋钢板平面变形,支座预埋钢板的锚脚连接筋焊接应采用夹具焊接,将镀锌钢板加固于夹具上,在夹具与镀锌钢板中间接触位置垫支3~5mm薄钢片,在加固镀锌钢板时预留出反拱,待焊接完成拆除夹具时,镀锌钢板可恢复成平直形式;或是采用钻孔焊接,防止焊接钢板时弯曲变形。

△端头底部模板止浆措施
3、模板
对梳形板、预留孔洞、拼接缝等易漏浆部位采取有效的堵浆措施,确保模板不漏浆,推荐采用强力胶皮或泡沫填缝剂止浆 。

△外侧钢筋周围采用高强橡胶止浆条止浆

△翼缘梳形板止浆措施
4、波纹管、锚垫板
在钢筋绑扎过程中,应根据设计精确固定波纹管和锚垫板位置,波纹管U型定位筋必须敷设,每40~60cm设置一道,不得缺省 。

冷轧薄钢带卷制的波纹管厚度不宜小于0.35mm。波纹管的连接应采用管长200mm的大一号同型波纹管作接头管,接头长度不低于规范要求,并在波纹管连接处用密封胶带封口,确保不漏浆。

端部负弯矩预应力波纹管预留长度5~10cm,不得过长或太短,并包裹进行保护,以便吊装后进行连接 。


圆形波纹管在浇筑前应穿入比波纹管内径小1cm的塑料软管,负弯矩波纹管穿入四根小塑料软管,防止波纹管挤压变形、漏浆,确保在进行预应力施工时的质量。塑料衬管应在砼初凝后及时抽出 。

必须按以下顺序施工负弯矩预应力:吊装后先接好负弯矩预应力波纹管——再绑扎横向湿接头钢筋——浇捣横向湿接头砼——湿接头砼强度达到后才能穿负弯矩预应力钢绞线—最后张拉。

5、混凝土
在梁体混凝土振捣浇注完成后,采用木抹子对梁顶进行抹光,初凝之前再进行二次收浆处理,最后用扫帚拉毛。这样可以使T梁混凝土与桥面铺装混凝土更好的连接起来,加强混凝土质量 。

要避免振动器碰撞预应力管道、预埋件、模板,对锚垫板后钢筋密集区应认真、细致振捣,确保锚下砼密实 。

梁片的预制要有同条件养生试块,试块要放置在梁片的顶板上,与该梁片同时、同条件养生 。
6、预应力
(1) 张拉前的砼养生时间及强度控制:砼强度应不小于设计规定值,T梁时间必须遵从设计规定。
(2) 梁体预制完成后,出坑时间一般不少于10天,存梁时间不宜超过2个月。
(3) 张拉前先做好千斤顶和压力表的校验与张拉吨位相应的油压表读数和钢丝伸长量的计算,尤其对千斤顶和油泵进行仔细的检查,保证各部分不漏油并能正常工作。
(4) 张拉采用油表读数与伸长量双控制的方法,如果预应力筋的伸长量与计算值超过6%,要找出原因,可以重新进行校顶和测定预应力筋的弹性模量。
(5) 钢束的张拉采用两端同时对称张拉,对长索更应严格控制,张拉顺序按设计要求进行,原则上的顺序为:先上后下,先中间后两边,应对称于构件截面的竖直轴线。
(6)目前使用的锚具基本为夹片式等具有自锚性能的锚具,张拉程序应根据预应力筋的松弛级别来选用张拉程序:当为普通松弛级的力筋时,其张拉程序为0→初应力→1.03σcon;当为低松弛级的力筋时,若在设计中预应力筋的松弛损失取大值,其张拉程序为0→初应力→σcon(持荷2min锚固)。
(7)设计控制张拉应力σcon应是扣除所有损失后的值,如设计中个别影响因素未予考虑且未在设计文件中明确指出,则在施工中是否采取超张拉应与设计单位协商并根据实际情况确定,如目前设计一般未考虑锚圈口摩阻损失,在正式张拉之前应通过试验来确定锚具的磨阻损失。
(8)预应力钢绞线在张拉控制力达到稳定后方可锚固,端头多余钢绞线切除必须使用用砂轮机,严禁用电弧焊切割。锚具应用混凝土保护,当需长期外露时,应采取防止锈蚀措施。

注意对预应力钢绞线原材料以及穿入张拉管道后的保护,采取覆盖、包裹塑料布等防止锈蚀的措施 。不得在钢绞线原材存放场地及已穿钢绞线的T梁端部附近进行焊接作业,防止焊渣溅落到钢绞线上。
7、压浆
(1) 张拉结束后,立即进行压浆,压浆具体要求应按规范执行。
(2) 采用的水泥质量应经严格检验合格后方可用于压浆。
(3) 压浆作业过程,最少每隔3小时应将所有设备用清水彻底清洗一次,每天用完后也用清水进行冲洗。
(4) 压浆过程及压浆后2天内气温低于5℃时,在无可靠保温措施下禁止压浆作业。温度大于35℃不得拌和或压浆。
(5) 水泥浆压注工作应在一次作业中,连续进行,并让出口处冒出废浆,直至不含水沫气体的废浆排出,其稠度与压注的浆液相同时停止。
8、封锚

孔道压浆后应立即将梁端水泥浆冲洗干净,同时清除支承垫板、锚具及端面砼的污垢。推荐封锚砼在梁架好后立模施工。

凡是湿接缝部位,拆模后立即用专用凿毛机进行凿毛。
9、外观质量
预制时应将伸缩缝预埋筋、泄水孔、防撞护栏预埋筋、吊梁孔(环)、钢束孔道等设计要求的预埋件全部按位置准确装好。

梁体砼表面平整、光滑、色泽一致、无明显模板接缝、无漏浆、无蜂窝、麻面等缺陷,水泡气泡小且少,外观线条顺畅,边梁翼板边缘线顺直、平整 。
三、安全文明
施工现场应在显著位置悬挂质量管理、安全警示、廉政监督、工程责任人等标牌、标语。工作人员应持证上岗,挂牌作业。


各工点的配电箱一律采用铁制,配电房封闭管理,坚持一机一闸用电 。

用电安全:

施工现场应封闭管理,与工程建设无关的人员严禁入内 。

现场必须配备简易爬梯,上下方便,便于施工、检查 。

严格按规定期限和程序顺序拆卸模板,不得野蛮拆卸模板,造成啃边、掉角 。

存梁区T梁应用木条支撑到位,斜撑应设于翼板根部,不能撑于翼板外缘,或使用特制的钢支撑架,防止倾覆。梁片堆放高度不超过两层 。

四、桥梁预制标准化实例




1、现场标准
















相关资料推荐:
https://ziliao.co188.com/d62787263.html
知识点:高速公路的T梁预制施工
0人已收藏
0人已打赏
免费3人已点赞
分享
道路工程
返回版块15.09 万条内容 · 689 人订阅
阅读下一篇
高边坡病害防治,有原因有对策!高边坡是将地质体的一部分改造成为人为工程设施,因此其稳定性取决于边坡所在地质体的地质条件与人为改造的程度。高边坡病害已引起大家的重视,只要认真细致地把地质和工程有机结合,是可以防止其变形破坏的。本文为知名滑坡防治专家王恭先总结的高边坡病害及其防治对策,供大家学习。
回帖成功
经验值 +10
全部回复(0 )
只看楼主 我来说两句抢沙发