《建筑电气设计疑难点解析及强制性条文》

《建筑设计防火规范》GB 50016-2014(2018年版)


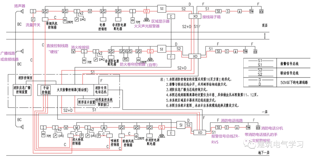
注:13条文不包括消火栓泵系统,即一个建筑有消火栓泵,不是必须上火警系统,此时设置的消火栓启泵按钮可以直接通过消火栓泵控制箱启泵。假如上了火警系统,那么消火栓启泵按钮通过火警主机启泵。



《建筑电气设计疑难点解析及强制性条文》






《2020 建筑工程设计常见问题汇编-电气篇》


《火警规范图示》14X505-1









树形每个防火分区都要设短路隔离器,环形两个交界处设一个即可。








建筑即使有消火栓,也可以不上火警系统

防火门,排烟窗、防火卷帘门等都不需要手动控制盘控制
只有联动形的才有手动控制盘,区域形的没有。




1、这里的线形C为手动控制盘硬线,工程中只包括消防风机和消防泵,不包括排烟风机中的阀门和灭火系统中的流量开关压力开关控制。
2、一个建筑上了消火栓,也可以不上火警系统。
3、一个建筑上了消火栓,但本地没有消防泵或火警系统,则无需上消火栓启泵按钮。
4、一个建筑只要上了需要火警联动的设备,就需要集中火警系统,哪怕只有一个需要联动的设备。
5、没有火警的建筑也无需上火灾图形显示盘。
6、压力开关流量开关,这个只要水上了,它就一定和水泵的控制箱之间是一个直接启动的关系。流量开关和压力开关,它们和水泵的控制箱之间也有一根控制线。高位水箱流量开关 出水干管压力开关 要直起消火栓泵 所以是直接连泵的控制箱的
7、I/O模块可以不放箱子里,就近在配电箱旁放置。
8、模块箱可以不放弱电间里,可以就近放置。
9、S1是纯消防总线,线形ZR-RVS
10、S2是混接联动设备的联动总线,线形ZN-RVS
11、防火卷帘控制器,是防火卷帘控制箱里带的么?答:是的。
12、住宅项目 现在要求每栋楼设一个区域报警控制器,基本都是集中大系统+区域子系统这种模式。

13、区域火灾报警控制器具备联动控制的功能?只是能让火灾声光报警装置响,不是联动排烟风机、消防水泵那种联动。
14、我上了集中报警,不上应急广播和电话不行么?答:不行。
15、集中控制系统 就要设消控室








短路隔离器放接线箱(弱电间内) 有些人直接就放探测器旁边 吸顶。


上图中火灾警报器和感烟探测器都属于火警末端设备,总线可以直接相连。
但消防电话、消防广播、消防电源监控系统、电气火灾监控系统、应急照明、可燃气体系统、气体灭火系统都是独立接线,因为各自有各自的主机。






知识点:火警规范图示
14x505 火灾自动报警系统设计规范图示 CAD
0人已收藏
1人已打赏
免费2人已点赞
分享
建筑规范
返回版块34.61 万条内容 · 519 人订阅
回帖成功
经验值 +10
全部回复(0 )
只看楼主 我来说两句抢沙发