知识点:绝对地短路
如何损坏电机控制器中的IGBT模块?
我们将其分为以下四类:
a类:Vce过压
Vge过压
过高的dv/dt
静电(ESD)
b类:过流(Over-current)
短路(Short-circuit)
过高的di/dt
c类:Tj(结温)>175℃(具体根据芯片手册)
Tcase(壳温)< -40℃
d类:温度循环(Thermal cycling)
温度冲击(Thernal shock)
功率循环(Power cycling)
振动(Vibration)
但是IGBT驱动器所能保护的项目非常有限;“Vce过压”、“Vge过压”、“过高的dv/dt”、“短路”、“过高的di/dt”可以通过IGBT驱动器进行有效的保护,保护措施在之前的文章中《浅谈IGBT的驱动设计几个基本问题》有提到。
今天我们着重探讨下这其中的“短路”的相关问题。
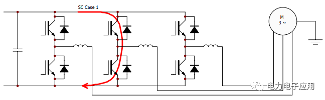
电机控制器短路可以分为两类:桥臂内短路和桥臂间短路。
桥臂内短路(直通)
命名为“一类”短路
硬件失效或软件失效
短路回路中的电感量很小(100nH)
可以使用Vcesat 检测

桥臂间短路(大电感短路)
命名为“二类”短路
相间短路或相对地短路
短路回路中的电感量稍大(uH级别的)
可以使用Vcesat检测,也可以使用霍尔,根据电流变换率来定
这类短路的回路中的电感量是不确定的

演算如下:
IGBT发生短路时,描述短路电流的数学表达式如下,它表示,在短路发生时,电流的绝对值与电压、回路电感,及整个过程持续的时间有关系。

绝大部分的短路,母线电压都是在额定点的,影响短路电流因素主要是“短路回路中的电感量”。因此对短路行为进行分类定义时,短路回路中的电感量是主要的分类依据。
如果短路回路中的电感量再继续增大,那么电流变换率就变得更低,此时就不是短路了,变成“过流”。IGBT的驱动器是觉察不到这种异常状态的,因为
此在系统中增加电流传感器来感知电流的绝对数值,从而进行过流保护。所以,IGBT驱动器是不能进行过流保护的。
二类保护和过流之间没有明显的界限,学术上没有进行定义,在工程上,可以做一个粗略的经验界定:10A/us以下的电流变化率视为“过流”。
那么过流失效和短路失效的有什么区别?
上面我们谈到,短路我们分为一类及二类两种,它们有一个共同点:IGBT会出现“退饱和现象”,当IGBT一旦退出饱和区,它的损耗会成百倍的上升,那么允许这种状态的持续时间非常苛刻,只有10us,IGBT驱动器可以发现这一行为并关掉门级。
IGBT过流的情况则是,回路电感很大,电流爬升很慢(相对于短路),IGBT不会发生退饱和的现象,但是由于电流比正常工况高很多,因此经过若干个开关周期后,IGBT损耗会比较高,结温会迅速上升,从而导致失效。在这时,IGBT驱动器一般是不能及时发现这一现象的,因为IGBT的退饱和压降的变化很微弱,驱动器通常识别不到这种变化。
一类保护:

说明:发生一类保护时,IGBT的电流会快速上升,当电流上升到一定数值时(有的厂家推荐4倍额定电流,其实并没有实际意义),IGBT会发生退饱和现象,其标志是IGBT的电压会迅速上升至直流母线电压。当IGBT退出饱和区后,IGBT的电流为4倍额定电流(此数值一般来源于芯片厂家推荐,但是实际工程中一般由设计师设定)。此时IGBT电压为母线电压,IGBT芯片的损耗非常巨大。工程上设计一般短路检测不会超过10us(实际应用中,要根据大量测试数据进行标定)。如果芯片厂家对短路电流和检测时间有明确约束时,应该按照芯片厂家要求进行驱动开发和设计,例如:infineon的 FS820R08A6P2B就有如下描述。

二类保护:

说明:发生二类短路时,由于回路的电感稍大,电流爬升速度慢一些,(但是实际上还是在us级别的,还是很快的),门级脉冲打开时,IGBT的Vce下降至饱和压降,随着电流进一步加大,饱和压降轻微上升,当电流到达“退饱和点”时,Vce迅速上升至直流母线电压,我们把Vce上升的过程称为“退饱和”行为。当IGBT退出饱和区后,其损耗要比未退饱和前高数百倍,因为Vce电压从几伏上升至几百伏,而电流则没有明显变换。
之前谈过二类保护和过流是没有明确的界限的,短路时回路中不确定的电感量,造成Vcesat检测法在二类保护中毫无解决办法。
相关推荐链接:
0人已收藏
0人已打赏
免费1人已点赞
分享
电气工程原创版块
返回版块2.2 万条内容 · 598 人订阅
阅读下一篇
带电作业危险点及安全措施知识点:危险带电部分 1、防触电类分支线路倒送电,杆上工作人员站位较高碰触分支线路,工作前应确认分支线有防倒送电措施。如分支线应挂设接地线或拉开分支线熔断器、刀闸、开关。如有同杆架设的低压线路应确认低压线已采取停电、接地措施。 2、气象条件不符合规程要求引起绝缘工器具表面泄露电流增大遇到天气突然变化工作负责人应立即命令杆上作业人员停止作业并恢复线路装置状态。 3、绝缘工器具不合格作业时绝缘工器具表面泄露电流增大1出库时检查试验标签应在试验周期内。现场作业前对绝缘工器具进行表面检查和表面绝缘电阻检测,作业时必须使用绝缘手套而且绝缘手套仅作辅助绝缘
回帖成功
经验值 +10
全部回复(1 )
只看楼主 我来说两句 抢板凳看一下。。学习下这方面的内容
回复 举报