知识点:电磁骚扰
1、基本概念
电磁骚扰传播或耦合,通常分为两大类:即传导骚扰传播和辐射骚扰传播。通
过导体传播的电磁骚扰,叫传导骚扰;通过空间传播的电磁骚扰,叫辐射骚扰。

上图传染病的模型非常近似:

2、 电磁骚扰的常用单位
骚扰的单位通用分贝来表示,分贝的原始定义为两个功率的比:

通常用 dBm 表示功率的单位,dBm 即是功率相对于 1mW 的值:


通过以下的推导可知电压由分贝表示为(注意有一个前提条件为 R1=R2):

通常用 dBuV 表示电压的大小,dBuV 即是电压相对于 1uV 的值。

对于辐射骚扰通常用电磁场的大小来度量,其单位是 V/m。通常用的单位是
dBuV/m。
3、传导干扰
共阻抗耦合
由两个回路经公共阻抗耦合而产生,干扰量是电流i,或变化的电流di/dt。
容性耦合
在干扰源与干扰对称之间存在着分布电容而产生,干扰量是变化的电场,即变化的电压du/dt。
感性耦合
在干扰源与干扰对称之间存在着互感而产生,干扰量是变化的磁场,即变化的电流di/dt。
a、共阻抗耦合
由两个回路经公共阻抗耦合而产生,干扰量是电流 i,或变化的电流 di/dt。
、
当两个电路的地电流流过一个公共阻抗时,就发生了公共阻抗耦合。我们在放大器中,级与级之间的一种耦合方式是“阻容”耦合方式,这就是一种利用公共阻抗进行信号耦合的应用。在这里,上一级的输出与下一级的输入共用一个阻抗。
由于地线就是信号的回流线,因此当两个电路共用一段地线时,彼此也会相互影响。一个电路的地电位会受到另一个电路工作状态的影响,即一个电路的地电位受另一个电路的地电流的调制,另一个电路的信号就耦合进了前一个电路。
对于两个共用电源的电路也存在这个问题。解决的办法是对每个电路分别供电,或加解耦电路。
阻性耦合干扰抑制方法
1)让两个电流回路或系统彼此无关。信号相互独立,避免电路的连接,以避免形成电路性耦合。
2)限制耦合阻抗,使耦合阻抗愈低愈好,当耦合阻抗趋于零时,称为电路去耦。为使耦合阻抗小,必须使导线电阻和导线电感都尽可能小。
3)电路去耦:即各个不同的电流回路之间仅在唯一的一点作电的连接,在这一点就不可能流过电路性干扰电流,于是达到电流回路间电路去耦的目的。
4)隔离:电平相差悬殊的相关系统(比如信号传输设备和大功率电气设备之间),常采用隔离技术。
b、容性耦合
在干扰源与干扰对称之间存在着分布电容而产生,干扰量是变化的电场,即变化的电压 du/dt。
容性耦合干扰抑制方法
为了抑制电容性干扰可以采取以下措施:
1)干扰源系统的电气参数应使电压变化幅度和变化率尽可能地小;
2)被干扰系统应尽可能设计成低阻;
3)两个系统的耦合部分的布置应使耦合电容尽量小。例如电线、电缆系统,则应使其间距尽量大,导线短,避免平行走线;
4)可对干扰源的干扰对象进行电气屏蔽,屏蔽的目的在于切断干扰源的导体表面和干扰对象的导体表面之间的电力线通路,使耦合电容变得最小;
容性耦合干扰抑制实例

BUCK电路中还存在高频开关节点(Phase、或者叫做SW note),这里的dv/dt会产生电场,也会产生辐射,同时引起的共模电流也会在传导测试中占据重要分量,尤其是在CISPR25的测试中。高频开关节点常常和辐射相关,尤其是在单杆天线测试和双锥天线测试中,在单杆天线测试中,高频开关节点产生的近场电场直接可以通过单杆天线接收。
抑制高频开关节点的dv/dt,首先可以通过减小面积来减小近场电场的电场强度。如下图,通过减小SW的铺铜面积,电场强度有了明显的减小。同样的方法,可以在单杆测试中,可以通过减小SW铺铜或者电感的体积来实现。前面我们分析过电感并不能保持稳定的电位,也是高频开关节点。

c、感性耦合
在干扰源与干扰对称之间存在着互感而产生,干扰量是变化的磁场,即变化的电流 di/dt。
当信号沿传输线传播时,信号路径与返回路径之间将产生电场,围绕在信号路径和返回路径周围也有磁场。如图所示,基板材料为FR4的50Ω微带线横截面上的电力线和磁力线,可见,这些场并不仅仅局限于微带线的正下方,而是会延伸到周围的空间。这些延伸出去的场称为边缘场。

边缘场
根据电磁场基本理论,变化的电场产生感应电流,变化的磁场产生感应电压。那么,当一个网络(静态网络)的布线进入另一网络(动态网络)的边缘场时,一旦动态网络上的信号电压和电流发生变化,将会引起边缘场的变化,边缘场的变化又将在静态网络上感应出噪声电压或电流,这就是串扰产生的物理根源。
这种两个网络之间通过场相互作用被称做耦合,耦合又可以分为容性耦合和感性耦合,而把耦合电容和耦合电感分别称做互容和互感.
互容和互感都对串扰有贡献,但要区别对待。当返回路径是很宽的均匀平面时,如PCB上的布线,容性耦合和感性耦合大体相当。因此,要精确预测耦合传输线的串扰,两种因素都必须考虑。如果返回路径不是很宽的均匀平面,比如引线,虽然容性耦合和感性耦合也都存在,但串扰主要来自于互感。这时,如果动态网络上有一个快速变化的电流,如上升、下降沿,将会在静态网络上引起不可忽视的噪声。
感性耦合干扰抑制方法
1) 干扰源系统的电气参数应使电流变化的幅度和速率尽量小;
被干扰系统应该具有高阻抗;
2)减少两个系统的互感,为此让导线尽量短,间距尽量大,避免平行走线,采用双线结构时应缩小电流回路所围成的面积;
3)对于干扰源或干扰对象设置磁屏蔽,以抑制干扰磁场。
4)采用平衡措施,使干扰磁场以及耦合的干扰信号大部分相互抵消。如使被干扰的导线环在干扰场中的放置方式处于切割磁力线最小(环方向与磁力线平行),则耦合的干扰信号最小;另外如将干扰源导线平衡绞合,可将干扰电流产生的磁场相互抵消。
感性耦合干扰抑制实例
那么我们要分析如何抑制高频电流环路的引起的噪声源?高频电流环路可以看成是磁偶极子,磁矩,磁场强度随着电流和环路面积而增大,那么可以通过降低电流和减小面积来实现,
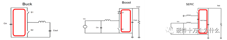
首先,我们需要找出不同拓扑的高频电流环路。如下图,红色的环路便是di/dt变化比较大的电流高频环路,可以看到BUCK电路,电流高频环路存在于输入电容和两个开关管形成的闭合环路,而BOOST电路作为对偶拓扑,电流高频环路存在于输出电容和两个开关管。而SEPIC电路的电流高频环路存在于开关管和两个电容形成的环路中。
可以看到高频电流环路存在于开关管和连接开关管的电容形成的回路,因为电流变化最剧烈的通常在开关管之间,电流实在两个开关管之间切换,而通常电感由于电流不能突然变化,di/dt受到限制,而不是我们重点考察高频电路环路的部分。

找到高频电流环路后,我们需要抑制该噪声源引起的近场磁场。最有效的方式就是减少该环路的面积,通常电流大小需要满足功率输出的要求,不能随意减小。
最简单的方式就是选用集成MOSFET的同步BUCK,来替换非同步的BUCK。如图,选用同步的SOT23-8的BUCK芯片,输入电容可以靠近芯片放置,高频电流环路远小于左边的非同步BUCK,对外的辐射要小很多。
相关推荐链接:
1、20-低压电气装置第4-44部分_安全防护电压骚扰和电磁骚扰防护GB_T16895.10-2010(第
0人已收藏
0人已打赏
免费0人已点赞
分享
电气工程原创版块
返回版块2.2 万条内容 · 598 人订阅
阅读下一篇
电磁噪声产生的机理和规避知识点:电磁噪声 一次偶然的试验,现场验收电机的客户提出了质疑。起因是某型电机噪声试验结果符合产品技术条件,但因有刺耳的电磁噪声,客户表示不能接受。当现场测试人员辩解测试值并未超标时,客户回了一句:我只相信自己的耳朵。 类似的电磁噪声问题Ms.参多年前遭遇过N次。为体验感受如何,Ms.参曾试图在发出尖锐电磁声的电机附近多待会儿,坚持不到15分钟,就有一种晕船的感觉想吐。 当时电机的电磁噪声大家都未当回事,天然的认为是电机的固有特性没办法消除,况且不会对使用有任何影响。现如今大家都很关注环保,噪声无疑是客户关注的焦点,自然是不能容忍或接受的。
回帖成功
经验值 +10
全部回复(0 )
只看楼主 我来说两句抢沙发