一、常用绘图工具
1.图板 图板是用来固定图纸的矩形木板。其要求:
(1)板面平整、光滑;
(2)左侧的“导边”应平直。
#常用图板规格:
0号(900mm×1200mm)、1号(600mm×900mm)、2号(450mm×600mm)
2.丁字尺 丁字尺由“尺头”和“尺身”组成。
#其用途:
(1)与图板配合来画平行线。
(2)与图板、三角板配合来画角度线、垂直线。
3.三角板 一副三角板由两块三角板组成,一块45°,另一块30°(或60°)。
#其用途:
(1)与丁字尺配合来画垂直线、倾斜线(15o倍数角的角度线):45°、30°、60°、75°、105°和150°等;
(2)两块三角板配合来画已知直线的平行线或垂直线。
4.比例尺 比例尺俗称“三棱尺”,共有六种常用的比例刻度,是供绘制不同尺寸比例的图形所用的。
注意:比例尺不能当作直尺来画线使用,只能用于量取不同比例的尺寸。
5.曲线板 曲线板是用于绘制不规则的非圆曲线的工具(可正、反两面使用)。
#其使用方法:
(1)至少保证4个点(或4个以上的点)与曲线板的边缘相吻合,才能连接这4个点(或4个以上的点);
(2)两段之间应有重复。
二、常用的绘图用品
1.铅笔 铅笔分:硬、中、软三种。
#其标号有:6H、5H、4H、3H、2H、H、HB、B、2B、3B、4B、5B、6B共13种。其中:6H为最硬,HB为中等硬度,6B为最软。
#铅笔的选择与使用:
(1)绘制底稿时,应使用H或2H铅笔,并削成尖锐的圆锥形;
(2)绘制图形时,应使用B或HB铅笔,并削成四棱柱形(扁铲形);
(3)铅笔应从没有标号的一端开始使用,以便保留铅笔的软硬标号。
2.绘图纸 绘图纸有正、反面之分,绘图时,应选用正面画图。
#其识别方法:用橡皮擦拭几下,不易起毛的一面就是正面,或采用观察法,反光较亮的一面就是正面。
三、常用绘图仪器
1.分规 分规是用来截取尺寸、等分线段或圆周的工具。
#其使用方法:两针尖并拢时应对齐。。
2.圆规 圆规是用来画“圆”或“圆弧”的工具。
(1)其附件有:钢针插脚、铅芯插脚、鸭嘴插脚、延长杆等。
(2)其使用方法:圆规的钢针端应是有“肩台”的一端;画大圆时,应保持肩台与铅芯平行、对齐。
#除上述绘图工具和用品之外,还应有:直尺、量角器、橡皮、擦图片、小刀、砂纸、胶带纸等。
四、图纸的幅面和格式(GB/T14689—1993)
1.图纸幅面 为了保证图纸大小的统一,以便于图纸的装订、图纸的保管、图纸的缩印,对图纸的幅面做如下规定:
图纸幅面和格式(GB/T14689 --1993)
图纸幅面尺寸和代号:A0、A1、A2、A3、A4、A5

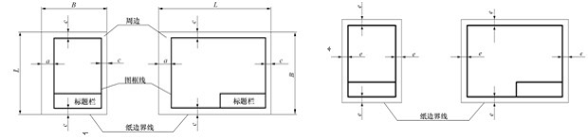
2.图框格式(图框线) 图纸在绘图前都必须用粗实线画出图框线,所画图样(图形)应在图框线之内。
图框线的格式有两种:
⑴不留装订边格式 ⑵留装订边格式。

3.标题栏及方位 标题栏中的文字方向为看图方向。标题栏的格式、内容和尺寸在国家标准(GB/T10609.1—1989)中已作了规定,学生制图作业建议采用图所示的标题栏格式。

4.附加符号
(1)对中符号:为了复制或摄影时定位方便,在各边的中点处分别画出对中符号。
从图纸边界开始伸入图框约5mm,线宽不小于0.5mm的粗实线。当对中符号在标题栏范围内时,则伸入标题栏部分省略不画。
(2)方向符号:当绘图和读图方向与标题栏方向垂直时,为了明确绘图和读图的方向,在对中符号处画一个方向符号(细实线的等边三角形)。
五、比例
1.术语
⑴比例:图纸中的图形与实物相应要素的线性尺寸之比。
原值比例:比值为1的比例,即1:1。
放大比例:比值大于1的比例,如2:1。
缩小比例:比值小于1的比例,如1:2。
2.比例系列
⑴首选表1-2中的优先选用比例系列,再选允许选择比例系列。
⑵无论比例如何,所标注的尺寸数值都应是实物的实际大小尺寸。如
为了看图方便,绘制图样时。应尽可能按机件的原值比例画出。如果机件太大或太小,应采用表1-2中规定的优先比例画图。
图样无论是放大或缩小画出,标注尺寸时,均应按机件的实际大小尺寸标注,与绘图的比例无关。
3.比例的标注
(1)标注在标题栏内。
(2)标注在视图名称的下方或右侧。如I/2:1、B-B/5:1等。

六、字体(GB/T14691—1993)
图样上除了表达机件的图形外,还要用文字和数字说明机件的大小、技术要求和其它内容。在图样中书写字体必须做到:字体工整、笔划清楚、间隔均匀、排列整齐。
字体的号数,称为字体高度,用 h 表示。其公称尺寸系列为:1.8、2.5、3.5、5、7、10、14、20mm。如书写更大的字,其字体高度应按的比率递增。
1.汉字 长仿宋体
2.字母和数字 字母和数字可写成斜体或直体。斜体字字头向右倾斜,与水平基准线成75度。
ABCDEFGHIJKLMNOPQRSTUVWXY拉丁字母示例
bcdefghijklmnopqrstuvwxy
Ⅰ Ⅱ Ⅲ Ⅳ Ⅴ Ⅵ Ⅶ Ⅷ Ⅸ Ⅹ罗马数字示例
0 1 2 3 4 5 6 7 8 9 阿拉伯数字示例
ABCDEFGHIJKLMNOPQRSTUVWXY
希腊字母示例:

(1)A型和B型:
A型字体:笔画宽度=h/14(h为字高)
B型字体:笔画宽度=h/10(h为字高)
(2)直体和斜体(向右倾斜75o)两种。
七、图线(GB/T17450—1998)
图线是画图时所采用的各种型式的线。
1.图线的形式及应用(如表1-4所示)


2.图线的尺寸 图线分为粗、细两种。以粗线宽度作为基础,细线的宽度应为粗线宽度的一半。在表1–4所列出的各种图线中,除粗实线外的其它各种图线宽度都应为粗实线宽度的一半。图线宽度的推荐系列为:0.18,0.25,0.35,0.5,0.7,1,1.4,2?mm,粗线的宽度一般按图样的大小和复杂程度在0.5~2?mm之间选择。
3.图线的画法
⑴同一张图样中,同类图线的宽度应一致,线段长度和间隔应大致相等。
⑵各种图线相交,都应以线段相交,而不应是点或空隙相交。
⑶虚线与实线相交,应留有空隙。虚线圆弧与实线圆弧相切,应留有空隙。
⑷点画线的“点”,是一小线段,不是点。点画线的起始端为直线段,并应超出轮廓线2~5mm。
⑸绘制圆的中心线时,圆心应为线段相交。点画线的两端应超出圆2~5mm。小圆的中心线可用细实线代替点画线。
⑹当实线与虚线或点画线重叠时,画实线;当虚线与点画线重叠时,画虚线。



(7)图线不得与文字、数字或符号重叠、混淆。不可避免时,应首先保证文字、数字或符号清晰。当某些图线互相重叠时,应按粗实线、虚线、点画线的顺序只画前面的一种。


七、尺寸注法
尺寸是零件制造的直接依据,是图样的重要内容。国标专门规定了尺寸的标注准则。
(一)标注尺寸的基本规则
1、图样上的尺寸是零件的实际尺寸,与比例、准确度无关。
2、图样上的尺寸是以毫米(mm)为单位,并不标出。
3、图样上的尺寸是所示机件完工后的尺寸,否则应另加说明。
4、一个尺寸只能标注一次。
(二)尺寸的组成
尺寸由四部分组成:尺寸界线、尺寸线(包括终端箭头等)、尺寸数字。并用细实线画出。

1、尺寸界线:由图形的轮廓线、轴线、对称中心线引出,并超出尺寸线末端2~3mm。
#尺寸界线一般与尺寸线垂直,必要时才允许倾斜。倾斜时,两条尺寸界线应平行

2、尺寸线:
(1)尺寸线与所标注的线段平行。
(2)尺寸线不得与其它图线重合或在其它图线的延长线上。
(3)尺寸线终端有箭头和斜线两种形式


3、尺寸数字:
(1)标准字体书写、字高一致。
(2)一般书写在尺寸线的上方或尺寸线中断处。
(3)线性尺寸数字的方向,
(4)尺寸数字不能通过任何图线,必要时,可将图线断开,让出尺寸数字。

(三)尺寸注法
⒈ 线性尺寸注法
标注线性尺寸时,尺寸线必须与所标注的线段平行。尺寸界线一般与尺寸线垂直,并超出尺寸线2~3?mm。线性尺寸的数字应按图所示的方向注写。 也允许将尺寸数字注写在尺寸线的中断处。应尽量避免在与垂直中心线成30°角范围内标注尺寸,无法避免时,可按图所示的方法标注。

2、 角度尺寸

⑴ 尺寸界线沿径向引出,尺寸线应画成圆弧,其圆心是该角的顶点。
⑵ 角度数字一律水平写。通常写在尺寸线的中断处,必要时允许写在尺寸线的外面,或引出标注。
3、直径尺寸
⑴ 标注直径尺寸时,应在尺寸数字前加注符号“f”。
注:直径尺寸可以标注在非圆视图上。
⑵ 标注球面直径时,应在符号“f”前加注符号“S”。
圆心角大于180°时,要标注圆的直径,且尺寸数字前加“φ”;圆心角小于等于180°时,要标注圆的半径,且尺寸数字前加“R”;标注球面直径或半径尺寸时,应在符号φ或R前再加符号“S”。
(3)当圆弧的直径过大或在图纸范围内无法按常规标出其圆心位置时,可按下图(a)的形式标注;若不需要标出其圆心位置时,可按下图(b)的形式标注。


4、半径尺寸
⑴ 标注半径尺寸时,应在尺寸数字前加注符号“R”。
⑵ 应标注在是圆弧的视图上。
⑶ 标注球面半径时,应在符号“R”前加注符号“S”。

5、弧长及弦长的标注
圆弧和弦长尺寸注法:标注弦长尺寸时, 尺寸界线应平行于弦的垂直平分线;标注弧长尺寸时, 尺寸线用圆弧, 尺寸数字上方应加注符号“⌒”.

6、狭小部位尺寸的标注

7、均匀分布的孔的标注
⑴ 沿直线均匀分布

⑵ 沿圆周均匀分布

8、光滑过渡处的尺寸注法:在光滑过渡处, 必须用细实线将轮廓线延长, 并从它们的交点引出尺寸界线。尺寸界线如垂直于尺寸线, 则图线很不清晰, 所以允许倾斜, 如图所示。

9、 均匀厚度板状零件的标注
不必另画视图表示厚度

10、断面为正方形结构的标注

11、 斜度和锥度的注法:
斜度和锥度可按下图所示的方法标注。斜度和锥度符号的方向应与斜度和锥度的方向一致。

12、尺寸正误分析

八、常用几何图形的画法
在机械图样中,零件的轮廓形状虽然是多种多样的,但基本上都是由直线、圆弧和其他一些曲线所组成的几何图形。几何作图,就是按给定的条件,准确地绘出预定的几何图形。熟练掌握几何图形的正确画法,有利于提高作图的准确性和绘图速度。本节介绍直线段的等分、圆周的等分(正多边形)、斜度、锥度、平面曲线和线段连接等几何图形的作图方法。
1.斜度
1)概念:一直线(或平面)对另一直线(或平面)的倾斜程度称为斜度。其大小以它们夹角的正切来表示,并将此值化为1﹕n的形式,斜度?=?tanα?=?H?/?L=1﹕n。标注斜度时,需在1﹕n前加注斜度符号“
”,且符号方向与斜度方向一致。斜度符号的高度等于字高h。斜度的定义、画法及其标注方法如图所示。
2. 锥度
锥度是指正圆锥体的底圆直径与其高度之比(对于圆锥台,则为底圆直径与顶圆直径的差与圆锥台的高度之比),并将此值化成1﹕n的形式。标注时,需在1﹕n前加注锥度符号” “,且符号的方向应与锥度方向一致。锥度符号的高度等于字高h。锥度的定义、画法及其标注方法如图所示。
3、等分线段
常用方法:试分法。
已知线段AB,作它的三等分。作图方法如下:过已知线段的一端点A任作一直线AC,用分规以任意长度自A点在AC上截取三等分,得1、2、3点,连接3B,并过1、2点作3B的平行线交AB于11、22,即获得线段AB上的三等分点,如图所示。以上作图方法适用于等分任意已知线段。
4、圆周的等分和作正多边形
(1) 六等分圆周及画正六边形
已知对角线长为D作圆的内接正六边形。
作图方法如下:画两条垂直相交的对称中心线,以其交点为圆心,D/2为半径作圆。有圆规作图和三角板作图两种。
其一是在圆上以D/2为半径画弧六等分圆周,依次连接圆上六个等分点1、2、3、4、5、6,即得一正六边形,如图所示。
其二是用60°三角板配合丁字尺作平行线,画出四条边,再以丁字尺作上、下水平边,即得圆内接正六边形,如图所示。
已知对边距离为S(即内切圆直径),作圆的外切正六边形。
作图方法如下:画出垂直相交的对称中心线及内切圆(直径为S)后,再用丁字尺与60°三角板配合,即可画出正六边形,如图所示。

(2)正N边形(以正7边形为例)
⑴、 画外接圆
⑵ 将外接圆直径等分为N等份
⑶ 以N点为圆心,以外接圆直径为半径作圆与水平中心线交于点A,B。
⑷ 由A和B分别与奇数(或偶数)分点连线并与外接圆相交,依次连接各交点

5、椭圆的画法
1. 同心法画椭圆 2. 四心法画椭圆

6、圆弧连接
A、 用半径为R的圆弧连接两已知直线
⑴ 作两条辅助线分别与两已知直线平行且相距R。交点O即为连接圆弧的圆心。
⑵ 由点O分别向两已知直线作垂线,垂足即切点。
⑶ 以点O为圆心,R为半径画连接圆弧。

B、用半径为R的圆弧连接两已知圆弧(外切)
⑴ 以O1为圆心,R1+R为半径画圆弧。
⑵ 以O2为圆心,R2+R为半径画圆弧。
⑶ 分别连接O1O3、O2O3 求得两个切点。
⑷ 以O3为圆心, R为半径画连 接圆弧。

C、用半径为R的圆弧连接两
已知圆弧(内切)
⑴ 以O1为圆心,R-R1为半径
画圆弧。
⑵ 以O2为圆心,R-R2为半径画圆弧。
⑶ 分别连接O3O1、O3O2 并延长求得两个切点。
⑷ 以O3为圆心,R为半径画连接圆弧。

D、用半径为R的圆弧连接已知圆弧和直线
⑴ 以O1为圆心,R1+R为半径作圆弧
⑵ 作与已知直线平行且相距为R的直线。
⑶ 连接O1O,求得与已知圆弧的切点。
⑷ 由O向已知直线作垂线,求得与已知直线的切点。
⑸ 以O为圆心,R为半径画连接圆弧。

E、 混合连接:

圆弧连接作图小结:
一、 无论哪种形式的连接,连接圆弧的圆心都是利用动点运动轨迹相交的概念确定的。
☆距直线等距离的点的轨迹是直线的平行线。
☆与圆弧等距离的点的轨迹是同心圆弧。
二、连接圆弧的圆心是由作图确定的,故在标注尺寸时只注半径,而不注圆心位置尺寸。
补:圆的切线
⒈ 过圆外一点作圆的切线
⑴ 连接OA ⑵ 以OA为直径作圆 ⑶ 分别连接AC1、AC2

⒉ 作两圆的外公切线
⑴ 以O2为圆心,R2-R1为半径作辅助圆。
⑵ 过O1作辅助圆的切线O1C。
⑶ 连接O2C并延长使其与O2圆交于C2。
⑷ 过O1作O2C2的平行线。
⑸ 连接C1C2即为两圆的外公切线。

⒊ 作两圆的内公切线
⑴ 以O1O2为直径作辅助圆。
⑵ 以O2为圆心, R2+R1为半径作圆弧与辅助圆相交。
⑶ 连接O2K。
⑷ 过O1作O2C2的平行线。
⑸ 连接C1C2即为两圆的内公切线。

九、平面图形的画法
平面几何图形都是由若干直线和曲线连接而成的,这些线段有必须根据给定的尺寸关系画出,所以要想正确而又迅速地画好平面图形,就必须首先对图形中标注的尺寸进行分析。通过分析,可使我们了解平面集合图形中各种线段的形状、大小、位置及性质。
1.平面图形的尺寸分析
标注平面图形的尺寸时,要求正确、完整、清晰、齐全。要达到此要求,就需了解平面图形应标注哪些尺寸。平面图形中的尺寸,按其作用分为定形尺寸和定位尺寸两类。而在标注和分析尺寸时,首先必须确定基准。
平面图形的尺寸按作用分为:
定形尺寸—确定组成平面图形的各个部分形状大小的尺寸,称为定形尺寸。如直线的长度、圆及圆弧的半径、角度大小等。
如:25、40、7、R8、2×Φ8、R49等。
定位尺寸—确定构成平面图形的各简单的几何图形中线段间相互位置的尺寸,称为定位尺寸。
如:24、27、11等。
尺寸基准—标注定位尺寸时的起始点。 在平面图形中,应有水平方向(或称X方向)和铅直方向(或称Y方向)的尺寸基准。通常以图形的对称线、主要轮廓线和大直径圆的中心线为尺寸基准。
定形尺寸兼作定位尺寸。
2.平面图形的线段分析
平面图形的绘制步骤、尺寸标注都与线段连接情况相关。因此,根据锁标注的尺寸和组成图形的各线段间的关系,图形中的线段可以分为以下三种:
(1)已知线段:定形尺寸、定位尺寸齐全,可以直接画出的线段。
如: 2×Φ8圆、R49弧、25和7确定的槽、下部两个R8
(2)中间线段:有定形尺寸,而定位尺寸则不全,还需根据与相邻线段的一个连接关系才能画出的线段。
如:R9圆弧。
(3)连接线段:只有定形尺寸,而无定位尺寸,需要根据两个连接关系才能画出的线段。
如:图上部R8。

注意:下部R8圆心不在25尺寸确定的槽左端面与底面直线的交点处,要从40返一个8来确定。
3.画图步骤
(a)分析图形,画出基准线,并根据定位尺寸画出定位线;
(b)画出已知线段,即那些定形尺寸、定位尺寸齐全的线段;
(c)画连接线段,即那些只有定形尺寸,定位尺寸不齐全或无定位尺寸的线段;
注:这些线段必须在已知线段画出之后,依靠他们和相邻线段的关系画出。
(d)擦去不必要的图线,标注尺寸,按线型描深。

图 手柄的画图步骤

4.仪器绘图的一般步骤
尽管计算机绘图在工程技术界应用已经日益普及,但是仪器绘图仍是工程技术人员应该掌握的重要技能之一。要使绘图工作效率高、质量好,除了熟练掌握国家技术制图标准、掌握正确的几何作图方法和正确地使用绘图工具外,科学合理地绘图步骤也是提高绘图效率的重要因素。通常,使用仪器绘制工程图时,应该遵循如下的步骤:
1)认真做好准备工作
首先准备好图板、丁字尺、三角板、仪器及其它绘图用具,如橡皮、曲线板、擦图片、胶带纸等。并将图板、三角板、丁字尺擦拭干净。为了作图快速,常用的铅笔(如HB、H)可以多准备几支,削好备用;各种绘图工具应该放在适当位置,不用的物品不要放在图板上。
2)仔细分析所画对象
做任何工作都要做到心中有数,绘图工作也是如此。绘制平面图形时,要首先分析图形的连接情况,找到两个方向的尺寸基准,确定哪些图线是已知线段,哪些线段是中间线段或连接线段,以确定图形绘制的顺序。而绘制立体模型或及其零件的视图时,则要分析所画对象的各种特征和连接关系,以确定采用什么样的方案来表达它。
3)合理的选择比例和图幅
根据表达的对象,选用合适且符合国家标准的比例和图纸幅面,如有可能尽量选用1:1的比例和标准图纸。用胶带纸将图纸固定在图板上。
4)绘制图框和标题栏
按照GB/T14689-1993和GB/T10609.1-1989规定的大小用细实线绘制图框和标题栏。对于印制好的图纸,这一步可以省略。
5)图形的布置(布图)
布置图的位置的准则是使图形美观、允称,在图样上不应出现疏密不均、头重较轻的情况。布图时要考虑到为标注尺寸和注写文字说明留有足够的空间。布图时依据图形的长度和宽度,确定其位置,并画出各个图形的作图基准线,如中心线、对称线、或主要平面的投影线等。
6)轻画底稿
绘制底稿时应注意“先主后次”的原则,既先画主要轮廓线,然后再画细节部分,如圆角、孔、槽等。绘制底稿时要使用H或2H的铅笔,轻画细线,以便于修改。对于剖面线可以只画几条,表明方向即可。
7)描深图线
通常,描深直线段要使用HB或B的铅笔,描深圆弧使用B或2B的铅笔。描深时的先后顺序与画底稿时的顺序不同。为了使线段光滑连接,应先描深圆和圆弧,再描深直线段,既所谓的“先曲后直”的描深原则。而描深粗实线的直线段时,又是按照先“水平线段、垂直线段、倾斜线段”的顺序进行。同时还应按照“先上后下、先左后右”的原则进行作图。
描深完所有的粗线后再按照同样的顺序描深所有的虚线、点画线和细实线,这就是所谓的“先粗后细”的原则。
8)标注尺寸
在完成了图线描深工作以后,接着标注尺寸。标注尺寸时,应先画尺寸界线、尺寸线、尺寸箭头,再注写尺寸数字和其它文字说明。
9)检查全图,填写标题栏
最后要仔细的检查全图,在确认没有错误后,填写标题栏中的内容,将多余的纸边裁剪整齐,完成全图。
绘图程序简单可以表达为:
一、准备工作
⑴、进行尺寸分析、线段分析;
⑵、确定比例,选择图幅;
⑶、确定作图顺序。
二、绘制底图(底稿)
⑴、画底图的注意事项:
①、用H或2H铅笔画图;
②、线型不分粗细;
③、要求作图准确;
④、画错的地方,可以等底图画完后一齐擦掉。
⑵、画底图的步骤:
①、画图框和标题栏;
②、合理布图,画基准线;
③、画出已知线段;
④、画出中间线段;
⑤、画出连接线段;
⑥、审核图形,标注尺寸。
三、描深底图(底图)
⑴、描深底图的步骤:
①、先粗后细。按粗实线---虚线---点画线---细实线的顺序。
②、先曲后直。按圆---圆弧---直线的顺序。
③、先水平后垂斜。按水平线(自上而下)---垂直线(自左而右)---斜线的顺序。
④、先箭头,后数字,再标题栏。
⑵、描深底图的注意事项:
①、用HB或B铅笔描深;
②、线条粗细、浓淡均匀;
③、保持图面清洁(双手、三角板、丁字尺应保持清洁)。
相关资料推荐:
https://ziliao.co188.com/p56428274.html
知识点:机械制图基础
0人已收藏
0人已打赏
免费3人已点赞
分享
隧道工程
返回版块2.96 万条内容 · 279 人订阅
回帖成功
经验值 +10
全部回复(0 )
只看楼主 我来说两句抢沙发