土木在线论坛 \ 电气工程 \ 电气工程原创版块 \ 建筑电气施工图识图知识汇集

建筑电气施工图识图知识汇集

发布于:2022-09-06 14:39:06 来自:电气工程/电气工程原创版块 [复制转发]

知识点:建筑电气图纸

电气施工图的特点:

1.建筑电气工程图大多是采用统一的图形符号并加注文字符号绘制而成的;
2.电气线路都必须构成闭合回路;
3.线路中的各种设备、元件都是通过导线连接成为一个整体的;
4.在进行建筑电气工程图识读时应阅读相应的土建工程图及其他安装工程图,以了解相互间的配合关系;
5.建筑电气工程图对于设备的安装方法、质量要求以及使用维修方面的技术要求等往往不能完全反映出来,所以在阅读图纸时有关安装方法、技术要求等问题,要参照相关图集和规范。
电气施工图的组成:
1.图纸目录与设计说明:包括图纸内容、数量、工程概况、设计依据以及图中未能表达清楚的各有关事项。如供电电源的来源、供电方式、电压等级、线路敷设方式、防雷接地、设备安装高度及安装方式、工程主要技术数据、施工注意事项等。
2.主要材料设备表:包括工程中所使用的各种设备和材料的名称、型号、规格、数量等,它是编制购置设备、材料计划的重要依据之一。
3.系统图:如变配电工程的供配电系统图、照明工程的照明系统图、电缆电视系统图等。系统图反映了系统的基本组成、主要电气设备、元件之间的连接情况以及它们的规格、型号、参数等。
4.平面布置图:平面布置图是电气施工图中的重要图纸之一,如变、配电所电气设备安装平面图、照明平面图、防雷接地平面图等,用来表示电气设备的编号、名称、型号及安装位置、线路的起始点、敷设部位、敷设方式及所用导线型号、规格、根数、管径大小等。通过阅读系统图,了解系统基本组成之后,就可以依据平面图编制工程预算和施工方案,然后组织施工。
5.控制原理图:包括系统中各所用电气设备的电气控制原理,用以指导电气设备的安装和控制系统的调试运行工作。
6.安装接线图:包括电气设备的布置与接线,应与控制原理图对照阅读,进行系统的配线和调校。
7.安装大样图(详图):安装大样图是详细表示电气设备安装方法的图纸,对安装部件的各部位注有具体图形和详细尺寸,是进行安装施工和编制工程材料计划时的重要参考。
电气施工图的阅读方法
1.熟悉电气图例符号,弄清图例、符号所代表的内容。
电气符号主要包括文字符号、图形符号、项目代号和回路标号等。在绘制电气图时,所有电气设备和电气元件都应使用国家统一标准符号,当没有国际标准符号时,可采用国家标准或行业标准符号。要想看懂电气图,就应了解各种电气符号的含义、标准原则和使用方法,充分掌握由图形符号和文字符号所提供的信息,才能正确地识图。
电气技术文字符号在电气图中一般标注在电气设备、装置和元器件图形符号上或者其近旁,以表明设备、装置和元器件的名称、功能、状态和特征。
单字母符号用拉丁字母将各种电气设备、装置和元器件分为23类,每大类用 一个大写字母表示。如用“V”表示半导体器件和电真空器件,用“K”表示继电器、接触器类等。
双字母符号是由一个表示种类的字单母符号与另一个表示用途、功能、状态和特征的字母组成,种类字母在前,功能名称字母在后。如“T”表示变压器类,则“TA”表示电流互感器,“TV”表示电压互感器,“TM”表示电力变压器等。
辅助文字符号基本上是英文词语的缩写,表示电气设备、装置和元件的功能、状态和特征。例如,“起动”采用“START”的前两位字母“ST”作为辅助文字符号,另外辅助文字符号也可单独使用,如“N”表示交流电源的中性线,“OFF”表示断开,“DC”表示直流等。

图片

图片
图片
2.针对一套电气施工图,一般应先按以下顺序阅读,然后再对某部分内容进行重点识读:
①看标题栏及图纸目录:了解工程名称、项目内容、设计日期及图纸内容、数量等。
②看设计说明:了解工程概况、设计依据等,了解图纸中未能表达清楚的各有关事项。
③看设备材料表:了解工程中所使用的设备、材料的型号、规格和数量。
④看系统图:了解系统基本组成,主要电气设备、元件之间的连接关系以及它们的规格、型号、参数等,掌握该系统的组成概况。
⑤看平面布置图:如照明平面图、插座平面图、防雷接地平面图等。了解电气设备的规格、型号、数量及线路的起始点、敷设部位、敷设方式和导线根数等。平面图的阅读可按照以下顺序进行:电源进线——总配电箱干线——支线——分配电箱——电气设备。
⑥看控制原理图:了解系统中电气设备的电气自动控制原理,以指导设备安装调试工作。
⑦看安装接线图:了解电气设备的布置与接线。
⑧看安装大样图:了解电气设备的具体安装方法、安装部件的具体尺寸等。
3.抓住电气施工图要点进行识读:微信公众号:建筑水电知识平台
在识图时,应抓住要点进行识读,如:
①在明确负荷等级的基础上,了解供电电源的来源、引入方式及路数;
②了解电源的进户方式是由室外低压架空引入还是电缆直埋引入;
③明确各配电回路的相序、路径、管线敷设部位、敷设方式以及导线的型号和根数;
④明确电气设备、器件的平面安装位置。
4.结合土建施工图进行阅读
电气施工与土建施工结合得非常紧密,施工中常常涉及各工种之间的配合问题。电气施工平面图只反映了电气设备的平面布置情况,结合土建施工图的阅读还可以了解电气设备的立体布设情况。
5.熟悉施工顺序,便于阅读电气施工图。如识读配电系统图、照明与插座平面图时,就应首先了解室内配线的施工顺序。
① 根据电气施工图确定设备安装位置、导线敷设方式、敷设路径及导线穿墙或楼板的位置;
② 结合土建施工进行各种预埋件、线管、接线盒、保护管的预埋;
③ 装设绝缘支持物、线夹等,敷设导线;
④ 安装灯具、开关、插座及电气设备;
⑤ 进行导线绝缘测试、检查及通电试验;
⑥ 工程验收。
6.识读时,施工图中各图纸应协调配合阅读
对于具体工程来说,为说明配电关系时需要有配电系统图;为说明电气设备、器件的具体安装位置时需要有平面布置图;为说明设备工作原理时需要有控制原理图;为表示元件连接关系时需要有安装接线图;为说明设备、材料的特性、参数时需要有设备材料表等。这些图纸各自的用途不同,但相互之间是有联系并协调一致的。在识读时应根据需要,将各图纸结合起来识读,以达到对整个工程或分部项目全面了解的目的。
电气施工图概况
建筑电气施工图一般由设计说明、平面图、系统图及安装详图等组成。工程上的电气施工图按工程规模的大小、难易程度等的差异而有所不同,在建筑物内一般用平面图来表示。图中用符号和线条表示出电路的路径和电器的位置,上下楼层间的电路一般用向上或向下的专用符号来表示。再看电气施工图时,应有一个整体的概念,这样才能掌握好工程进度、质量和组织施工,一面影响工程材料的计算和施工进度。
阅图注意事项:
1.接受图纸必须按图纸目录清点数量是否齐全;
2.图纸内容变更手续是否齐全;
3.图纸审批手续是否齐全;
4.设计引用规范是否有效;
5.技术参数、标准、型号是否齐全正确;
6.阅图发现错误、疑问时应通过技术联系单同甲方或设计单位确认。上述注意事项可以在扩初设计或施工交底的会议上一并解决。
图纸识读:
1.设计说明:对一个读图者来说,首先要看清楚图纸的设计说明,了解施工方法及要求。图纸和说明是电气设计工程师表达设计意图的两种工程语言,在电气施工中起指导作用。
设计说明主要标注图中交代不清,不能表达或没有必要用图表示的要求、标准、规范、方法等,一般说明在电气施工图纸的第一张上,常与材料表绘制在一起。
在本教材所提供的某综合楼建筑的电气专业施工图当中,第一张图纸就是设计说明。说明中通常指出本土施工中的如下一些问题:
(1) 工程土建概况;(2)设计内容;(3)供电情况;(4) 电力负荷级别及设计容量(5)线路敷设方法及要求;(6)安全保护措施(防雷、防火、接地或接零种类);(7) 典型房间的电气安装要求等。
知识拓展:电力负荷分级及供电要求:
在电力系统上的用电设备所消耗的功率称为用电负荷或电力负荷。根据电力负荷对供电可靠性的要求及中断供电在政治、经济上所造成的损失或影响的程度,分为三级。
① 一级负荷:荷接指中断供电将造成人身伤亡者,造成重大政治影响和经济损失,或造成公共场所秩序严重混乱的电力负荷,属于一级负荷。如国家级的大会堂、国际候机厅、医院手术室、省级以上体育场(馆)等建筑的电力负荷。对于某些特等建筑,如重要的交通枢纽、重要的通信枢纽、国宾馆、国家级及承担重大国事活动的会堂、国家级大型体育中心,以及经常用于重要国际活动的大量人员集中的公共场所等的一级负荷,为特别重要负荷。一级负荷应由两个电源供电,一用一备,当一个电源发生故障时,另一个电源应不致同时受到损坏。一级负荷中的特别重要负荷,除上述两个电源外,还必须增设应急电源。为保证对特别重要负荷的供电,禁止将其他负入应急供电系统。
常用的应急电源可有以下几种:独立于正常电源的发电机组、供电网络中有效地独立于正常电源的专门馈电线路、蓄电池。
② 二级负荷:当中断供电将造成较大政治影响、较大经济损失或将造成公共场所秩序混乱的电力负荷,属于二级负荷。如省部级的办公楼、甲等电影院、市级体育场馆、高层普通住宅、高层宿舍等建筑的照明负荷。对于二级负荷,要求采用两个电源供电,一用一备,两个电源应做到当发生电力变压器故障或线路常见故障时不致中断供电(或中断供电后能迅速恢复)。在负荷较小或地区供电条件困难时,二级负荷可由一路6KV及以上的专用架空线供电。
③ 三级负荷:不属于一级和二级负荷的一般电力负荷,均属于三级负荷。三级负荷对供电电源无要求,一般为一路电源供电即可,但在可能的情况下,也应提高其供电的可靠性。
设备材料表:
一般工程中,电气部分的设备表和材料表会统一作为一张表格出现,附在说明的旁边。设备材料表是以表格形式列出工程所需的材料、设备名称、规格、型号、数量、要求等。以某综合楼电气专业施工图为例,其组成主要有:设备序号、设备图例、设备名称、设备型号(规格)、设备单位、设备数量以及备注(对设备主要用途和特殊要求的补充),如图所示。
图片
①图例:图例是用表格形式列出图纸中使用的图形符号或文字符号的含义,以使读图者读懂图纸。
除统一图例外,专业图例各有不同表示,读图时应注意图例及说明,最好能够记忆图例所代表的设备,以便后期阅读图纸时,能够更加快捷、高效,同时也利于后期阅读图纸时,能够顺利根据图例查找到该设备的名称及参数。
②名称:应采用国家本行业通用术语表示,一般都比较精准,不易混淆,阅读时要注意每个字眼,一字之差就变为另外一种设备了。
③设备型号(规格):一般都标明了设备的主要参数,例如灯具的功耗,电线电缆的截面积,开关的大小等。
④备注(设备主要用途及特殊要求):标明该设备用在何处、作何用途,有些设备还必须增补文字来更加明确的指向其特殊要求,例如:图中的应急灯对其供电时间就做出了特殊要求。
配电系统图:
(1)电气主线图:变(配)电所是联系发电厂与用户的中间环节,它起着变换与分配电能的作用。主要由变压器、高压开关柜(断路器)、低压开关柜(隔离开关、空气开关、电流互感器、计量仪表)、母线等组成。
变(配)电所的主结线(一次接线)是指由各种开关电器、电力变压器、互感器、母线、电力电缆、并联电容器等电气设备按一定次序连接的接受和分配电能的电路。它是电气设备选择及确定配电装置安装方式的依据,也是运行人员进行各种倒闸操作和事故处理的重要依据。用图形符号表示主要电气设备在电路中连接的相互关系,称为电气主结线图。电气主结线图通常以单线图形式表示。
主结线的基本形式有单母线接线、双母线接线、桥式接线等多种,介绍下建筑电气中常见的单母线接线。
a.单母线不分段主结线:这种接线的优点是线路简单,使用设备少,造价低;缺点是供电的可靠性和灵活性差,母线故障检修时将造成所有用户停电。因此,它适应于容量较小、对供电可靠性要求不高的场合。单母线不分段主结线如下图所示。
一般来讲,变(配)电所位置选择应考虑下列条件来综合确定:
图片
①接近负荷中心,这样可降低电能损耗,节约输电线用量。
②进出线方便。
③接近电源侧。
④设备吊装、运输方便。
⑤不应设在有剧烈振动的场所。
⑥不宜设在多尘、水雾(如大型冷却塔)或有腐蚀性气体的场所,如无法远离时,不应设在污染源的下风侧。
⑦不应设在厕所、浴室或其他经常积水场所的正下方或贴邻。
⑧变(配)电所为独立建筑物时,不宜设在地势低洼和可能积水的场所。
⑨高层建筑地下层变(配)电所的位置,宜选择在通风、散热条件较好的场所。
⑩变(配)电所位于高层(或其他地下建筑)的地下室时,不宜设在最底层。当地下仅有一层时,应采取适当抬高该所地面等防水措施。并应避免洪水或积水从其他渠道淹渍变(配)电所的可能性。
变(配)电所的建设还应满足以下条件:
①变(配)电所应保持室内干燥、严防雨水进入。
②变(配)电所应考虑通风良好,使电气设备正常工作。
③变(配)电所的高度应大于4m,应设置便于大型设备进出的大门和人员出入的门,且所有的门应向外开。
④变(配)电所的容量较大时,应单设值班室、设备维修室、设备库房等。
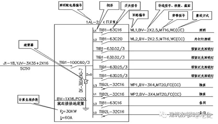
(2)配电箱系统图
配电箱系统图是示意性地把整个工程的供电线路用单线连接形式准确、概括的电路图,它不表示相互的空间位置关系。
以下图为例,照明配电箱系统图的主要内容包括:
①电源进户线、各级照明配电箱和供电回路,表示其相互连接形式;
②配电箱型号或编号,总照明配电箱及分照明配电箱所选用计量装置、开关和熔断器等器件的型号、规格;
③各供电回路的编号,导线型号、根数、截面和线管直径,以及敷设导线长度等;
④照明器具等用电设备或供电回路的型号、名称、计算容量和计算电流等。
例图中所选建筑属于高层建筑,其低压配电系统的确定应满足计量、维护管理、供电安全及可靠性的要求。应将照明与电力负荷分成不同的配电系统;消防及其他消防用电设施的配电亦自成体系。因此,我们在教材提供的图例中还可以看到其他动力设备及消防设备的配电系统图。我们以图的屋顶层消防动力配电系统为例,主要对其与普通照明配电系统的不同之处加以说明。
图片
首先,由于消防系统的负荷等级高于普通照明系统,所以要求采用两个电源供电,一用一备,两个电源应做到当发生电力变压器故障或线路常见故障时不致中断供电(或中断供电后能迅速恢复)。其次,开关处与消防进行了联动,从图上可以看到每个开关有两路线控制,这是因为设有手动及自动两种控制方式;手动控制为机旁按钮,自动控制根据消防控制中心的火灾信号自动启停,泵的工作信号返回消防中心。
不同的厂家的开关表示方式不太一样,一般都包括型号、额定电流和极数。常见的开关种类如下表所示。
图片
线路的标注格式:a b-c(d×e+f×g)i-j h
其中:a—线缆编号b—型号(不需要可以省略)c—线缆根数d—电缆线芯数e—线芯截面(mm2)f—PE(保护线)、N(中性线)线芯数g—线芯截面(mm2)h—线缆敷设安装高度i—线缆辐射方式j—线缆辐射部位
上述字母无内容则可省略该部分。如图中BV-2×2.5,MT16,WC(CC)表示线路是铜芯塑料绝缘导线,2根2.5 mm2,穿管径为16mm的电线管暗敷设在墙内(暗敷设在屋面或顶板内)。由系统图中我们可以看出,一般配电箱的主进线都为电缆,而支线为电线。
电缆通常是由几根或几组导线(每组至少两根)绞合而成的类似绳索的电缆,每组导线之间相互绝缘,并常围绕着一根中心扭成,整个外面包有高度绝缘的覆盖层。电线电缆是指用于电力、通信及相关传输用途的材料。“电线”和“电缆”并没有严格的界限。通常将芯数少、产品直径小、结构简单的产品称为电线,没有绝缘的称为裸电线,其他的称为电缆;导体截面积较大的(大于6平方毫米)称为大电线,较小的(小于或等于6平方毫米)称为小电线,绝缘电线又称为布电线。电线电缆主要包括裸线、电磁线及电机电器用绝缘电线、电力电缆、通信电缆与光缆。
电线电缆的完整命名通常较为复杂,所以人们有时用一个简单的名称(通常是一个类别的名称)结合型号规格来代替完整的名称,如“低压电缆”代表0.6/1kV级的所有塑料绝缘类电力电缆,建筑电气中用到的电缆大多为低压电缆。电线电缆的型谱较为完善,可以说,只要写出电线电缆的标准型号规格,就能明确具体的产品。
电线电缆产品的名称中包括一般包括:产品应用场合或大小类名称,产品结构材料或型式;产品的重要特征或附加特征。有时为了强调重要或附加特征,将特征写到前面或相应的结构描述前。
配电箱的计算容量是所有负荷回路的容量的总和,即所有三相回路的容量与最大单相负荷容量的三倍之和。计算电流由计算容量得到。
避雷器
避雷器的作用是用来保护电力系统中各种电器设备免受雷电过电压、操作过电压、工频暂态过电压冲击而损坏的一个电器。避雷器能释放雷电或兼能释放电力系统操作过电压能量,保护电工设备免受瞬时过电压危害,又能截断续流,不致引起系统接地短路的电器装置。避雷器通常接于带电导线与地之间,与被保护设备并联。当过电压值达到规定的动作电压时,避雷器立即动作,流过电荷,限制过电压幅值,保护设备绝缘;电压值正常后,避雷器又迅速恢复原状,以保证系统正常供电。
避雷器有管式和阀式两大类。阀式避雷器分为碳化硅避雷器和金属氧化物避雷器(又称氧化锌避雷器)。管式避雷器主要用于变电所、发电厂的进线保护和线路绝缘弱点的保护。碳化硅避雷器广泛应用于交、直流系统,保护发电、变电设备的绝缘。氧化锌避雷器由于保护性能优于碳化硅避雷器,正在逐步取代后者,广泛应用于交、直流系统,保护发电、变电设备的绝缘,尤其适用于中性点有效接地的 110千伏及以上电网。图例中选用的就是氧化锌避雷器。
平面图:
在建筑电气施工图中,平面图通常是将建筑物的地理位置和主体结构进行宏观描述,将墙体、门窗、梁柱等淡化,而电气线路突出重点描述。其他管线,如水暖、煤气等线路则不出现在电气施工图上。
电气平面图是表示假想经建筑物门、窗沿水平方向将建筑物切开,移去上面部分,从上面向下面看,所看到的建筑物平面形状、大小,墙柱的位置、厚度,门窗的类型以及建筑物内配电设备、照明设备等平面布置、线路走向等情况。根据平面图表示的内容,识读平面图要沿着电源、引入线、配电箱、引出线、用电器这样一个“线”来读。在识读过程中,要注意了解电源进户装置、照明配电箱、灯具、插座、开关等电气设备的数量、型号规格、安装位置、安装高度,表示照明线路的敷设位置、敷设方式、敷设路径、导线的型号规格等。
阅读时按下列顺序进行:
①看建筑物概况,楼层、每层房间数目、墙体厚度、门窗位置、承重梁柱的平面结构。
②看各支路用电器的种类、功率及布置
图中灯具标注的—般内容有:灯具数量;灯具类型;每盏灯的灯泡数;每个灯泡的功率及灯泡的安装高度等。
③看导线的根数和走向
各条线路导线的根数和走向,是电气平面图主要表现的内容。比较好的阅读方法是:
首先了解各用电器的控制接线方式,然后再按配线回路情况将建筑物分成若干单元,按“电源一导线一照明及其它电气设备”的顺序将回路连通。
④看电气设备的安装位置
由定位轴线和图上标注的有关尺寸可直接确定用电设备、线路管线的安装位置,并可计算管线长度。
1)照明平面图
以某综合楼二层照明平面图为例,见附图二层照明平面图。
根据设计说明中的要求,图中管线均采用电线管沿墙或楼板内敷设,管径为16mm,导线采用塑料绝缘铜导线,截面积为2.5mm2,管内导线的根数按图中标注,在黑实线(表示管线)上没有标注的表示敷设两根导线,在黑实线上的短斜线上标注的数字则表示导线根数,如有斜线上标注“4”即为四根导线。在图中办公室里,开关到灯具间的导线即为四根(如下图所示),以此类推。
大厅、中厅上空和边厅上空的电源是由大厅照明配电箱2AL引入的,分为WL1、WL2、WL3、WL4、WL5、WL6六个照明回路;左侧区域的电源是从走道靠左侧楼梯间的电井中的照明配电箱2AL-1引入的,分为WL1、WL2照明回路和2WE1、2WE2应急照明回路;右侧办公区域的电源是从消防前室的照明配电箱引来的,只有WL1一个照明回路;右侧公共区域的应急照明电源是从一楼1AT-1箱引来的,共1AT-1,2WE1和1AT-1,2WE2两回路。在配电箱内一般由自动开关控制,不经过漏电保护器。所有进门处安装开关,安装高度为1.4米,距离门框150mm~200mm。
在进行照明设计时,应根据视觉要求、作业性质和环境条件,通过对光源、灯具的选择和配置,使工作区或空间具备合理的照度、显色性和适宜的亮度分布及舒适的视觉环境。灯具的选择是根据具体房间和区域的功能而定的,在确定照明方案时,应考虑不同类型建筑队照明的特殊要求,并处理好电气照明与天然采光的关系。室内一般照明采用同一种类型的光源,当有装饰性或功能性要求时,亦可采用不同种类的光源。图中办公室采用直管荧光灯,公共走道、走廊、楼梯间设人工照明,此建筑为高层建筑,所以还设置了自带电源的应急照明灯、疏散指示灯和安全出口指示灯(如图所示)。疏散指示灯为嵌入式安装,底边距地0.3米,安全出口指示灯为杆吊式安装,底边距地3.0m,荧光灯为吸顶式安装。
图片
图片
图片
照明系统容易忽视的问题:
三相照明线路各相负荷的分配宜保持平衡,最大相负荷电流不宜超过三相负荷平均值的115%,最小相负荷电流不宜小于三相负荷平均值的85%。
照明系统中的每一单相分支回路电流不宜超过16A,光源数量不宜超过25个;大型建筑组合灯具每一单相回路电流不宜超过25A,光源数量不宜超过60个(当采用LED光源时除外)。
插座平面图:
以某综合楼二层插座平面图为例,见附图二层插座平面图。
根据设计说明中的要求,图中管线均采用电线管沿墙或地板内敷设,管径为20mm,导线采用3根塑料绝缘铜导线,截面积为4mm2。
中间和左侧的插座电源是由走道靠左侧楼梯间的电井中的照明配电箱2AL-1引入的,分为WP1、WP2、WP3、WP4、WP5五个回路;右侧区域的插座电源是从消防前室的照明配电箱引来的,分为WP1、WP2两个回路。插座回路在配电箱内一般由漏电开关控制。附图中所有插座均为单相二、三极插座,安装高度为插座底边距地0.3米。插座的数量一般按建筑的开间或根据办公室的基本单元进行布置,一个房间内的插座宜由同一回路配电,如下图所示。
图片
知识拓展:配置插座时易忽视的问题
当插座为单独回路时,每一回路插座数量不宜超过10个(组);用于计算机电源的插座数量不宜超过5个(组),并应采用A型剩余电流动作保护装置。
以某综合楼二层空调配电平面图为例,见附图二层空调配电平面图。
动力系统的电气施工方式,有明敷设和暗敷设两种。一般随土建同步施工的电气安装均为暗敷设,只有对原建筑物内电气线路进行更新改造时,才有可能采用明敷设。附图为暗敷设的空调配电平面图。
本层楼共有3个配电箱,2AL,2AL-1和2AL-2,暗装于墙上,底边距地高度为1.4米。2AL的电源由低压配电屏用3根25mm2和2根15mm2的电力电缆穿50mm2焊接钢管引来,而2AL-1和2AL-2的电源由2AL的三相回路分别用5根10mm2的电力电缆穿40mm2焊接钢管和5根6mm2的电力电缆穿32mm2焊接钢管引来。
此大楼安装的为中央空调,根据风机盘管电源单三相的不同情况,管径大小和导线根数会不同。图中单相空调管线均采用电线管沿吊顶内敷设,管径为20mm,导线采用3根塑料绝缘铜导线,截面积为4mm2;三相空调管线也采用电线管沿吊顶内敷设,但管径为32mm,导线采用5根塑料绝缘铜导线,截面积为6mm2。
电源是由走道靠左侧楼梯间的电井中的照明配电箱2AL引入的,分为F1、F2、F3、F4、F5五个回路,其中F1、F2、F4为单相回路,F3、F5为三相回路。
注意:所有电气平面图中所有箱体及回路的编号,应与系统图中的箱体及回路的编号一一对应。
防雷接地图:
防雷接地是为了泻掉雷电电流,而对建筑物、电气设备和设施采取的保护措施。对建筑物、电气设备和设施的安全使用是十分必要的。建筑物的防雷接地系列,一般分为避雷针和避雷线两种方式。电力系统的接地一般与防雷接地系统分别进行安装和使用,以免造成雷电对电气设备的损害。对于高层建筑,除屋顶防雷外,还有防侧雷击的避雷带以及接地装置等,通常是将楼顶的避雷针、避雷线与建筑物的主钢筋焊接为一体,再与地面上的接地体相连接,构成建筑物的防雷装置,即自然接地体与人工接地体相结合,以达到最好的防雷效果。(暖通南社)
(1)防雷的基本原理
雷电是自然界中的一种放电现象。大气中饱和水蒸气由于气候的变化,发生上升和下降的对流,在对流过程中由于强烈的摩擦和碰撞,大量的水滴聚集成带有不同电荷的雷云,大地就会感应出与雷云极性相反的电荷。当带电云块对地电场强度达到25~30kVcm时,周围的空气会被击穿,雷云对大地发生击穿放电,这就是平时我们看到的闪电,放电时间一般为30~50?s。因为壁垒设备上的避雷针等处于地面上建筑物的最高处,所以比较容易使雷电经避雷针和与之连接的引下线将雷电电流泻到大地中去,从而使被保护的建筑物等免受直接雷击。
避雷针:
避雷针是用来防护电气设备和较高建筑物使其避免遭受直接雷击的装置,避雷针实际上是起引雷(接闪器)作用。因为避雷针的高度超过被保护的建筑物,所以在雷云笼罩下,它的尖端有较大的电能场,能首先将空气中的雷电电流引向尖端而泄入大地,从而避免了该处的雷云向被保护物体放电。
避雷针一般使用镀锌圆钢或使用镀锌钢管加工制成。圆钢的直径一般不小于8mm,钢管的直径一般不小于25mm。它通常安装在电杆或构架、烟囱、建筑物上,下端经引下线与接地装置焊接。避雷针的长度一般不大于5m。
避雷针引下线的安装一般采用圆钢或扁钢,其规格要求为圆钢直径不小于8mm,扁钢厚度为4mm、截面积不小于48mm2。
安装在烟囱上的避雷针引下线其规格要求为圆钢直径不小于12mm,扁钢厚度为4mm、截面积不小于100mm2。
所有避雷针引下线均要镀锌或涂漆,在腐蚀性较强的场所,还应加大截面积或采取其他防腐措施。
避雷针引下线的固定支持点间隔不得大于1.5~2m,引下线的敷设应保持一定的松紧度。从接口到接地体,引下线的敷设越短越好。距离地面2m以内的引下线,应有良好的保护覆盖物,可穿塑料管进行保护,避免人员触及。
避雷针的引下线应安装在人不易碰到的隐蔽处,以免受到机械损坏或接触电压对人员造成伤害。墙壁较厚的建筑物可将引下线抹在墙壁里,也可以放在伸缩缝中。但圆钢规格直径应大于12mm,若采用扁钢,其截面积应大于100mm2。
图片
为了便于检查和摇测避雷针设施的导电情况及接地电阻,应在引下线距地面2m处留有断口。暗装引下线也应在相应的地方做断接卡子接线盒,断接卡子必须镀锌,卡接螺栓直径应大于8mm,使用时应配有平垫和弹簧垫。
在现代建筑施工中,常利用建筑物的金属钢筋作为避雷引下线,实践证明,这种方法有很多优点。因为雷电电流流入钢筋后将与通过梁、楼板等钢筋网连接,尽管大多数为绑扎,却也基本连接成网,雷电流能分散到各部分,成为一个良好的散流网,有利于使整座建筑物处于等电位状态,避免建筑物各部分之间的反击,这样就增加了安全系数。使用主钢筋作为引下线,人们往往担心雷电电流通过钢筋是否会使钢筋过热而影响钢筋的强度,实际上当雷电电流流入钢筋网后,很快便会分散,各部分流过的电流并不是很大的(尤其是多柱的大楼),至于与接闪器连接处的柱子的主钢筋,由于通过绑扎或焊接(施工中已经考虑到其应用)达到多条钢筋并联,所以也不至因温度升高而影响钢筋的强度。这种做法成本低、可靠性好,所以得到了广泛的应用。
②避雷线
避雷线用途有两种,一种用于架空电力线路,以保护电力线路防止遭受雷电侵害,确保架空电力线路的正常运行;另一种用于高层建筑物的防雷,即在建筑物的最高处,沿屋顶边,用直径不小于8mm的镀锌钢筋敷设,钢筋距离建筑物的垂直距离不小于100mm,以防建筑物遭受雷击。
(2)防雷接地平面图
建筑物的防雷接地平面图通常表示出该建筑防雷接地系统的构成情况及安装要求,一般由屋顶防雷平面图、基础接地平面图等组成。
①屋顶防雷平面图见附图防雷平面图。
该图例利用热镀锌圆钢Ф12作避雷带,水平敷设时,支架间距为1.0米,转弯处为0.5米。垂直敷设时,支架间距为1.5米,支架为12mm×4mm扁钢,L=150mm。不在同一平面的避雷带应该做好垂直连接,引下线距地1.8米处设断接卡,一共设两处,供遥测使用。屋顶的金属构件通过Ф10的热镀锌圆钢与避雷带就近焊接连通;避雷带在各连接点与主筋引下线通长焊接,每个柱筋在深处箍筋与每根主筋通长焊接。建筑物外墙金属构件应与建筑物接闪器、引下线连接为一个等电位体。
②基础接地平面图见附图接地平面图。
该建筑按二类防雷建筑考虑,接地体利用建筑物基础部分混凝土内两根主钢筋和建筑物四周按网格尺寸不大于10m×10m敷设的环形接地体相互焊接为一体,网格交叉点及钢筋自身链接均应焊牢靠。防雷装置引下线利用大楼结构外侧主钢筋(不少于两根),钢筋自身上下连接点采用搭接焊,且其上端应与房顶避雷装置,下端应与地网,中间应与各均压带焊接,大楼的总电阻应不大于1欧姆。
此工程采用联合接地,如下图所示。联合接地是将设备的工作接地、保护接地以及建筑物防雷接地共同合用一组接地体的接地方式,由接地体、接地引入线、接地汇集线和接地极四部分组成。在负一楼低压配电室设接地总汇集排(MEB)一处,防止无关人员触动,各层接地分汇集排设在电缆井内,各层汇集排之间用40×4的热镀锌扁钢连接。到接地分汇集排的水平接地分汇集线用VV-1X35mm2连接,到金属管道和设备金属外壳的水平分汇集线用BV-1X25mm2连接。接地极按每隔5m打L50×50×2500的热镀锌角钢,埋深0.8m。
图片
民用建筑物的防雷等级:
① 一类防雷建筑物:
具有特别重要用途的建筑物;
国家级文物保护的建筑物及构筑物;
超高层建筑物,如40层及以上的住宅建筑、高度超过100m的其它建筑。
② 二类防雷建筑物:
重要的或人员密集的大型建筑;
省级文物保护的建筑物及构筑物;
19层及以上的住宅建筑和高度超过50m的其它建筑;
省级及以上的大型计算中心和装有重要电子设备的建筑物。
③ 三类防雷建筑物:
10至18层的普通住宅;
高度不超过50 m的教学楼、普通旅馆、办公楼、图书馆等建筑。(暖通南社)
均压带:围绕建筑物形成一个回路的导体,他与建筑物雷电引导体间相互连接,并且使雷电流在各引下导体间分布比较均匀。
识图方法:
1.电气施工图的特点
建筑电气工程图大多是采用统一的图形符号并加注文字符号绘制而成的;电气线路都必须构成闭合回路;线路中的各种设备、元件都是通过导线连接成为一个整体的;建筑电气工程图对于设备的安装方法、质量要求以及使用维修方面的技术要求等往往不能完全反映出来,所以要参照相关图集和规范。
2.电气施工图的组成
建筑电气施工由:图纸目录与设计说明;主要材料设备表;系统图;平面布置图;控制原理图;安装接线图;安装大样图(详图)组成。
3.电气施工图的阅读方法
熟悉电气图例符号,弄清图例、符号所代表的内容;针对一套电气施工图,一般应先按以下顺序阅读,然后再对某部分内容进行重点识读;抓住电气施工图要点进行识读;结合土建施工图进行阅读;熟悉施工顺序,便于阅读电气施工图。如识读配电系统图、照明与插座平面图时,就应首先了解室内配线的施工顺序;识读时,施工图中各图纸应协调配合阅读。
4. 电气施工图的读图原则
先强电后弱电,先系统后平面,先动力后照明,先下层后上层,先室内后室外同,先简单后复杂。
5.电气施工图的读图方法、顺序
图片
(1)看标题栏:了解工程项目名称、内容、设计单位、设计日期、绘图比例。
(2)看目录:了解单位工程图纸的数量及各种图纸的编号。
(3)看设计说明:了解工程概况、供电方式、以及安装技术要求。特别注意的是有些分项局部问题是在各分项工程图纸上说明的,看分项工程图纸时也要先看设计说明。
(4)看图例:充分了解各图例符号所表示的设备器具名称及标注说明。
(5)看系统图:各分项工程都有系统图,如变配电工程的供电系统图,电气工程的电力系统图,电气照明工程的照明系统图,了解主要设备、元件连接关系及它们的规格、型号、参数等。
(6)看平面图:了解建筑物的平面布置、轴线、尺寸、比例、各种变配电设备、用电设备的编号、名称和它们在平面上的位置、各种变配电设备起点、终点、敷设方式及在建筑物中的走向。
(7)读平面图的一般顺序:
图片
(8)看电路图、接线图:了解系统中用电设备控制原理,用来指导设备安装及调试工作,在进行控制系统调试及校线工作中,应依据功能关系上至下或从左至右逐个回路地阅读, 电路图与接线图端子图配合阅读。
(9)看标准图:标准图详细表达设备、装置、器材的安装方式方法。
(10)看设备材料表:设备材料表提供了该工程所使用的设备、材料的型号、规格、数量,是编制施工方案、编制预算、材料采购的重要依据。


相关推荐链接:

1、山东某钢结构单层厂房建筑、结构、电气全套图纸

2、某智能化室外手孔井详细图纸(建筑电气)



全部回复(0 )

只看楼主 我来说两句抢沙发
这个家伙什么也没有留下。。。

电气工程原创版块

返回版块

2.2 万条内容 · 598 人订阅

猜你喜欢

阅读下一篇

看不懂建筑电气施工图怎么办?看完这些分分钟提高!

知识点:建筑电气图 如何看懂建筑电气工程图?首先你需要知道建筑图纸中常用的文字符号及图形符号,也就是工程语言。 掌握了这个语言,你就可以初步了解图纸内容啦,比如画图纸人的意图,以及图纸的工程项目等等。 建筑电气施工图概念

回帖成功

经验值 +10