跨水域桥梁,满足洪水宣泄要求。桥梁基本尺寸,包括桥孔长度、桥面标高、基础埋深等的确定,必须考虑设计使用年限内可能发生的最大洪水,包括其流量、流速及水位等因素。
设计流量的推算,要按《 公路工程水文勘测设计规范》 的要求,根据所掌握的资料情况,选择适当的计算方法。对于大、中河流,具有足够的实测流量资料时,主要采用水文统计法。而缺乏实测流量资料时,则多采用间接方法或经验公式计算。
计算时要注意水文断面与桥位的关系,正确推算桥位处的设计流量和设计水位。
桥涵一般都缺乏观测资料。因此相关部门制定了各种小流域流量计算公式和相应的图表作参考,设计时,应以多种计算方法予以比较。
常用的方法:形态调查法、暴雨推理法和直接类比法。
暴雨推理公式是直接根据设计规定频率P推求出对应的洪峰流量Qp,此方法计算出的Qp即是拟建小桥涵处设计流量。
形态调查法和直接类比法仅推出了形态断面处或原有小桥涵位处的流量Q‘p故须向拟建小桥涵位处折算成设计洪峰流量Qp。
在条件许可情况下,宜用几种方法计算互相核对比较,并通过加强调查研究、积累资料、进行科学实验,找出适合本地区的计算方法,结合实际情况确定计算公式和有关的参数。
(1)调查和勘测。对复杂的大桥、特大桥应进行物探和钻探;考虑现状,征求有关部门的意见,经全面分析认证,确定推荐方案。
(2)在整体布局上与铁路、水力、航运、城建等方面规划互相协调配合;保护文物、环境和军事设施等;照顾群众利益,少占良田,少拆迁。
(3)高速公路、一级公路的特大、大、中桥桥位线形应符合路线布设要求。原则上应服从路线走向;桥、路综合考虑;注意位于弯、坡、斜处的桥梁设计和施工的难度。
(4)对水文、工程地质和技术复杂的特大桥位、应在已定路线大方向的前提下、根据河流的形态特征、水文、工程地质、通航要求和施工条件以及地方工农业发展规划等,在较大范围内作全面的技术、经济比较确定。
(5)跨河位置、布孔方案等应征求水利、航运等部门的意见。
桥孔长度的确定,应满足排洪和输沙的要求,并从安全和经济两方面考虑,同时应综合考虑桥孔长度、桥前壅水和桥下冲刷的相互影响。
桥孔布设应与天然河流断面流量分配相适应。
河流中泓线(河道中各横断面水流最大流速点的连线)上不宜布设桥墩。
桥面设计标高和引道路堤设计标高要综合考虑桥面纵向坡度、排水和两岸路线接线标高等因素后分别确定,要求要高于或等于由水力水文计算所确立的桥面中心最低标高和引道路堤最低设计标高。
冲刷计算的目的是确定桥下最大冲刷深度,确定桥梁基础最浅埋深。
桥梁墩台冲刷包括河床自然演变冲刷、一般冲刷和局部冲刷三部分。在确定基础埋深时,应根据桥位河段情况,取其不利组合作为基础埋深的依据。

板桥
1)实心板
特点:形状简单、施工方便、建筑高度小、结构整体刚度大;不经济、自重大
适用:小跨度桥梁跨径<8m,梁高0.16-0.36m
2)空心板
特点:较实心板复杂、建筑高度小、结构整体刚度大;板内需配制钢筋
适用:小跨度桥梁跨径6-13m,梁高0.4-0.8m
预应力:跨径13-20m,梁高0.4-0.85m

肋梁桥
特点:制作简单,整体性好,接头方便;截面形状不稳定,运输安装复杂,对受力不利
跨径8-20m,预应力跨径25-50m

箱型梁桥
特点:抗弯惯矩大、抗扭刚度大、受力比较均匀、施工或者运输时稳定性好
适用:大跨度桥梁

按静力体系分
简支梁桥
构造简单:最易设计为各种标准跨径的装配式结构;
受力简单:梁中只有正弯矩,适用T形截面,体系温度变化、混凝土收缩徐变、张拉预应力等均不会在梁中产生附加内力;
静定结构:结构内力不受地基变形的影响,对基础要求低
施工方便:工序少,架设方便,在多孔简支梁桥中,由于各跨构造和尺寸划一,因此可简化施工管理工作,降低施工费用

受力特点:相邻桥孔各自单独受力
受力特点:相邻桥孔各自单独受力
连续梁桥
超静定结构:基础不均匀沉降造成附加应力产生,对基础要求高
受力:节点负弯矩的产生,减小跨中正弯矩,减少跨中建筑高度
结构:刚度大,变形小,动力性能号,挠度小
适用:地基较好的桥址上

悬臂梁桥
静定结构:基础不均匀沉降不会造成附加应力产生
受力:悬臂梁端负弯矩的产生,减小跨中正弯矩,减少跨中建筑高度

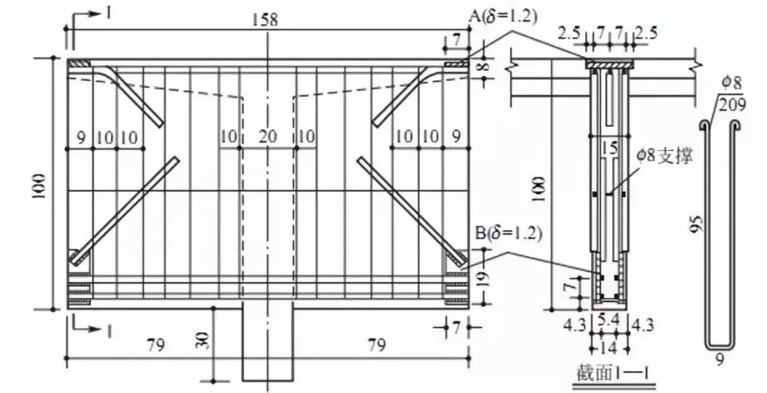
整体式简支板桥一般均采用等厚度板,它具有整体性能好,横向刚度大,而且易于浇筑各种形状的优点,常用于跨径4-8m或外形不规则的桥梁,常采用整体现浇的施工方法。
整体式简支板桥的跨径通常与板宽相差不大,在车辆荷载作用下处于双向受力状态。荷载位于桥中线时,板内产生正弯矩,荷载位于板两边时,板内可能产生负弯矩。针对这些受力特点,除了配置纵向受力钢筋,板内还设置垂直于主钢筋的横向分布钢筋,在板的顶部配置适当的横向钢筋。
在板中间的2/3范围内按计算需要量进行配筋,在两侧各1/6的范围内应比中间的计算需要量增加15%。
主筋直径>10mm,间距<20cm,在整体式板的主拉应力下,按计算不需要设置弯起钢筋,但习惯上仍然将一部分主钢筋弯起。通过支点的不弯起钢筋,每米板宽内不少于3根,截面积不少于主筋的1/4,弯起钢筋的弯起角度为30°或45°,弯起的位置为1/6-1/4跨径处。与板边缘间的净距应小于3cm。
分布钢筋,直径>8mm,间距<20cm,同时在单位长度板宽内的截面积应不小于板的截面面积的0.1%。与板边缘间的净距应小于15mm。
如图所示标准跨径6m的钢筋混凝土整体式简支板桥构造。行车道宽7m,两边设0.25m的安全带,计算跨径为5.69m,净跨径为5.40m,板厚为36m,纵向主钢筋用直径18mm的HRB335钢筋,分布钢筋用直径,10mm的R235钢筋。桥跨结构的混凝土强度等级为C20。

实心板桥
特点:形状简单、施工方便、建筑高度小、施工质量易于保证。
尺寸:跨径通常<8m,标准图的跨径为1.5m,2.0m,3.0m,4.0m,5.0m, 6.0m,8.0m,板高为0.16-3.0m。

空心板桥
特点:质量轻、运输安装方便、而建筑高度又较同跨径的T梁小
尺寸:跨径通常6-13m,板厚为40-80cm;预应力跨径8-20m,板厚40-70cm。


装配式横向连接


受力特点
1)整体式斜交板桥
(a)图按主弯矩方向的变化配置主筋,其分布钢筋则与支承边平行,根据钝角处有较大的反力和负弯矩的特性,在钝角处约1/5跨径的范围内应配置加强钢筋。

(b)在两钝角角点之间的范围内,主钢筋方向与支承边垂直,在靠近自由边处主钢筋则沿斜跨径方向布置,直至与中间部分主钢筋完全衔接为止,其横向分布钢筋与支承边平行。其余钢筋的配置仍与第一种方案相同。

2)装配式斜交板桥
主钢筋沿斜跨径方向配置,分布钢筋在钝角角点之间的范围内与主钢筋垂直,在靠近支承边附近,其布置方向则与支承边平行。
装配式钢筋混凝土斜板上部构造标准图中,斜跨跨径为3m、4m、5m、6m。斜交角分 25°、30°、35°、40°、45°、50°、55°、60°等,预制板在垂直于行车方向的板宽为99cm,板厚20-48cm。

钢筋布置方式
第一种方案:当斜交角为25-35° 时,主钢筋沿斜跨方向布置,分布钢筋按平行于支承边方向布置。
第二种方案:钢筋布置同前页方案。


1)装配式钢筋混凝土简支T梁桥

构造布置及尺寸
梁:梁距通常在1.5-2.2m之间,梁高一般为跨径的1/18-1/11。
梁肋宽度15-18cm。
翼缘板:承受全部桥面荷载的,板端厚度一般为8cm,承受本身自重或临时荷载的,板端厚度6cm。
横隔梁:间距5-6m,布置于跨中及四分点处,高度为主梁高3/4,梁肋宽度为12-16cm。

钢筋构造
主梁
主筋:至少有2根,且不小于20%的主钢筋应伸过支承截面,简支梁两侧的受拉主钢筋应伸出支点截面以外,并弯成直角顺梁端延伸至顶部。
分布钢筋:直径6-10mm,间距不大于腹板厚度和200mm,受压区不大于300mm,剪力大的区域,间距100-150mm。
箍筋:直径不小于8mm切不小于主筋直径1/4,间距不大于梁高的1/2和40cm,支座附近一倍梁高范围内间距不大于10cm,第一个箍筋距梁端3cm。
架立钢筋:10-14mm直径的钢筋。
保护层:主钢筋与梁底的净距在3-5cm,主筋与侧面净距不小于2.5cm,混凝土与箍筋或分布钢筋净距不小于1.5cm。
翼缘板
主筋:直径不小于10mm,每米板宽内不少于5根。
分布钢筋:直径不小于6mm,间距不大于25cm,单位板宽内截面积不少于主筋的15%,横隔梁处不少于30%。
横隔梁
横隔梁的箍筋是抗剪的,在横隔梁顶部翼板内和靠近下部边缘的两侧均埋有焊接钢板A和B,焊接钢板则与横隔梁的受力钢筋焊接在一起做成安装骨架,当T梁安装就位后,即在横隔梁的预埋钢板上再加焊接钢板使连成整体。

横向联结
钢板式连接
上缘接头钢板设在T梁翼板上,下缘接头钢板设在横梁梁肋的两侧,焊接钢板预先与横隔梁的受力钢筋焊接在一起做成安装骨架,当T梁安装就位后,即可在横隔梁的预埋钢板上再加焊接钢盖板使连成整体。

扣环式接头
横隔梁在预制时在接缝处伸出钢筋扣环A,在相邻构件的扣环两侧再安装上腰圆形的接头扣环B,在形成的圆环内插入短分布筋后就现浇混凝土封闭接缝,接缝宽度为0.2-0.5m。

企口铰接式接头
主翼板内伸出连接钢筋,交叉弯制后在接缝处再放局部的钢筋网,并将它们浇筑在桥面混凝土铺装层内,或者可将翼板的顶层钢筋伸出,并弯转套在一根长的钢筋上,以形成纵向铰。

相关资料推荐:
https://ziliao.co188.com/d52549468.html
知识点:桥梁结构设计
0人已收藏
0人已打赏
免费3人已点赞
分享
桥梁工程
返回版块19.44 万条内容 · 655 人订阅
阅读下一篇
典型钢结构桥梁设计,纯干货!钢结构桥梁的问世意味着桥梁设计建设行业的进步,而做好桥梁钢结构的设计工作是保证桥梁钢结构拥有高质量的前提。桥梁钢结构设计必须要符合钢结构桥梁的特性,并结合桥梁建设所处的复杂环境进行设计。所以,桥梁钢结构设计成为了桥梁建设的重点工作,必须给予充分重视。
回帖成功
经验值 +10
全部回复(0 )
只看楼主 我来说两句抢沙发