知识点:措施项目
措施项目——模板工程量计算规则
模板的作用:现浇混凝土成型工具,现场按构件外形支设,待混凝土养护硬化后拆掉。
钢筋混凝土构件施工有三道工序,即模板、钢筋、混凝土(拌制和浇捣)。
混凝土的施工流程

现浇混凝土及钢筋混凝土模板工程量的计算,除另有规定者外,均应区别模板的不同材质,按混凝土与模板接触面的面积,以平方米计算。不同构件模板接触面如图所示。

一、《房屋建筑与装饰工程工程量计算规范》规定
1、基础、柱、梁、墙、板
工程量计算规则:按模板与现浇砼构件的接触面积计算。
①现浇钢筋砼墙、板单孔面积≤0.3㎡的孔洞不予扣除,洞侧壁模板亦不增加;单孔面积>0.3㎡时应予扣除,洞侧壁模板面积并入墙、板工程量内计算。
②现浇框架分别按梁、板、柱有关规定计算;附墙柱、暗梁、暗柱并入墙内工程量内计算。
③柱、梁、墙、板相互连接的重叠部分,均不计算模板面积。
④构造柱按图示外露部分计算模板面积。
2、扶手、散水、后浇带、化粪池、检查井、天沟、檐沟、其他现浇构件、电缆沟、地沟
工程量计算规则:按模板与混凝土的接触面积计算。
3、楼梯
工程量计算规则:按楼梯(包括休息平台、平台梁、斜梁和楼层板的连接梁)的水平投影面积计算,不扣除宽度≤500mm 的楼梯井所占面积,楼梯踏步、踏步板、平台梁等侧面模板不另计算,伸入墙内部分亦不增加。
4、台阶
工程量计算规则:按图示台阶水平投影面积计算,台阶端头两侧不另计算模板面积。架空式混凝土台阶,按现浇楼梯计算
二、配套定额相关规定及计算规则
1、总体项目划分
本节定额的项目有:胶合板模板、木模板、构筑物模板、预制砼构件模板四大部分。
内容涉及模板、模板增加费(悬挑构件模板增加费、现浇砼模板支撑高度、现浇砼板超厚支撑增加费等)。
现浇构件的模板项目,工程内容包括了:
①模板(制作、安装、拆除、场外运输);
②3.6米以内的支撑(胶合板模板含:门架支撑、钢支撑、木支撑;木模板含:钢支撑、木支撑);
③安装模板使用一般简易脚手架。

2、现浇构件模板
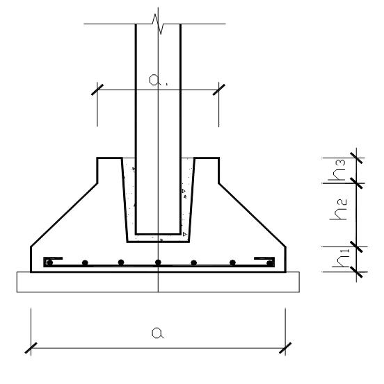
(一)基础
1、项目划分

2、工程量计算
现浇构件模板总体规定:
现浇混凝土模板除另有规定者外,均应区分模板不同材质,按混凝土与模板接触面以面积计算;
不扣除墙、板单孔面积在1.0m2以内的孔洞面积,洞侧壁模板也不增加;
扣除单孔面积在1.0m2以外的孔洞面积,洞侧壁模板面积并入相应模板项目计算;
不扣除柱与梁、梁与梁、梁与墙连接重叠部分面积;
应扣除梁与板、柱与墙、墙与墙连接重叠部分面积。
基础
(1)垫层:按混凝土与模板接触面以面积计算。
(2)带形基础:基础侧高(2侧和)×带形基础长度
带形基础的长度:带形基础、桩承台外墙按基础中心线计算,内墙按基础上口净长度计算;
带形基础、桩承台内外墙交接部分面积不扣除,基础端头的模板不另计算;
带形基础与独立基础连接时,带形基础的长度按其两端独立基础上口的净长度(即按中心线的长度减去独立基础上口长度的差)计算。
S=混凝土与模板接触面积计算
(3)独立基础:独立基础周长×基础侧高
独立基础、桩承台与带形基础、桩承台连接部分的面积不扣除。
(4)满堂基础:
满堂基础、桩承台按底板与梁模板接触面积之和计算;
外墙基础梁长度按中心线长度计算,内墙基础梁长度按净长度计算;基础梁交接部分面积不扣除,基础梁端头的模板不另计算。
(5)基础梁:基础梁砼与模板接触面展开之和(2面或3面)×基础梁长度。
基础梁的长度按基础或柱之间的净长度计算;梁与梁交接部分的面积不扣除;梁端头的模板不另计算。
模板接触面为2面的套无底模项目;
模板接触面为3面的套有底模项目。
(6)设备基础:计算方法同独立基础。
(7)设备基础螺栓套:设备基础螺栓套按不同长度以个计算。
独立基础

阶梯型

锥形
杯形基础


条形基础

无梁式

有梁式
S=混凝土与模板的接触面积=基础支模长度×支模高度

条形基础支模长度
满堂基础


箱形基础

基础模板一般只支设立面侧模,顶面和底面均不支设。
求下图基础垫层及基础的模板工程量。

S垫=(1.8+0.2+2.0+0.2) ×2×0.1=0.84m2
S独基=(1.8+2.0) ×2×0.4+(1.2+1.25)×2×0.4=5.0m2
例:某砖混结构基础平面及断面图,砖基础为一步大放脚,砖基础下部为钢筋混凝土基础。求:钢筋混凝土基础模板工程量。


S外=(6.0+0.5×2+9.9+0.5×2) ×2×0.2=7.16m2
S内=(3.3-0.5×2+6.0-0.5×2) ×2×0.2×3=8.76m2
S总=7.16+8.76=15.92m2
求下图条基及独基模板工程量。
己知L条=49.89m
条基部分为C15砼,独基为C25砼


分析:独立基础与条形基础是一起支模浇筑还是分批次支模浇筑?

S条基=49.89×0.25×2=24.95m2
1、若独基与条基混凝土标号一致,截面高度一样则在施工过程中可能一起浇筑,这种情况下,柱基与独基交接面可不支设模板。
2、综合结构与施工知识,一般柱下独立基础与墙下条形基础并存时,独基承受的是柱重量,条基承受的仅为一层墙重量,其基础配筋和强度往往不一样,浇筑过程为先支模浇筑独立基础,再支条基侧模浇筑条型基础。
3、本工程中,条基为C15素混凝土,独基为C25钢筋混凝土,显然是分两次支模浇筑。

Sj1=1.6×4×0.3+1.0×4×0.3=3.12m2
【应用案例】
例:计算图示的有梁式带形基础模板工程量。

(a)平面图 (b)剖面图
带形基础示意图
解:L中=(4.2×2+5.1)×2=27m
外墙基础模板工程量=外墙基础底板两侧模板工程量+外墙基础梁两侧模板工程量=(27×2×0.2-1.3×2×0.2)+(27×2×0.3-0.4×2×0.3)=26.24㎡

内墙基础模板工程量=内墙基础底板两侧模板工程量+内墙基础梁两侧模板工程量=(5.1-0.65×2)×2×0.2+(5.1-0.2×2)×2×0.3=4.34㎡

基础模板工程量=外墙基础模板工程量+内墙基础模板工程量=26.24+4.34=30.58㎡
(二)柱
1、项目划分

2、工程量计算
柱模板:S=L×H
L——柱砼与模板接触面展开周长(柱与墙交接应扣柱与墙连接重叠部分)
H——柱高
①有梁板的柱高应自柱基上表面(或楼板上表面)至上一层楼板上表面之间的高度计算;
②无梁板的柱高应自柱基上表面(或楼板上表面)至柱帽下表面之间的高度计算;
③框架柱的柱高应自柱基上表面至柱顶的高度计算;
④构造柱的柱高应自柱底至柱顶(梁底)的高度计算;
⑤依附柱上牛腿的模板面积并入柱工程量中。
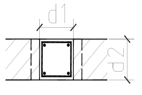
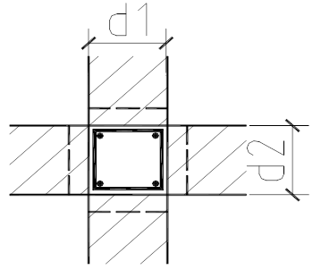
★先砌墙的构造柱模板的工程量按图示外露部分的最大宽度乘以柱高计算。
现浇混凝土柱模板


构造柱
构造柱示意图

构造柱支模
板示意图

注意比较(以角柱为例):
混凝土计算时,每一个马牙槎的增加尺寸计30mm,即马牙槎宽度平均值;而在模板工程量计算中,每个马牙槎边的增加宽度计60mm,为马牙槎最宽值。
构造柱模板计算

一字形 S=(d1+0.12)×2 × h

L形 S=[(d1+0.06)+(d2+0.06)+ (0.06 ×2)] ×h

T字形 S=[(d1+0.12)+(0.06 ×4)] ×h

十字形 S=0.06× 2 × 4×h
【例】某工程在图中所示的位置上设置了构造柱。已知构造柱尺寸为240mm×240mm,柱支模高度为3.0m,墙厚度240mm。试计算构造柱模板工程量。

1. 转角处
S=[(0.24+0.06)×2+0.06×2]×3.0=2.16m2
2. T形接头处
S=[0.24+0.06×2+0.06×2×2]×3.0=1.8m2
3. 十字接头处
S=0.06×2×4×3.0=1.44m2
构造柱模板工程量=2.16+1.8+1.44=5.4m2
3、现浇混凝土梁模板
梁的种类

(三)梁
工程量计算
梁模板:S=砼与模板接触展开面长度×梁长L
梁交接部分的面积不扣除,梁头的面积亦不增加。
梁垫的模板面积并入梁计算。

梁长、梁高的取值

梁高:单梁均按全高计算侧模
例:某工程有20根现浇钢筋混凝土矩形单梁L1,其截面和配筋如下图所示,试计算该工程现浇单梁模板的工程量。

梁底模:6.3m×0.2m=1.26m2
梁侧模:6.3m×0.45m×2=5.67m2
模板工程量:(1.26+5.67)×20=138.6m2
(四)现浇混凝土板模板
1、项目划分

有梁板

有梁板模板=S板+S梁
板S模板=全长×全宽-(Skz)
梁S模板= 2×(梁高-板厚)×梁长
注意:
☆梁与梁交接部分的面积不扣除,梁端头的模板不另计算。
☆板周边的侧模已综合在定额内,不得另行计算(固梁外侧模依然算至板底)。
斜屋面有梁板——按斜屋面有梁板计算的:
对于设计斜度在25°~60°之间的坡屋面,按上下双面支模计算,套用斜屋面有梁板模板项目。
按有梁板模板计算的:
对于设计斜度≤15°的坡屋面,按有梁板定额项目计算 (即单价不调整);
对于设计斜度在15°~25°的坡屋面,按底面支模计算,套用有梁板模板定额乘以1.05系数;
按墙计算的:
对于设计斜度≥60°的坡屋面,按上下双面支模计算,套用墙模板定额;
无梁板、平板

③平板:按混凝土板底与模板接触面以面积计算。
④无梁板:按板、柱帽模板面积之和计算。
⑤梁板圆弧形增加费
圆弧形梁增加费按底模与侧模的模板面积之和计算。
圆弧形板增加费按弧形边以长度计算。
[例]某现浇钢筋混凝土有梁板,如图所示,胶合板模板,钢支撑,计算有梁板模板工程量。


解:有梁板模板工程量=(2.60×3-0.24)×(2.4×3-0.24)+(2.4×3 -0.24)×(0.50-0.12)×4+(2.60×3-0.24-0.25×2)×(0.40-0.12)×4=72.93m2
注:
1)现浇混凝土板的模板,按混凝土与模板接触面积,以平方米计算。
伸入梁、墙内的板头,不计算模板面积。
2)梁与梁相交时,不扣除次梁梁头所占主梁模板面积。
3)单梁,支座处的模扳不扣除,端头处的模板不增加。
4)支撑在混凝土墙上的梁——墙间净距。
(五)墙
1、项目划分

2、工程量计算
墙模板:S=L×H
①高度H:由墙基上表面(或楼板上表面)算至上一层楼板(或梁)下表面。板厚不同时,按板面积最大的板厚扣除。
②长度L:墙均按净长计算。墙与墙交接部分的长度应扣除,墙端头的模板面积应增加。
☆暗柱、暗梁按墙定额项目计算。
现浇混凝土柱、梁、板、墙模板支撑
判断支撑是否超高的问题:
①柱支撑高度:从基础面或结构层板面至上层有梁板板底或无梁板柱帽底的高度;
②构造柱支撑高度:从基础面或结构层板面至上层梁底的高度;
③墙、电梯井壁支撑高度:从基础面或结构层板面至上层板底的高度;墙顶有梁且梁宽大于墙厚时,支撑高度为自基础面或结构层板面至上层梁底的高度;
即:竖向构件模板超高支撑计算高度同模板计算高度,仅是需要扣减3.6米。
④有梁板、无梁板、平板支撑高度:从设计室外地坪或结构层板面至上层板底的高度,计算模板超高支撑费时应包括肋梁或柱帽的模板面积;
⑤单梁支撑高度:从设计室外地坪或结构层板面至上层梁底的高度
⑥楼梯模板支撑高度为板底垂直高度。支撑高度超过3.6m时,板式楼梯按超过部分的水平投影面积乘系数1.15,梁式楼梯按超过部分的水平投影面积乘系数1.5,套有梁板模板超高支撑增加费定额项目。
超厚判断标准:
混凝土板的厚度以160mm以内为准,超过160mm的,另按其模板工程量计算模板超厚支撑增加费。超厚支撑按每增厚50mm计算一个增加层,不足50mm按50mm计算。
工程量计算:
仅计算超厚板的模板接触面积,其依附的梁不能计算。
悬挑构件模板支撑增加费
挑出墙面的有梁板支撑高度超过10.8m且宽度不大于2m时,另按水平投影面积计算悬挑构件支撑增加费,不再另算模板超高支撑增加费。
(六)其他模板计算

整体楼梯
S=楼梯各层的水平投影面积之和(梯井宽≤500mm时)
S=楼梯各层的水平投影面积之和-各层梯井所占面积
(梯井宽>500mm时)
整体楼梯支模
楼梯包括休息平台、平台梁、斜梁及楼梯与楼板的连接梁,按设计图示尺寸以水平投影面积计算,不扣除宽度小于500mm的楼梯井所占面积,楼梯的踏步板、平台梁等侧面模板不另计算。
楼梯

1.楼梯的踏步、踏步板、平台梁等侧面模板不另计算。
2.水平投影面积包括:休息平台、平台梁、斜梁及连接楼梯与楼板的梁。在此范围内的构件,不再单独计算;此范围以外的,应另列项目单独计算。

当C≤500mm时,
S=B×L
当C>500mm时,
S=BL-CX
悬挑板(阳台板、雨篷板)
阳台板

S=外挑部分尺寸的水平投影面积
强调:挑出墙外的牛腿梁及板边模板不另计算。
雨篷板
1、不带反挑檐的雨篷

S=外挑部分尺寸的水平投影面积=AL
2、带反挑檐的雨篷

S=混凝土与模板接触面积计算
注意:挑檐的支模位置有三处:雨棚板底、雨棚挑檐立板两侧。这三处模板由于的位置不同,其支模长度不相等,故应分别计算。
挑檐模板
按混凝土与挑檐的接触面积计算。


【例】某屋面挑檐的平面及剖面图如图所示。试计算挑檐模板工程量。
【解】
挑檐板底
挑檐宽度×挑檐板底的中心线长
=0.6×(30+0.6+15+0.6)×2=0.6×92.4=55.44 m2
2. 挑檐立板
立板外侧:挑檐立板外侧高度×挑檐立板外侧周长
0.4×(30+0.6×2+15+0.6×2)×2=0.4×94.8=37.92 m2
立板内侧:挑檐立板内侧高度×挑檐立板内侧周长
(0.4-0.08)×[30+(0.6-0.06)×2+15+(0.6-0.06)×2]×2=0.32×94.32=30.18 m2
挑檐模板工程量S= 55.44+37.92+30.18=123.54 m2
例:已知建筑物外墙中心线长30m,中心线宽15m,外墙厚240mm,如图7-3所示,求该建筑物挑檐模板工程量。

挑檐剖面图
解:
1)挑檐底板模板工程量=挑檐宽度×挑檐板底中心线长=0.6×(15+0.24+0.6+30+0.24+0.6)×2=56.02㎡
2)挑檐立板外侧模板工程量=挑檐立板外侧高度×挑檐立板外侧周长=(0.35+0.08)×(15+0.24+0.6×2+30+0.24+0.6×2)×2=41.18㎡
3)挑檐立板内侧模板工程量=挑檐立板内侧高度×挑檐立板内侧周长=0.35×(15+0.24+0.52×2+30+0.24+0.52×2)×2=33.29㎡
台阶:
台阶不包括梯带,按图示尺寸的水平投影面积计算,台阶端头两侧模板不另计算,台阶两侧的挡墙另行计算。

S=台阶水平投影面积

强调:台阶与平台的分界线应以最上一层踏步外沿加300mm计算。
例:混凝土台阶如图所示,试计算其模板工程量。

台阶示意图
解:台阶模板工程量=(3.0+4×0.3)×(0.9+2×0.3)-(3.0-2×0.3)×(0.9-0.3)=5.05㎡
混凝土后浇带二次支模工程量按混凝土与模板接触面积计算。
后浇带二次支模工程量
=后浇带混凝土与模板接触面积
相关推荐链接:
0人已收藏
0人已打赏
免费0人已点赞
分享
土建工程造价
返回版块21.84 万条内容 · 643 人订阅
阅读下一篇
分部分项工程怎么划分?知识点:分项工程 一、建筑工程分部工程、分项工程划分 二、室外工程的单位工程、分部工程划分 三、建设工程各项验收程序关系对照表 四、划分依据 建筑工程分部工程、分项工程划分
回帖成功
经验值 +10
全部回复(0 )
只看楼主 我来说两句抢沙发