土木在线论坛 \ 给排水工程 \ 市政给排水 \ 关于居住小区雨污水提升系统的设计要点及探讨

关于居住小区雨污水提升系统的设计要点及探讨

发布于:2022-09-01 13:09:01 来自:给排水工程/市政给排水 [复制转发]

摘要

居住小区一般在自行车坡道入口、单体地下室、室外下沉广场和汽车坡道入口等需要设置雨污水提升排放系统。某些小区由于市政管网高于基地雨污水排出管,也需要设置排水泵站。雨污水提升系统包括集水坑、排污泵和排出管道等。

关键词   集水坑 排污泵 有效容积


随着国家经济的飞速发展,房地产项目的综合性越来越高,在近几年的设计过程中,地下部分的设计工作也越来越复杂。对于给排水设计专业来说,地下排水是一项非常重要的内容,设计不当会造成地下室被淹、水泵电机烧毁等,给人们的生活水平造成干扰,发现问题时间才来补救,困难太大,因土建专业预留的集水坑已经施工完毕,难以更改。所以此处设计也不可马虎。


居住小区的集水坑,大致可以分为以下几个类型:1.坡道集水坑,包括自行车坡道集水坑和汽车坡道集水坑;2.住宅单体地下室集水坑,包括消防电梯集水坑及非消防电梯集水坑、地下室集水坑、下沉庭院集水坑;3.地库内集水坑,包括冲洗用集水坑及消防排水集水坑、设备用房集水坑;4.小区雨水泵站。


1. 坡道集水坑


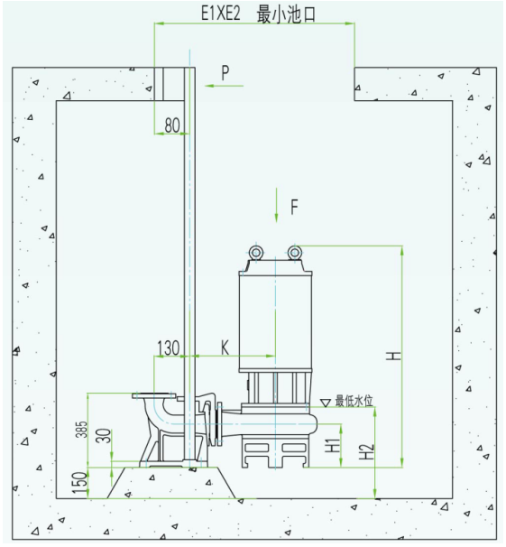
以汽车坡道为例,集水面积约160m?(含坡道两侧的侧墙面积),降雨历时按5min计算,暴雨重现期按50年计算,得其排水量为36m?/h(以上海为例)。设置一个2.0mx2.0mx1.5m(净尺寸)的集水坑,提升泵参数为Q=36 ,H=15m,N=3.0KW,见图1及表2。


图片
图片


如图1及表2:水泵启泵水位为坑底标高+1.3(m),停泵水位为坑底标高+0.34(m),所以集水坑的有效容积3.8 ,水泵5min的排水量为3.0,3.8>3.0,满足要求。


由于目前业主为节省投资,减少开挖量,常常压缩集水坑参数,认为仅仅把水泵放置在集水坑即可,因此最后一步核算其有容积是否满足规范要求相当重要,且在实际使用中,集水坑过小会导致水泵启动次数频繁,影响电机寿命。如果能够保守一些,建议集水坑做2.0mx2.0mx1.5m(净尺寸)的集水坑,建议水泵带自动切割功能,以免堵塞泵腔,延长水泵寿命。


根据规范,汽车坡道一般会有两道及以上的截水沟,首先室外入口处会设一道截水沟,其收集的雨水排至雨水检查井,如果坡道比较长的中间会增加截水沟,地库最低处也会设置一道截水沟,这两道截水沟收集的雨水会排至车库入口集水坑里。由于雨水涌入地下室可能造成较大损失,水泵的运行方式建议为交替运行,高水位同时启动,电源可采用双路供电,增强其运行的可靠性。


同时,人为防汛也很重要,比如车库入口堆放防汛沙袋或设置防洪板等。


图片


2. 住宅单体地下室集水坑


根据《建筑设计防火规范》GB50016-2014的7.3.7条,消防电梯的井底应设置排水措施,集水坑的有效容积不应小于2m?,排水泵的排水量不应小于10L/s。一般情况下,我们会在消防电梯基坑附近设置一个更深的集水坑,电梯基坑底设一根或两根DN150的钢管埋至消防电梯集水坑。但规范或者其它参考文献从未提及普通电梯是否需要集水坑,但在后期的实际使用中,电梯集水坑已经成为建筑物内的低洼处,一旦有水外溢时,水就会积聚到集水坑,因而会造成整个电梯底基坑太潮而引起电气原器件腐蚀损坏,因此建议非消防电梯也设置集水坑,同样在电梯基坑底设一根或两根DN150的钢管埋至电梯集水坑,但集水坑的有效容积以及排水泵的排水量可以适当缩小。根据上海市《民用建筑水灭火系统设计规程》DGJ08-94-2007第9.2.4条,消防电梯井基坑下应单独设置消防排水设施。其条文解释是:消防电梯的集水坑和排水泵应与其他排水分开设以保证其平时用水不对消防电梯产生影响,消防排水单独排出是避免其他排水误入消防电梯集水坑。此条规范尽管是上海市地方标准,但建议在其他省市同样执行,保证消防电梯和非消防电梯的有效运行。另外,根据《消防给水及消火栓系统技术规范》GB50974-2014第9.2.1.2条,设有消防给水系统的地下室应采取消防排水措施,因此凡是设置消防给水系统的单体均要设置排水系统,此集水坑也能同时排除平时冲洗排水以及消防排水,不可遗漏,其排水泵的排水量建议以消防用水量的50%设置。如果单体有消防电梯或非消防电梯集水坑,都不建议和本集水坑合并,尽量保持电梯基坑干燥,方便电梯的有效运行。


图片


根据《建筑给水排水设计标准》GB50015-2019第5.3.18条,下沉式广场地面排水应设置雨水集水池和排水泵提升至室外雨水检查井。地面的雨水汇水面积应按水平投影面积计算。高出屋面的毗邻侧墙,应附加其最大受雨面正投影的一半作为有效汇水面积计算。本规范所述两条理应严格执行,但从实际设计过程中,又有不同之处,比如下沉式广场有大有小,下沉式庭院是否按照下沉式广场设计?住宅天井、采光井又该如何设计?根据本标准5.3.19条,下沉式广场地面排水的有效容积,不应小于一台排水泵30s的出水量。因此建议下沉式广场设计过程中,水泵多用一备,根据水位上升情况逐台启动,降低水泵的启动频率,延长水泵的使用寿命。住宅内小庭院可参照下沉式广场设计,但考虑其水泵参数小,功率低,可不用采用多用一备,一用一备即可。住宅天井、采光井建议不计算侧墙面积,甚至平面面积可以打折,因为天井仅有飘进来的雨水,采光井顶侧都有屋顶,水量很少,可以采用小型集水坑以及相应排水泵将飘进来的水排走即可。值得注意的是,以上集水坑建议均采用公共电源,以免业主不在家电闸关闭家中被淹的尴尬局面,其排水泵应采用不间断供应,可以采用双电源或双路供电。


有些单体地下室也设置卫生间,因此就需要设置集水坑,其设计流量应按相应卫生间的排水秒流量,除了注意集水坑的有效容积和排污泵设计流量之间的关系以外,仍需注意的是集水坑的篦子不要做和雨水集水坑一样的透气篦子,以免臭气漏出,需要做密封盖板,透气管上升至屋顶。当然,目前污水提升器种类繁多,也可以采用市面上的污水提升器。


3. 地库内集水坑


此部分以大于54米并且小于100米的高层住宅小区为例,室内消火栓系统设计流量为20L/s(假设小区的商业体积未超过10000m?),火灾持续时间为2h;自动喷淋灭火系统设计流量为30L/s,火灾持续时间为1h。


则消防水量为252m?。但每个单体和地库之间都有防火门分隔,因此地库内的消火栓系统设计流量应该为10L/s,大量的消防水如果不能及时排出就会造成地下室积水,如果积水过深,超过基础或者更高的位置就会造成设备损坏。但地库内一般是车库和设备用房,短时间地面的少量积水不会对地库造成损失。影响地下室允许积水容量的因素有两个,一个是设备房门槛高度以及设备基础高度,一个是一个防火分区内的面积(虽然地库防火分区一般不超过4000㎡,但防火分区根据实际情况有大有小,不能以4000㎡为设计依据)。一般设备房的门槛和设备基础的高度均不低于150mm,所以我们认为积水在150mm以下不会对设备造成损害,一般消防泵和喷淋泵泄水管及湿式报警阀泄水管又返回排至消防水池,因此泵房内的集水坑排除的一般是消防水池清洗时的排水以及阀门检修时的排水。


图片


生活泵房集水坑可以参考消防泵房的集水坑设计,因生活水箱一般比较小,且为了保证不间断供水,一般分两个,所以清洗时排水量更小一些。至于地库内的集水坑,参考多个项目,笔者认为按室内消火栓用水量的50%和喷淋的70%计算比较合适。所以本项目的排水量应为10x0.5+30x0.7=26L/s,若每个集水坑的排污泵(每坑设两台排污泵)的排水量为15m?/h且高水位同时启动(两用)的话,每个防火分区至少设置3个集水坑,每坑的有效容积不小于2.5m?(按排污泵的5min排水量计)。


 4.小区雨水泵站


苏州市某小区由于西侧市政道路雨水管绝对标高高于小区雨水排出管标高,导致雨水无法排出,因此雨水管转向排至南侧河道,其占地面积约50000㎡,重现期按2年计算,其计算过程不再赘述,最终得其排水量为600.5L/s。现排水泵参数为:Q=1200  ,H=20,N=110KW,二用一备。


设置一个6.6m×3.0m×5.0m(H)的集水坑,第一台水泵启泵水位(同时也是第二台水泵停泵水位)为坑底标高+3.7(m),第二台水泵启泵水位为坑底标高+4.2(m),第一台泵停泵水位为坑底标高+1.7(m),所以集水坑的有效容积89.1 ,水泵30s的排水量为20。89.1 远远大于20,满足要求。如果仅仅是满足20m?的有效容积,这三台水泵基本无法安装进去,所以在大排量排污泵的集水坑设计中首先应考虑的是水泵的尺寸。


随着城市化的进程,不透水地面面积增加,使得雨水径流量增大。而利用管道本身的空隙容量调节最大流量是有限的。如果在雨水管道上设置较大容积的调节池,暂存雨水径流的洪峰流量,待洪峰径流量下降至设计排泄流量后,在将储存在池内的水逐渐排出。调节池调蓄削减了洪峰径流量,可较大地降低下游雨水管干管的断面尺寸,如果调节池后设有泵站,则可减少装机容量。这些都可以使工程造价低很多,这在经济方面无疑是有很大意义的。关于雨水调节池设置的位置,如天然洼地等,其位置取决于自然条件。若考虑人工修建地下调节池,则要选择合理的位置,一般可在雨水干管下游的适当位置设置;同时,雨水调蓄池的建设建议与雨水利用设施、景观水池、绿化和雨水泵站统筹考虑;另外也可以考虑建造下凹式绿地,设置植草沟、渗透池等,人行道、停车场、广场和小区道路可采用透水路面,促进雨水下渗。但是对于本项目,业主为了节省投资及运营成本,决定不采用以上措施。


图片

01

结语

小区内雨水提升系统形式较多,集水坑的设计不仅仅考虑排污泵的参数规定时间段内的排量,同时也要考虑水泵的体积。建议常启动的集水坑相对大一些,之前某小区正在施工中,其采光井处集水坑容积小,每次下雨水泵都要高频率启动,导致一定数量的排污泵产生故障。在建筑给排水设计当中,除了要满足规范,同时要通过人文方式去考虑整个项目长期的运行状况。

内容源于网络,如有侵权,请联系删除


相关资料推荐:

某城市居住小区给排水施工设计cad图纸(含生活给水、热水、污水系统)

https://ziliao.co188.com/d63593979.html



知识点:居住小区雨污水提升系统的设计


全部回复(3 )

只看楼主 我来说两句
加载更多
这个家伙什么也没有留下。。。

市政给排水

返回版块

23.68 万条内容 · 858 人订阅

猜你喜欢

阅读下一篇

城市管线规划探测确定污水管道位置

在城市街道下常有各种管线,如给水管、污水管、雨水管、煤气管、热力管、电力电缆、通信电缆等。此外,街道下还可能有地铁、地下人行横道、工业隧道等地下设施。这就需要在各单项管道工程规划的基础上,综合规划,统筹考虑,合理安排各种管线在空间的位置,以利施工和维护管理。

回帖成功

经验值 +10