凌宏亮1,温鹏辉2,许 堃2
(1、广东省建筑科学研究院集团股份有限公司 广州 510500;2、广东工业大学 广州 510006)
摘 要:桩基础作为重要的基础形式,已广泛应用在桥梁、港口码头、近海平台和土工建筑(如桩基挡土墙、开挖支护桩和抗滑桩)等工程项目中。在受到水平荷载作用下,桩与土之间的相互作用机理十分复杂。桩在水平荷载作用下的变形发展直至破坏过程,实质是桩与桩周土体相互协调、相互作用的结果。本文对国内外水平受荷桩的研究现状做了总结,从理论分析,试验分析,和数值分析3个研究角度介绍了目前研究成果,供相关人员研究时参考之用。
关键词:研究现状;水平受荷桩;土抗力
桩基础作为一种适用广泛的基础形式在现代基础工程中有着极高的地位。桩除了承受上部建筑物重量和桩身自重所引起的竖向荷载,也会承受各种水平荷载,如风荷载。在50年代前,设计人员在基础设计中只利用了桩的轴向抗压性能而忽略了桩的抗弯抗剪性能。至50年代初期,水平受荷桩才开始步入人们的视野,但碍于工程的实际需要,这种做法没有过多地得到青睐。而后,随着土木工程学科的发展与进步,建筑物的设计要求也随之变得愈加复杂多样,即随着风力发电厂、海上平台、超高层建筑等工程的出现,桩基础所受的水平荷载就成为了主要考虑的对象(见图1)。水平受荷桩在实际工程中的运用日益广泛,国内外的学者亦因此对其展开了一系列的研究。目前对水平受荷桩的主要研究方法有理论研究,试验研究和数值分析。
目前,对水平受荷桩的分析研究方法基于对土体不同的假定描述,主要分为两个方向:一是地基反力法,此法假定桩周土为各自独立的弹簧;二是弹性理论法,此法假定桩周土为均质的弹性的连续介质。

图1 侧向受荷桩应用实例
Fig.1 Application Example of Lateral Loading Pile
赵明华等人[1]基于桩土的相互作用机理得出关于水平受荷桩桩周土位移及应力分布的弹性解析解,以分析桩周土中某一点在水平荷载作用下的位移及应力应变的变化规律。周洪波等人[3]基于p-y曲线法和Poulos弹性理论法,提出了一种能够糅合p-y曲线法和Poulos弹性理论法两者优点的耦合算法。
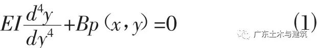
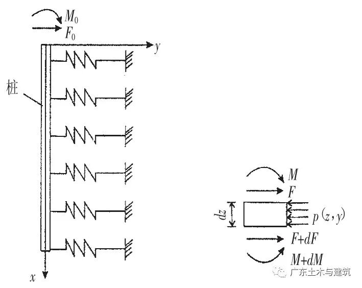
假定将土体分为多个离散独立的弹簧,弹簧之间不具有连续性。桩基础受到水平力的作用而发生相应的转动或挠曲,桩周土随之产生位移,每单位深度的桩周土所产生的土抗力由相应的桩周土位移值与地基反力系数值的乘积得到,如图2所示。由弹性地基上梁桩的挠曲线方程推导并进行水平受荷桩的各项计算:
![]()
式中:EI为桩的抗弯刚度;x为深度;y为桩轴线挠曲位移;B为桩的受力面宽度或直径;p(x,y)为 x深度处桩身发生挠度时单位桩长的反力。
土抗力函数p(x,y)的变换使地基反力法可以分为极限地基反力法、弹性地基反力法以及复合地基反力法。

图2 侧向受荷桩受力图
Fig.2 Force Diagram of Lateral Loading Pile
1.1.1 极限地基反力法
假定桩体为刚性体,即土反力只作为深度的函数,而不考虑桩身的变形。先假定桩周土处于极限状态时地基反力的分布形式(直线分布或二次抛物线分布),由桩身外力平衡来确定桩周土横向抗力,再求得桩体弯矩、剪力及土反力。土反力只作为桩深度的函数,与桩的挠度并没有直接关系。
根据假设极限状态地基反力分布形式的不同,极限地基反力法又可分为土反力按二次抛物线分布和土反力按直线分布两种方法。其中,假设土反力按直线分布的布罗姆斯法较为典型且应用较广。
又因为极限地基反力法是由沉井等刚性结构物的应力问题中引出的,极限地基反力与桩的挠曲变形无关,仅与桩的入土深度有关。故极限地基反力法对中长桩并不适用,只适用于埋深较浅的刚性桩。
1.1.2 弹性地基反力法
将土体假定为弹性体,桩的水平抗力利用梁的弯曲理论求得,计算模型如图3所示,设土抗力函数p(x,y)的表达式为:
![]()
式中:k(x)为地基反力系数;y为桩轴线挠曲位移;x为深度;m为水平位移指数;k为比例系数。
k(x)指的是土压力与由土压力产生的相应位移的比值,此参数会随着有关因素的变化而发生变动,并非土的固定属性。
m=1时,此法称为线弹性地基反力法;m≠1时,此法则为非线性弹性地基反力法。

图3 弹性地基反力法模型图
Fig.3 Model Diagram of Elastic Subgrade Reaction Method
根据不同的k(x),线弹性地基反力法又可分为常数法、k法、m法和c法(见图4)。

图4 地基反力系数的分布图示
Fig.4 Distribution Diagram of the Coefficient of Ground Reaction
常数法适用于超固结粘性土等,其地基反力系数不随深度变化;k法的适用情况非常少,其地基反力系数在第一弹性零点以上随深度成凹抛物线变化;m法适用于一般沙土以及正常固结粘性土,其地基反力系数随深度成线性变化;c法多应用于路基,其地基反力系数随深度成凸抛物线变化。
非线性弹性地基反力法则假定当桩身侧移较大时,桩身任一点的土抗力与桩身相应的水平位移之间按非线性考虑。
其中最具代表性的是日本港湾研究所久保等人基于大规模试验提出的港研法。此法的特点是由试验资料整理得到地基反力系数和桩周土质的对应关系,适用于挠度较大的桩基结构计算。
1.1.3 复合地基反力法
复合地基反力法主要针对的对象为长桩。长桩受水平荷载后桩周土发生屈服时产生塑性区的部分采用的计算方法为极限地基反力法,继而假定塑性区以下的部分为弹性区采用弹性地基反力法计算,最后由弹塑性区域边界的连续条件求得桩的水平抗力。
最广泛使用的p-y曲线法事实上是基于Winkler地基梁法作出的一种改进。该法把桩周土看作一系列离散的非线性弹簧。用p-y曲线描述各个弹簧的受荷特性,其间,p为单位长度上土体抗力,y为相对应的桩身变形,桩土的相互作用关系即为p-y曲线的表现形式(见图 5)。

图5 水平受荷桩作用下桩的p-y曲线图Fig.5 p-y Curve of a Pile under the Action of a Horizontal Bearing Pile
p-y曲线法可以综合考虑到桩土作用的非线性特征以及土体的塑性特征,以直观地反应桩的刚度以及外荷作用的性质等特点。适用于各种工况的水平受荷桩。
弹性理论法中的假定有:地基土为各向同性半无限弹性体;土的弹性模量E和泊松比μ随桩入土的深度呈规律性变化或保持不变。
弹性理论法中的典型代表为Poulos法,此法假定地基土为半无限连续弹性体,沿竖直向把桩分成若干个微段,再利用Mindlin积分公式计算各微段相应的桩侧土体位移,利用细长杆(桩)的挠曲方程求出桩的位移,并利用有限差分式进行表达。事实上,该法的计算并不准确,因为此法没有考虑加载前后弹性模量的变化,都是在用加载前的弹性模量进行计算。
弹性理论法无法计算得到桩在地面下的转角、弯矩、位移以及土压力等参数。再者,土的弹性模量也比较难确定,故一般情况下只可以通过弹性理论法进行定性分析。在作水平承载桩的深入详尽的计算之前,可先用弹性理论方便地查得对横向承载桩性状的影响的各个因素(如:桩尺寸、桩刚度和土的压缩性等)。此外,弹性理论法还可以考虑到在水平荷载作用下桩与桩周土间出现的脱离以及桩周土的局部屈服等现象,对进一步探究桩土相互作用机理有着一定的作用。
水平受荷桩的试验研究有现场原位试验和室内模型试验,当室内试验条件难以模拟工程实际条件时研究者一般选用现场原位试验;当模型受力状态比较简单,计算准确并有成熟的经验时,研究者一般选用室内模型试验(见图6)。

图6 渗水力模型试验装置
Fig.6 Setup of Hygraulic Gradient Model Test
张晓强[3]通过室内模型试验和理论分析,对纵向横向同时受荷桩进行了大量的室内模型桩试验,分析总结了桩顶转角和位移的线性关系。阳生茂[4]通过一系列的模型试验研究,分别探索了在浸水与未浸水条件下膨胀土中水平受荷桩p-y曲线的变化规律,得出了未浸水膨胀土的实测p-y曲线具有硬粘土的应变强化特点,任意深度处的p-y曲线均呈幂函数形式分布,土层越深处,其p-y曲线的幂指数越大等结论;曾庆有[5]在室内模型试验中分别采用了数字照相无标点变形量测系统和配套量测分析软件,直观地描述了不同密实度砂土中桩周土体以及地表土体水平位移的分布规律。并对双桩的地表水平位移分布情形进行观测分析。Davissin等人[6]通过室内模型试验以铝合金管模拟水平受荷桩,分析在标准沙中水平受荷单桩的水平承载特性。Ismaell[7]通过室内模型试验,分析了在中等密实的水泥土中单桩和群桩的水平承载特性,总结提出了在中等密实的水泥土中的水平受荷桩的受力特点。袁炳祥[8-10]通过可视化装置使用PIV技术对桩周土体二维位移场、三维位移场进行了分析,并通过渗水力装置研究了ng重力场下土体位移场[11],其中研究表明随着水力梯度的增加,桩身及桩周土的位移明显减小,桩的转动点明显上移,即水利梯度增强了桩-土的相对刚度和相对作用。Nabil F I等人[12]通过现场水平静载试验,分析了14根一步锥形钻孔灌注桩的水平承载特性,试验结果表明该桩在水平荷载下非线性特征非常明显。Xu K J和Poulos[13]采用3D耦合边界元模拟无桩时土体位移的影响以及桩土的相对作用。单桩水平静荷载原位试验加载装置如图7所示。
近年来,随着计算机处理非线性问题的能力极大的提高,数值分析方法成为了桩土相互作用分析的最有效方法。在岩土工程如今使用最为广泛的数值分析方法为有限差分法和有限元法(见图8)。

图7 单桩水平静载原位试验加载装置
Fig.7 Loading Device for Single Pile Horizontal Static Load Test

图8 有限元法原理图
Fig.8 Schematic Diagram of Finite Element Method
有限差分法属于数学上的近似,该法将桩分成若干个单元,用差分式代替桩身挠曲微分方程中的导数式。有限单元法属于物理上的近似,将桩同样地划分为若干个单元,随后根据力的平衡和位移协调条件解得桩的各部分内力和位移。划分的单元数量越多,所得到的结果越精确,具体原理及步骤如图8所示。
陈绍东等人[14]通过收集某群桩基础水平受力的原位试验数据运用有限元差分软件FLAC 3D建立模型并计算提出了特定条件下水平受荷的群桩基础位移与地基破坏模式以及土的位移特征和土抗力的分布形式,并根据已有的参数推广计算了9种常见的水平受荷群桩基础。吴广珊等人[15]使用non-Winkler地基模型,基于Mindlin弹性理论解建立地基柔度矩阵,将桩看作由侧向弹簧支撑的连续梁,弹簧刚度可变,采用逐次迭代的方法求解,计算结果与现场观测数据能较好地吻合。王成等人[16]通过深入地研究桩身混凝土的损伤与断裂以及钢筋对混凝土损伤断裂微裂纹扩展的约束影响,建立了在水平荷载作用下桩土体系共同作用下非线性全过程分析的耦合有限元数值模型。
数值分析方法之所以广受研究人员的青睐,是因为它能够以低成本的计算机数值模拟替代绝大部分的实体模型试验。此研究方法条件要求低、效率高,可模拟各种工况条件以得到任意点的位移、应力、速度、加速度和塑性状态等现场试验无法直接测得的内变量分布。故数值分析方法逐渐成为研究水平受荷桩主要研究手段和方法之一。
综上所述,目前对于侧向受荷单桩的研究形势良好,研究成果也正日益地对侧向受荷桩工程技术革新产生着非常可观的正影响。但不足之处在于对侧向受荷桩群领域的研究相对较少,这是日后可以深入开展研究的领域。
研究水平受荷桩的力学性状,可以使桩基础地基承载能力得到更加充分的利用以取得更高的经济效益。如今,桩基础在现代工程实际中发挥着越来越大的作用。因此,开展好关于水平受荷桩力学性状的理论研究对于基础工程研究领域乃至整个建筑行业无疑有着非常重要的意义。
参考文献
[1]赵明华,邹新军,罗松南,等.横向受荷桩桩侧土体位移应力分布弹性解[J]. 岩土工程学报,2004,26(6):767-771.
[2]周洪波,杨敏,杨桦.水平受荷桩的耦合算法[J].岩土工程学报,2005,27(4):432-436.
[3]张晓强.纵横向同时受荷桩工作性能试验研究[D].南京:河海大学,2007.
[4]阳生茂.膨胀土中水平受荷桩p-y曲线的试验研究[D].长沙:中南林业科技大学,2014.
[5]曾庆有.主动侧向受荷桩桩周土的影像观测与数值模拟[J]. 岩土力学,2012,33(7):2209-2213.
[6]MT Davisson,JR Salley.Model Study of Laterally Loaded Pile[J].Journal of the Soil Mechanics&Foundations Division,1970,96(5):1605-1627.
[7]NF Ismae.Behavior of Laterally Loaded Bored Piles in Cemented Sands[J].Journal of Geoteehnical Engineering,1990,116(11):1678-1699.
[8]Bingxiang Yuan,Kun Xu,Yixian Wang,Rui Chen,Qingzi Luo.Investigation of Deflection of a Laterally Loaded Pile and Soil Deformation Using the PIV Technique[J].International Journal of Geomechanics,2017,17(6):04016138.
[9]Yuan Bingxiang,Chen Rui,Deng Gang,Peng Tao,Luo Qingzi,Yang Xueqiang.Accuracy of Interpretation Methods for Deriving p-y Curves from Model Pile Tests in Layered Soils[J].Journal of Testing and Evaluation,2016,45(4):1238-1246.
[10]袁炳祥,陈锐,杨雪强,等.基于渗水力加荷对侧向受荷桩的试验研究[J]. 岩石力学与工程学报,2016,35(S2):4295~4301.
[11]袁炳祥,吴跃东,陈锐,等.侧向受荷桩周土体内部位移场的模型试验研究[J].浙江大学学报(工学版),2016,50(10):2031-2036.
[12]Nabil F I.Behavior of Step Tapered Bored Piles in Sand under Static Lateral Loading[J].Journal of Geotechnical and Geoenvironmental Engineering,2010,136(5):669-676.
[13]HG Poulos,KJ Xu.3-D Elastic Analysis of Vertical Piles Subjected to"Passive"Loadings[J].Computer&Geotechnics,2001,28(5):349-375.
[14]陈绍东.水平承载桩的群桩效应研究[D].哈尔滨:哈尔滨工业大学,2013.
[15]吴广珊,肖昭然.侧向受荷桩的有限元——弹性理论分析法[J].上海应用技术学院学报(自然科学版),2002,2(3):159-162.
[16]王成,邓安福.水平荷载桩桩土共同作用全过程分析[J].岩土工程学报,2001,23(4):476-480.
内容源于网络,如有侵权,请联系删除
相关资料推荐:
知识点:水平受荷桩力学性状理论研究现状
0人已收藏
0人已打赏
免费3人已点赞
分享
地基基础
返回版块12.11 万条内容 · 717 人订阅
阅读下一篇
考虑群桩效应的基桩水平承载力群桩基础(不含水平力垂直于单排桩基纵向轴线和力矩较大的情况)的基桩水平承载力特征值应考虑由承台、桩群、土相互作用产生的群桩效应,可按下列公式确定: 式中各参数解释如下: ηh——群桩效应综合系数 ; ηi——桩的相互影响效应系数 ;桩的相互影响随桩距减小、桩数增加而增大,沿荷载方向的影响远大于垂直于荷载作用方向,桩基规范根据
回帖成功
经验值 +10
全部回复(0 )
只看楼主 我来说两句抢沙发