工程上,按照预应力束材料形态进行分类,对应类型如下表:

在满足以上前提条件下,体外预应力加固法广泛运用于下列情况:
1、原构件截面偏小或需要增加其使用荷载;
2、原构件需要改善其使用性能;
3、原构件处于高应力、应变状态,且难以直接卸除其结构上的荷载;
4、适用于大跨结构,以及采用一般方法无法加固或加固效果很不理想的较高应力 应变状态下的大型结构加固;
5、应用于不能影响正常使用功能的工业厂房加固情况等。
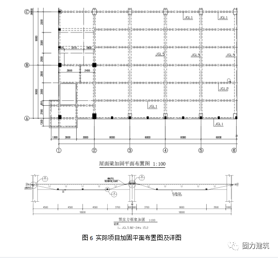
1、整体预应力加固法


2、局部构件预应力加固法





1、可使新加构件应力滞后现象缓解或完全消除,使后加部分与原结构能较好地协同工作。
2、能够显著提高原结构承载能力,减小结构挠曲变形,缩小裂缝宽度。
3、具有施工简便的优点,采用体外预应力加固法对钢筋混凝土结构进行加固时,可不采取卸载措施。
4、具有加固、卸荷及改变原结构内力分布的三重效果。
当然体外预应力加固同样存在一些缺点,比如锚头较多、节点复杂、施工作业面要求较高,在加固设计时要充分考虑这些因素,否则可能对甲乙双方造成经济及时间等损失。
本文依据:13G311-1《混凝土结构加固构造》图集、GB50367-2013《混凝土结构加固设计规范》。
相关资料推荐:
知识点:体外预应力加固技术
0人已收藏
0人已打赏
免费4人已点赞
分享
结构资料库
返回版块41.29 万条内容 · 424 人订阅
阅读下一篇
结构实体位置与尺寸偏差检验规定F.0.1 结构实体位置与尺寸偏差检验构件的选取应均匀分布,并应符合下列规定: 1 梁、柱应抽取构件数量的1%,且不应少于3个构件; 2 墙、板应按有代表性的自然间抽取1%,且不应少于3间; 3 层高应按有代表性的自然间抽查1%,且不应少于3间。F.0.2 对选定的构件,检验项目及检验方法应符合表F.0.2的规定,允许偏差及检验方法应符合本规范表8.3.2和表9.3.10的规定,精确至1mm。
回帖成功
经验值 +10
全部回复(0 )
只看楼主 我来说两句抢沙发