1 单双向板
《装规》6.6.3规定:当预制板之间采用分离式接缝时,宜按单向板设计。对长宽比不大于3的四边支撑叠合板,当预制板之间采用整体式接缝或无接缝时,可按双向板计算。
密拼连接方式:适用于叠合楼板单向板与板之间,接缝处容易出现裂缝;
整体式接缝:一种情况是双向板之间连接使用,另一种情况是为了避免裂缝而采用后浇带的连接方式。
对于住宅(不做吊顶)不宜选用密拼单向板,公建如停车楼等对裂缝要求不高的建筑及做吊顶的建筑可以选用密拼单向板。
对梁刚度贡献的区别:预制板之间采用整体式接缝,则考虑预制楼板整体对梁刚度贡献,若预制板之间接缝不连接,仅考虑现浇部分对楼面梁刚度的贡献。
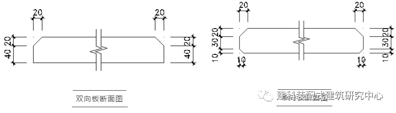
2 单双向板构造
叠合板侧边上侧宜做成45度倒角,为了避免后浇混凝土转角部位应力集中(密拼板应做上倒角,以保证拼缝处钢筋保护层厚度)。单向板下部做成倒角是为了便于接缝处理,如采取吊顶,单向板下部倒角可以不做。

(内容来源于网络,如有侵权请联系删除)
相关推荐:单向板和双向板的划分
知识点:单向板、双向板及构造要求
0人已收藏
0人已打赏
免费0人已点赞
分享
装配式施工
返回版块9504 条内容 · 132 人订阅
回帖成功
经验值 +10
全部回复(1 )
只看楼主 我来说两句 抢板凳回复 举报