土木在线论坛 \ 给排水工程 \ 中水处理回用 \ 反渗透设计:能量回收装置嵌入高压反渗透节能降耗实例

反渗透设计:能量回收装置嵌入高压反渗透节能降耗实例

发布于:2022-08-30 10:30:30 来自:给排水工程/中水处理回用 [复制转发]

某零排放项目原水为化工废水,经纳滤分盐后,纳滤产水进入低压反渗透进行初步浓缩,低压反渗透浓水进入高压反渗透继续浓缩,高压反渗透设计进水水质如下:


钠离子16241mg/L,氯离子24812mg/L,硫酸根离子298mg/L,总TDS 41375mg/L。


高压反渗透采用2套同撬设计,单套设计处理量32t/h,设计回收率60%。


采用一级两端设计,反渗透膜采用苏伊士RO5/RO7组合,无段间增压泵,膜壳采用玻璃钢材质1200psi,6芯装5:2排列,设计通量为15LMH。


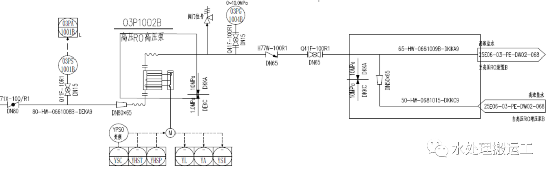
图片
同撬装置平面

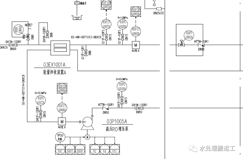
能量回收选用压力式PX装置,单支处理能力15t/h。来水经保安过滤器后分两路,一路去高压泵(20t/h),剩余(12t/h)去PX与浓水进行能量传递。

图片
能量回收流程

以下为计算产水水质:

图片
计算产水水质

第一段膜产水TDS约1150mg/L,直接进入终端产水池与其他反渗透产水混合进行回用。

而第二段膜由于较低脱盐率的设计,产水TDS约15770mg/L,进入终端产水池会影响综合回用水质,故回流至纳滤产水池。

图片
装置产水分流

高压泵选用:软件计算扬程为700m,高压泵设计扬程750m,设计流量20t/h,由于流量小扬程高,选用柱塞泵型式,泵出口设有蓄能球和安全阀。

图片
柱塞泵流程

增压泵选用:设计流量12t/h,设计扬程40m,设计入口压力7.0MPa。将能量传递后的原水进行增压,并入高压泵出口。


图片
增压泵流程

运行能耗:采用能量回收时,高压泵功率为75kW,增压泵功率为4kW,合计运行功率79kW;

不采用能量回收率,高压泵功率为110kW;

每小时可节约电能31kW·h。

内容源于网络,如有侵权,请联系删除


相关资料推荐:

反渗透海水淡化能量回收装置中盐水和

https://ziliao.co188.com/p49440033.html



知识点:能量回收装置嵌入高压反渗透节能降耗实例


全部回复(0 )

只看楼主 我来说两句抢沙发
这个家伙什么也没有留下。。。

中水处理回用

返回版块

9852 条内容 · 214 人订阅

猜你喜欢

阅读下一篇

反渗透设计:废水零排分段错流循环纳滤设计

在废水分盐零排放中,纳滤进水水质往往是很差的,进水COD比较高,考虑到纳滤膜不耐碱洗,在设计时可提高各段错流流量,保证每只膜壳进水流量在10t/h以上,减缓膜污堵速率,且分散膜污染。 某工业废水零排放项目中,反渗透浓水进入纳滤分盐,其COD约320mg/L,水中硫酸根离子含量为7608mg/L,氯离子含量为6630mg/L,钠离子含量为7054mg/L。

回帖成功

经验值 +10