知识点:复式励磁
励磁系统是水电站比较重要的控制系统,是水电站发电机组的重要组成部分。
励磁系统在实际运行过程中出现故障时将直接威胁到水电站的安全运行。
根据水电站常见的励磁系统故障,分析发生的原因并提出了相应的解决对策。

励磁系统作为水电站发电机的重要组成部分,在发电机运行时承担着调节发电机的出口电压和机组无功功率的任务。
水电站励磁系统故障会直接影响到水电机组的安全运行,严重时将导致水电机组停运、水库弃水等事件发生。
本文将对励磁系统的常见故障及其原因、对策进行介绍。
一、水电励磁系统概述
水电站励磁系统包括发电机励磁电流电源和相关的附属设备,主要由励磁调节器和励磁功率单元组成。
励磁调节是根据设定好的调节准则,通过采集接受的信号最终实现控制励磁单元的输出。
励磁电流由发电机转子产生,励磁系统的运行稳定可以保障电力系统并网机组的运行稳定。
通常对于水电机组来说,根据机组的容量不同,其励磁方式也不同。
容量大于500kW的机组励磁方式采用自并励可控硅励磁.
小于500kW的水电机组励磁方式为双绕组电抗器分流自复励方式。
投产较早的水电机组励磁方式为永磁副励磁机和交流侧串联相复励方式。
自并励静止可控硅整流励磁系统的组成包括励磁变压器柜、交流隔离开关柜、整流柜、直流灭磁开关柜、直流隔离开关柜、非线性电阻柜、辅助柜、调节柜。
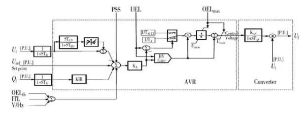
正常情况下励磁调节器采用自动电压调节(AVR)控制方式。
自动电压调节(AVR)控制是通过调节PID调节器的输出来改变发电机的励磁电流。
该调节器的输入为发电机机端电压和电压给定值的偏差。
最终实现发电机端电压的稳定。
具体调节原理如图1所示。

图1 励磁调节器AVR控制原理图
二、水电站励磁系统的常见故障分析及对策
失磁
原因分析
1.通过查找保护动作时的记录和录波发现,失磁故障发生时录波显示转子电压下降的突变量起动。
2.由录波起动开始,56ms后转子电压下降至0,400ms转子电压变为负值。
此时电流和定子电压摆动剧烈,1280ms失磁保护动作。
3.在经过仔细检查后发现励磁功率电源的交流侧开关S111的辅助接点松动。
该节点松动造成接触电阻偏大,从而出现失磁故障。
由于该点的松动导致励磁系统逆变灭磁后出现失磁。
处理对策
1.为了及时发现开关接点的故障,在S111开关辅助接点处增加一个故障监控录波器加强监控。
2.定期对励磁开关辅助接点进行检查和紧固,提高励磁开关辅助接点的可靠性。
整流电源故障
原因分析
某水电站采用的是可控硅自并激26MW机组,机组起动后发电机不起压,检查外部条件均满足,励磁装置无异常报警。
针对此现象可能存在的故障原因有:
1.励磁调节器和可控硅整流装置电气回路故障
2.整流电源存在故障
采取措施对上述两个可能的原因进行了一一排除。
首先检查了励磁调节器和可控硅整流装置的电气回路,检查后未发现异常。
接着对可控硅电源进行了仔细检查。
检查后发现可控硅电源输入闸刀B相断裂造成了整流电源缺相。
从而使发电机起压不成功。
励磁直流助磁不投的主要原因是由于B相断裂造成励磁同步电压无法建立。
同时由于同步电压回路故障信号报警的灵敏度设计较低,使得无报警发出。
对策
1.可控硅电源输入B相闸刀进行更换;
2.提高同步电压回路故障信号报警的灵敏度,进行试验正常后投入使用。
自复式励磁
自复励励磁方式优点是静态电压调节精度较高具有较强的电流补偿作用,可在机端发生短路时提供强励电流。
缺点是由于电流补偿的作用容易导致发电机空载并列运行时不稳定。
原因

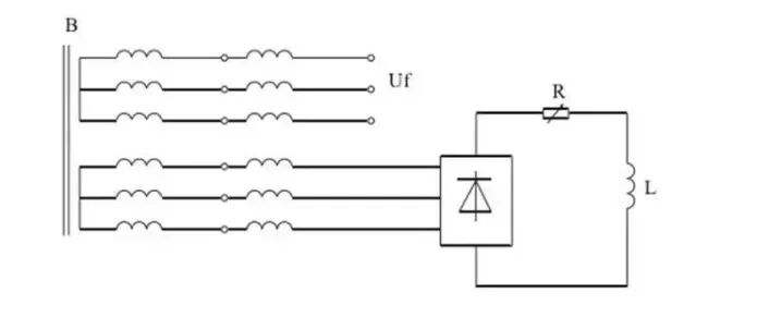
图2 双绕组电抗分流励磁回路接线图
如图2所示,为某水电站双绕组电抗分流励磁回路接线图。
在机组大修后起动时,发电机出口电压三相不平衡,在三组电压中两组为400 V,一组为380V。
在发电机并网后进行机组无功负荷增加时,发电机的励磁电流越增越小,最后造成发电机欠励磁运行。
进行励磁线圈的检查后发现,主、副绕组相序接错,所以才会出现励磁电流越加越小的现象。
应对策略
1.提高检修质量,把好验收关;
2.将主、副绕组相序改正。
励磁变高压熔断器爆裂
故障过程
某厂水电机组在进行发电机组温升试验完毕后进行停机操作时,突然听到控制室外一声爆响,接着该机组跳闸。
故障检查和原因分析
在故障发生后,立即进行一次和二次系统检查,对机组励磁系统、调速系统进行检查。
测发电机定子和转子绝缘,检查励磁变、主变一次和二次回路。
检查后发现励磁变B相高压熔断器爆裂,调节器专用电压互感器高压侧三相熔断器全部炸裂。
经过对熔断器进行试验后发现该熔断器存在质量问题,熔断电流只有其额定熔断电流的1/2左右。
处理措施
1.对发电机定子和转子,一次和二次系统进行全面的检查,防止类似事件再发生;
2.将同类型、同型号的高压侧熔断器更换为大容量熔断器。
同时保证是合格产品,进行抽样做试验检查。
发电机非全相运行
故障过程
某水电站在机组起动后发电机升压时,电压在升到额定值后迅速降至0,怀疑是风机故障导致。
为了排查原因,对机组进行手动起励,同样是电压升高后迅速降至0。
伴随有异常声音。测量发电机定子和转子绝缘均正常。
单独进行发电机和励磁逆变的试验,机组出口开关拉至试验位置情况下对发电机进行升压,发电机出口电压能够稳定在额定电压。
同时对励磁进行逆变试验,同样也正常。
在将发电机出口开关推到工作位置的过程中有报警显示母线B相有金属性接地。
开关拉至试验位置后报警消失。由此可以判断出是发电机出口开关故障导致。
对开关出头摇绝缘对地绝缘均正常,触头上下口之间绝缘B相为0,说明B相在合入位置。
对开关B相进行检查后发现,该相动触头连杆螺丝掉了导致开关在分开时实际并没有分开。
原因分析
这是一起由于开关没有断开而引起的励磁系统故障。
在发电机升压后,由于三相电压不同期,励磁调节器的控制脉冲被破坏,使得发电机电压自动逆变灭磁。
发电机的非全相可能会造成发电机定子线圈烧毁等恶性事故发生。
对策
1.在操作发生故障时,运行人员应立即查阅相关报警记录,从而及时发现故障原因;
2.认真做好开关的运行和检修工作,做好检修后的各项验收和检查、设备的传动和试验工作。
结论
本文对励磁系统的常见故障进行了介绍,并分析了其发生的原因,提出了相应的对策。
励磁系统在故障发生时,要及时查阅相关报警记录和操作记录,判断出相应故障发生的位置。
在设备检修过程中要把好关,认真进行试验和检查,把好验收关,防止设备在投运过程中出现故障。
励磁系统作为水电站的重要系统,其安全运行直接影响到机组和电网的安全稳定运行。
相关推荐链接:
0人已收藏
0人已打赏
免费0人已点赞
分享
电气工程原创版块
返回版块2.2 万条内容 · 598 人订阅
回帖成功
经验值 +10
全部回复(0 )
只看楼主 我来说两句抢沙发