知识点:迟缓率
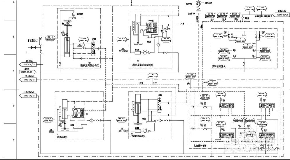
迟缓率和速度变动率,是电厂中汽轮机调节系统的重要参数,直接影响调节系统的优良,这里对其进行分析讲解,便于新手尽快掌握。下图为上汽600MW汽轮机调节系统示意图。

迟缓率:简单来说,因各调速系统中的各部件存在摩擦、卡涩,连杆和绞链等结合处存在间隙、重叠度等,造成的调控系统动作迟缓,使汽轮机转速在升速和降速时并不相同,存在一定的速度差。在同一负荷下,两者的最大转速差 和额定转速 之比叫做迟缓率。 如下图所示。

不同的调速系统,对于迟缓率要求不同,液调系统最好的迟缓率ε= 0.3~0.4 %。而电调系统,因控制灵敏,迟缓率可达到0。

速度变动率:公式为:δ=(n1- n2)/n?100%,式中n1——汽轮机发电机未带负荷时的转速, n2—— 汽轮发电机达到满负荷时的转速, n——汽轮发电机额定转速。当电网故障或者发电厂内部故障造成汽轮机跳闸时,汽轮机转速会出现一个动态飞升,最高转速由速度变动率决定,一般应为4~5 %。以额定转速为3000转/分的汽轮机为例,则飞升转速为120~150转/分。速度变动率越大,汽轮机转速在甩负荷时上升越高,危险性也越高。汽轮机动态甩负荷过程图如下。

速度变动率要设置合理,如果太小,汽轮机调节系统太敏感,容易造成汽轮机负荷和转速波动大,进汽量和参数变化大,造成汽轮机内部零部件疲劳损坏。如果设置太大,则系统调节不灵敏,反应迟钝,不利于AGC调节和一次调频。

另外,速度变动率较小,适合于调峰机组,发挥系统调节灵敏的优势。速度变动率大,则稳定性高,适合带基本符合的发电厂。
实际生产中,转速测量和传递系统存在一定的非线性。因而实际的静态特性曲线并非直线,所以不同转速的速度变动率并不相同。在机组空负荷的时候,考虑到并网发电,速度变动率会大一些,这样转速容易控制一些。而且,在带负荷后能更好的暖机。
相关推荐链接:
0人已收藏
0人已打赏
免费0人已点赞
分享
风力发电技术
返回版块8747 条内容 · 209 人订阅
回帖成功
经验值 +10
全部回复(0 )
只看楼主 我来说两句抢沙发