上承式拱桥的两种基本类型
普通型上承式拱桥
整体型上承式拱桥

1
普通型上承式拱桥
普通型上承式拱桥根据主拱圈截面形式可分为:
1.板拱
板拱是指主拱(圈)采用整体实心矩形截面的拱。按照主拱所采用的材料,可分为石板拱、混凝土板拱和钢筋混凝土板拱等。

(1)板拱的宽度
①板拱一般用于实腹式拱桥,拱圈的宽度决定于桥面的宽度。
②对于多孔或大跨径拱桥,可将人行道或部分行车道宣布,以减小拱圈的宽度。
③窄拱:拱圈宽度小于桥面宽度的拱。
一般工程中用的都是窄拱。
(2)拱圈的厚度
可以做成等厚度和不等厚度两种形式,其值根据桥梁跨径、失高,建筑材料及荷载大小等因素,试算确定。


(3)拱圈截面的变化规律
等截面(常用)
变截面(构造复杂)
等宽变厚
等厚变宽


其中 N自拱顶向拱脚逐渐增大,但M变化复杂与结构体系和截面惯性矩I有关,下图为结构体系和截面惯性矩对弯矩的影响。



设计时,可先拟定拱脚和拱顶截面的厚度,求出n,再求其它截面的I,公路桥n=(0.5~0.8)
变截面一般做法:一般是从拱顶向拱脚截面加大,常采用变厚度的做法。
2.肋拱
3.双曲拱
4.箱形拱
一、总体布置
石拱桥的主拱圈以石料建造;
跨径小于20m,拱上建筑常做成实腹式;
跨径大于20m,拱上建筑一般为空腹式 ;

实腹式拱桥构造图

石腹拱横截面

空腹式拱桥构造图
二、主拱圈
料石拱(粗料石): 不小于30号石料、不小于7.5号砂浆 (大中桥) 不小于5号砂浆(小桥)
片石拱:7.5号砂浆(中小桥)
石拱圈:等截面圆弧拱,等截面或变截面悬链线拱
①粗料石砌筑拱时,拱石需要随拱轴线和截面形式不同而分别进行编号,以便于拱石的加工。
②等截面圆弧线拱圈,截面相等,单心圆弧线,拱石规格较少,编号较简单
③变截面拱圈,由于截面发生变化,使拱石类型较多,编号较复杂,给施工带来很大的麻烦
④石板拱的主拱圈以等截面为主

等截面圆弧拱的拱石编号

变截面拱圈的拱石编号
三、石拱圈构造上的要求:
①受压面的砌缝应是辐射方向,即与拱轴线相垂直。一般可做成通缝,不必错缝
②拱圈厚度不大时,可采用单层拱石砌筑,拱厚较大时可采用多层拱石砌筑
③要求垂直于受压面的顺桥向砌缝错开,其错缝间距不小于0.10m
④拱圈横截面内,拱石的竖向砌缝应当错开,其错开宽度至少0.10m,在纵向或横向剪力作用下,可避免剪力单纯由砌缝内的砂浆承担,增大砌体的抗剪强度和整体性。
⑤砌缝的缝宽不应大于0.02m
⑥拱圈与墩台、空腹式拱上建筑的腹孔墩与拱圈相连接处,应采用特制的五角石,以改善连接处的受力状况。
⑦五角石不得带有锐角,以免施工时易破坏和被压碎。
⑧为了简化施工,也常采用现浇混凝土拱座及腹孔墩底梁来代替制作复杂的五角石。

拱石的砌缝、五角石及混凝土拱座、底梁
实腹式拱上建筑:侧墙、拱腹填料、护拱以及变形缝、防水层、泄水管和桥面等部分
跨径较小的石板拱,常采用实腹式拱上建筑。构造简单、施工方便,填料的数量较多、恒载较重。
(一)空腹式拱上建筑
大、中跨桥的拱桥,特别是当矢高较大时,实腹式拱上建筑的填料用最多、重量大,因而以采用空腹式拱上建筑为宜。
空腹式拱上建筑除具有实腹式拱上建筑相同的构造外,还具有腹孔和腹孔墩。

桥墩(台)上腹拱的布置方式

腹拱墩构造形式

成昆线一线尺石板拱桥总体布置图
(二)混凝土板拱的构造
(1)素混凝土板拱
(2)钢筋混凝土板拱

(三)扳肋拱
拱圈截面由板和肋组成的拱桥,由板拱发展而来

(四)肋拱
肋拱:用两条或多条分离的平行窄拱圈——即拱肋作为主拱圈的拱具有自 重轻,恒载内力小,可以充分发挥钢筋混凝土等材料的性能,在 大中型拱桥中得到广泛应用



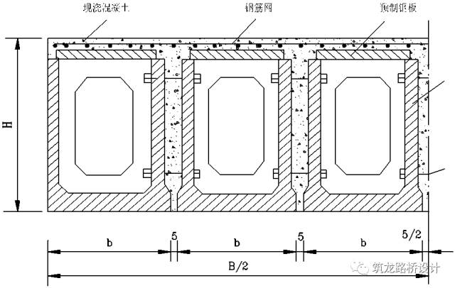
(六)箱形板拱
箱拱或箱形拱的主拱圈全宽采用一个箱(通常为单箱多室),主拱圈为整体薄壁箱形结构。
适用于大跨径,挖空率可达50~70%。自重轻。抗弯抗扭刚度大,横向整体性好,稳定性好。吊装要求高,一般在跨径50m以上。





箱形拱闭合箱的构造

箱拱预制施工构造示意图







箱肋接头

钢筋布置:首先满足使用要求,其次满足施工(吊装等)阶段受力要求

铁路丰沙线永定河七号桥总体布置

邕宁邕江大桥总体布置图

邕江大桥拱肋截面图

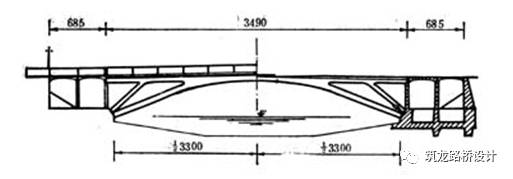
重庆万县长江大桥总体布置图

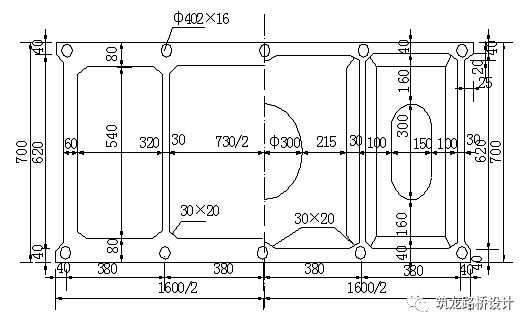
重庆万县长江大桥主拱圈截面构造图
主拱圈:拱肋、拱波、拱板、横向联系;施工时化整为零,集零为整受力。于1964年在江苏无锡诞生,东拱桥,跨径9m,为三肋二波砖结构。文革期间发展迅速,约定44余座,最大跨径150米

特点:拱肋、拱坡、拱板、横向联系组成
截面合理,省材料,施工无支架,吊装重量轻,人工用量大,整体性差
2
整体型上承式拱桥


①桁架拱又称拱形桁架桥,具有水平推力的桁架结构,
②下弦杆为拱形,上弦杆一般与桥道结构组合成一整体而共同工作。在跨中部分,因上、下弦杆很靠近而做成实腹段。
③拱上建筑与主拱圈共同受力,成片预制。
相当于挖空的拱片拱v桁梁桥有拉杆,无法用钢筋砼(特别是上、下弦),用拱式则可以。
特点:
兼具桁架和拱的特点,结构受力合理,材料省;总重力,推力小,对地基要求低;整体性好——比双曲拱;ü施工方便;吊装困难,节点易开裂

桁架拱的形式:
① 斜腹杆 ② 竖腹式
③ 桁架肋 ④ 圆拱片

桁架拱的主要形式





桁架拱桥的节点构造示例
a、桁架纵向之间及墩台之间的连接

b、桁架拱横联接

1、桥面板构造

2、桁式组合拱


3、刚架拱桥
上部结构由刚架拱片、横向联结系和桥面系组成。主要承重结构刚架拱片一般由跨中实腹段的主梁、空腹段的次梁、主拱腿(斜撑)、次拱腿构成。


八十年代新开发的拱桥桥型,造型更简洁,吊装重量轻,跨越能力更大,跨径从25m起。
江西太白桥:已建成的最大刚架拱,跨径130m。
广东清远北江大桥:最长的刚架拱,全长1058m。(3×45+8×70+4×45m)
特点:兼具刚架与拱的优点,吊装能力小。桥面:① 微弯板 ② 填平层

刚架拱桥的主要组成
当拱桥主拱圈按两铰拱或三铰拱设计,需设置永久性拱铰。当在施工过程中为消除或减小主拱圈的部分附加内力时需设置临时的拱铰。拱铰的类型主要有:弧形铰、铅垫铰、平铰、不完全铰及钢铰等。

弧形铰

铅垫铰

平铰

不完全铰及钢铰

①对于普通型上承式拱桥,其主要承重结构?主拱圈是曲线,车辆无法通过,需要在桥面系与主拱之间设置传递荷载的构件或填冲物,这些传递荷载的构件或填冲物称为拱上建筑。
②拱上建筑是拱桥的一部分,依其结构形式的不同而参与主拱共同受力的程度也不同;同时,拱上建筑在一定程度上能约束主拱圈由温度变化及混凝土收缩徐变等引起的变形,而主拱圈变形又使拱上建筑产生附加力。
③拱上建筑类型分实腹式拱桥,空腹式拱桥两大类

(一)、实腹式拱桥
实腹式拱上建筑构造简单,施工方便,但填料数量较多,恒载较重,小跨径拱桥中多采用空腹式。
(二)、空腹式拱桥
大、中跨径拱桥多采用空腹式。空腹式拱上建筑由多孔腹孔结构和桥面系主成:以利于减小恒载,并使桥梁显得轻巧美观。根据腹孔的结构形式,空腹式拱上建筑又分为拱式和梁式两种。
1、拱式拱上建筑



2、梁式拱上建筑




(三)、拱上立柱与主拱圈、盖梁的连接

(四)、伸缩缝与变形缝


内容源于网络,如有侵权,请联系删除
相关资料推荐:
https://bbs.co188.com/thread-3383174-1-1.html
知识点:上承式拱桥设计与构造
0人已收藏
0人已打赏
免费4人已点赞
分享
桥梁工程
返回版块19.44 万条内容 · 655 人订阅
阅读下一篇
桥梁引道不均匀沉降问题总结桥梁引道是公路病害多发地段,“桥头跳车”一直是困扰着公路建设的难题之一,其危害性日益得到公路界人士的重视。 1 桥梁引道不均匀沉降产生的原因 1.1 不均匀沉降成因分析 桥头跳车的根本原因是桥台与邻接路段的沉降差异超过一定的界限值,致使车辆在通过桥梁时产生颠簸、不稳,甚至会影响行车安全。 1.1.1 土基 桥梁所在位置一般地下水位较高,地基土质天然含水量大、空隙率大、抗剪强度低,在车辆荷载的长期作用下极易引起沉陷。
回帖成功
经验值 +10
全部回复(0 )
只看楼主 我来说两句抢沙发