知识点:互感器
互感器主要用途是将一次主回路和二次控制及测量设备隔离开来。这一隔离是通过电磁感应将两个回路予以耦合而实现的。除隔离外,被测量的量值也被降低到安全水平。
互感器分为两类:电压互感器(PT)和电流互感器(CT)。电压互感器的一次绕组和被测回路并联,而电流互感器的一次绕组需要串联在被测回路中。二次绕组将以此侧的量值成比例地降低到像120V和5A这样的典型水平。监测设备如功率表、功率因素表、电压表、电流表和继电器等通常连接在二次回路中。

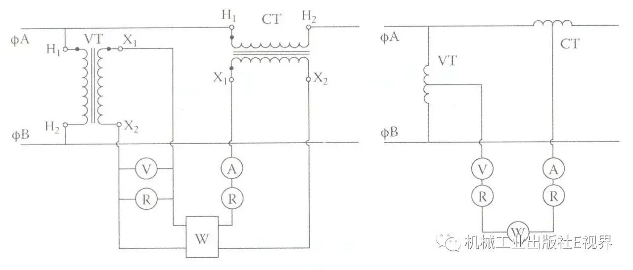
典型单相接线图
☆电压互感器
电压互感器和变压器很像,都是用来变换线路上的电压,主要区别就在于容量、尺寸、工作磁密和补偿。
变压器变换电压的目的是为了输送电能,因此容量很大,而电压互感器变换电压的目的,主要是用来给测量仪表和继电保护装置供电,用来测量线路的电压、功率和电能,或者用来在线路发生故障时保护线路中的贵重设备、电机和变压器,因此电压互感器的容量很小。
电压互感器一般不用于提供电源,但是,它们的确限定了可以接入的额定功率。当现场没有120V电源时,电压互感器经常被用来为轻型的维持设备提供120V的临时电源。在开关室,电压互感器的二次侧可以用来驱动断路器的电机。在调压器室,它们可以用来区分驱动分接开关的电机。电压互感器功率范围是:对于低压电压互感器为500VA及以下,中压互感器为1~3kVA,高压电压互感器为3~5kA。由于电压互感器的额定功率是如此之小,所以,它们的物理尺寸也就很小。
电压互感器的工作磁密远远低于变压器的磁密。这样有助于将损耗降到最低,并避免互感器由于持续过电压而可能引起的过热。如果没有明确指出,电压互感器通常设计为能在110%额定电压下连续运行。

IEEE电压互感器分组
在电压互感器中,一般通过高压绕组补偿的方式在保证准确度的前提下得到更高额测量范围。由于补偿的存在,绕组的实际匝数比将和额定比值有所不同。
在个别异常情况下,电压互感器的二次侧可能被短路,所以电压互感器需要有足够的稳定性和热稳定性,应该能在二次侧短路,一次侧承受全部电压的情况下坚持1s而不受到损坏。多数情况下,这种故障将使保护设备动作而切除一次侧的电压,希望响应时间短于1s。如果响应时间延长,互感器的温升将超过其绝缘的限值,绕组所受到的轴向和辐向上的电磁力将对互感器造成严重的损坏。
电压互感器有两种接线方式:双套管和单套管式。双套管式设计为线间连接,但是,在很多情况下,双套管式也可以用于相对地连接,此时输出电压要降低。单套管式严格用于相对地连接。在非接地系统中,将电压互感器接到相与地之间,不能把它们看作是接地变压器,其二次绕组也不能接到变压器的闭合三角形绕组上。电压互感器所接入系统电压不能高于其额定电压。在接于相间时,必须按照极性去接。中低压电压互感器可以接成角联结或者星联结。系统电压超过69kV时,只有单套管互感器可选。在非接地系统中,一次绕组为星形接线的互感器需要有一定的预防措施(铁磁谐振)。一次绕组需要有熔断器。户内开关设备使用的互感器通常在器身上有熔断器底座。
常用接线方式图解
a)单项式接线,可以用于测量35kV及以下中性点不直接接地系统的线电压或110kV以上中性点直接接地系统的相对地电压。

b)V/V接线是将两台全绝缘单相电压互感器的高低压绕组分别接于相与相之间构成不完全三角形。这种方法常用语中性点不接地或经消弧线圈接地的35kV及以下的高压三相系统中,特别是10kV的三相系统中。

c)用三台单相三绕组电压互感器构成YN,yn,d0或YN,y,d0的接线形式,广泛应用于3~220KV系统中,其二次绕组用于测量相间电压和相对地电压,辅助二次绕组接成开口三角形,供接入交流电网绝缘监视仪表和继电器用。用一台三相五柱式电压互感器代替上述三个单相三绕组电压互感器构成的接线,除铁芯外,其形式与图3基本相同,一般只用于3~15KV系统。

d)三相三绕组五柱式电压互感器,其一次绕组和主二次绕组接成星形,并且中性点接地,辅助二次绕组接成开口三角形。故此种电压互感器可以测量线电压和相对地电压,辅助二次绕组可以介入交流电网绝缘监视用的继电器和信号指示器。

☆电流互感器
电流互感器通常被当做一个“黑匣子”,它属于变压器,符合电磁感应定律。只不过,变压器变换的是电压而电流互感器变换的是电流罢了。前面提到过,电流互感器串联在被测回路,它的一次绕组匝数很少,二次绕组匝数比较多,串接在测量仪表和保护回路中。电流互感器在工作时,它的二次回路始终是闭合的,因此测量仪表和保护回路串联线圈的阻抗很小,电流互感器的工作状态接近短路。
电流互感器并不依赖电压,但是它却会受电压限制。当电流流过一个阻抗时,一个压降就会形成(欧姆定律,V=IZ)。随着压降的形成,一次侧电源能量被消耗,所以说,电流互感器的这一动作就好像一个分流器一样。这部分能量消耗会引起互感器的误差。当二次侧电流和(或者)阻抗增加时,压降也会相应成比例增加。因此,对电流互感器的限制也就是磁饱和问题。在磁饱和状态下,铁心磁通不再支持压降增加的需求。在该点,所有的能量都消耗在了铁心上,能够拿出支持二次回路的能量为零。
连续电流的额定值系数是在特定参考温度下给定的,通常为30℃。习惯规定正常使用下平均温度不超过55℃。额定值系数可以保证电流互感器温度不超过其绝缘耐热等级。该式遵守IEEE57.13的负载曲线。这里面有个前提,那就是绕组平均温升值和电流的平放成反比,并且还假定在连续运行条件下,铁心的损耗可以忽略不计。
相反,该式在环境温度低于30℃下也是适用的。不过,这种情况下,额定值系数将会更高。问题不在于超过绝缘的耐热等级,而在于这样可能会增大电流互感器准确度限制的误差。

电流互感器降负荷曲线图
另一个需要考虑的问题是给定额定值系数和实际温升的关系。在某些情况下,温度等级根据环境温度选取而不是根据互感器的实际温升选取。
开路状态
电流互感器的二次侧严禁开路,必须始终连接负载。如果互感器安装到了一次侧但没有使用,应将二次侧端子短接直到使用时才能打开。很多厂家在互感器出厂时用短路铜带或铜线把二次端子短接。电流互感器二次侧开路的情况下必须能够承受3500V的峰值电压1min。如果在正常工作电流下电压会超过该值,建议配备过电压保护装置。
过电压保护
在负载状况下,互感器的电压是有限的,其大小取决于绕组的匝数和铁心的横截面积。使用者必须估算负载的上限来确保设备的安全。有时,互感器的二次侧连接有保护装置来保证电压再安全范围内。这类设备通常也用来防止互感器开路状态下的过电压。在高电压设备中,为了保护一次绕组免受操作过电压和雷电过电压击中,可以采用避雷器。
电流互感器的接线
有些设备对电流的方向很敏感。在三相接地保护线路中,在各相平衡状态下,剩余电流互感器中电流相量和为零。极性相反的互感器会使接地保护继电器在正常平衡情况下发生误动作。

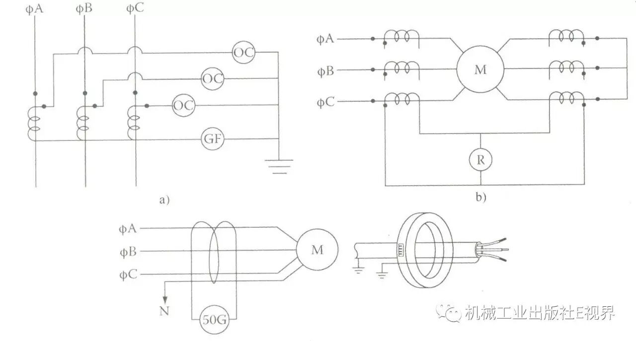
三相接地保护线路
a) 过电流和接地故障保护线路 b) 差动保护线路 c) 零序保护线路
二次侧星联结回路最为常用。电流互感器可以传递一次侧的正序、负序和零序分量。在二次侧角联结的情况下,零序分量被过滤并留在角联结绕组中循环流动。这是Dy接线变压器差动保护常用的接线方式。
要注意,在零序保护线路中,三相线同时穿过互感器的窗口,该方式和剩余电流保护一样,会滤除正序和负序分量,只剩零序分量进入设备50G。重要的是,一个接地点需要穿过互感器的窗口返回,避免通过接地路径行程电气短路匝的可能性。
最常用接线方式图解
a)单台电流互感器只能反映单相电流的情况。

b)三相完全星形接线方式能够及时准确了解三相负荷的变化情况。

c)两相不完全星形接线方式在实际工作中用得最多,但仅限于三相三线制系统。它节省了一台电流互感器,根据三相矢量和为零的原理,用A、C相的电流算出B相电流。

电流互感器极性检查
电流互感器一次绕组标志为P1、P2,二次绕组标志为S1、S2。若P1、S1是同名端,则这种标志叫减极性。一次电流从P1进,二次电流从S1出。极性检查很简单,除了可以在互感器校验仪上进行检查外,还可以使用直流检查法。
关于电压互感器和电流互感器先说这么多,如果还有没涉及到的内容,大家可以在下方留言,我会在适当的时候作出补充。
相关推荐链接:
0人已收藏
0人已打赏
免费0人已点赞
分享
供配电技术
返回版块97.93 万条内容 · 2214 人订阅
回帖成功
经验值 +10
全部回复(3 )
只看楼主 我来说两句-
198sn
沙发
2022-08-19 14:05:19
赞同0
-
jhepzxd
板凳
2022-08-13 04:53:13
赞同0
加载更多讲得够细致,楼主辛苦了!
回复 举报
讲解的比较详细
回复 举报