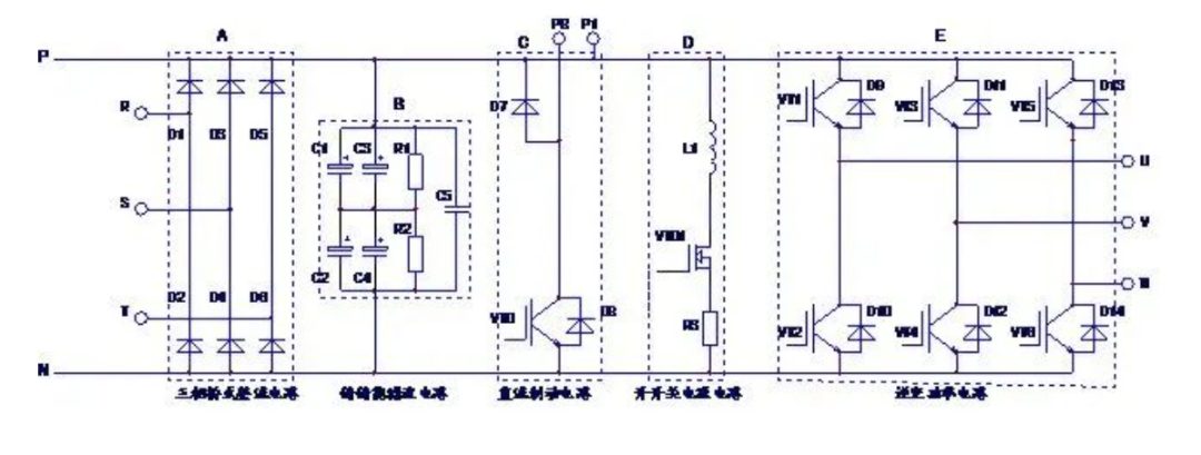
有关变频器直流母线电路的示意图,P、N直流母线电路示意图,变频器直流母线电路短路故障的现象与处理方法,整流和逆变电路中元件损坏造成的短路故障等。

0人已收藏
0人已打赏
免费0人已点赞
分享
电气工程施工
返回版块8.92 万条内容 · 574 人订阅
阅读下一篇
电动车48伏、60伏、72伏有什么不同?性价比谁高?电动车作为中国老百姓最重要的交通工具,目前中国市场保有量超过3亿,是大多数家庭的必备出行工具。那么,什么是48伏、60伏、72伏?他们到底有什么不同?如何选择电动车,才能达到效果最好,成本最低的目的?今天就来聊聊这个老百姓都关心的话题。本文会从充电成本、续航里程、和怎么选择,这三个大的方面去谈,希望这一篇能够在大家选车的时候帮上忙。
回帖成功
经验值 +10
全部回复(0 )
只看楼主 我来说两句抢沙发