土木在线论坛 \ 给排水工程 \ 建筑给排水 \ 给排水工程安装造价

给排水工程安装造价

发布于:2021-02-08 16:06:08 来自:给排水工程/建筑给排水 [复制转发]

室内室外给水、排水系统


图片 图片
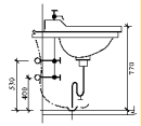
▲室内给水&排水系统组成

室外给水、排水系统


图片

室内室外给水、排水管道


计算要领:
  • 由入(出)口起,先主干,后支管;

  • 先进入,后排出;

  • 先设备,后附件。

  • 室内室外管道界线划分。

计算规则:
  • 图示管道中心线长度“m”计算。      

  • 不扣除阀门及管件所占长度。

  • 管材价值=按图计算量×定额消耗量×相应管材单价

  • 管件、支架;冲洗、消毒、试验。

  • 管道除锈刷油:按“m2”计算。

  • 钢管 F=πDL    铸铁管 F=1.2 πDL

  • 管沟土石方:按“m3”计算。

  • V=h(b 0.3h) l

土石方计算用《建筑工程预算定额》。
图片

给排水系统阀门、组成

阀门:螺纹、法兰阀,按“ ”计量。
组成:减压器组、疏水器组、水表组, 
按“ ”计量。
图片 图片
图片 图片

卫生器具(注意计算范围)


盆类:浴盆、净身盆、洗脸盆、洗手盆、洗涤盆和化验盆等,以“ ”计量。
器类:淋浴器、大便器、小便器、小便槽冲洗管等,以“ ”计量。               
图片 图片 图片
▲龙头、地漏、扫除口、排水栓

给排水管道工程量计算程序

01


语言的唯一标准,是准确

熟悉图纸、了解施工现场情况
图纸计算工程量的主要依据许多工程量都是按图示量为基础计算的,还有一些工程量计算是运用施工(或设计)说明,增加计算的不理解设计意图,一定会出较大差错。
了解施工现场情况和计算工程量关系不是很大,但对编制预算,关系较密切。因为了解现场情况对管道工程的施工、配件加工都有很大的相关性,这些和编制施工方案相关,施工方案和编制预算相关,因此,也该充分了解。

02


熟悉定额规定的计算规则

计算工程量与计算规则关系很大,计算时,是以规则为依据, 规则是计算工程量方面的共同语言,只有按规则计算,才能得到各方的共同认可。

03


确定不同工程项目不同计算方法

室内给排水管道工程适宜于逐段按尺寸计算的方法,某些室外给排水管道工程则因图幅很大,标准尺寸相对较难,适宜于比例尺测量,卫生器具,低压器具等,又不能用管道计量方法,只能按图清点,因此, 不同的工程项目用不同的计算方法。

04


确定不同的计算顺序

为了计量不重不漏,必须有计算顺序给水管一般从水源端向最后用水端计算,排水管从污水收集起到排出干管为止进行计算,一幅图中,从上到下,从左到右,等等顺序,可以自行规定某种顺序,按顺序计算,一定会不重不漏。

05


做好计算准备

备齐计算工具、记录工具、如计算器、算盘、各种笔、计算纸等。

06


核对工程量,减小误差

计算和核对,计算完某一项目工程量时,与材料设备表进行核对,应该差距很小,若过份差距大,则应单项查找问题加以纠正。

全部回复(0 )

只看楼主 我来说两句抢沙发

建筑给排水

返回版块

47.29 万条内容 · 1370 人订阅

猜你喜欢

阅读下一篇

这篇文章把污水泵的选型都讲透了!

来源:工业废水圈 如有侵权,请联系删除 水处理设备的合理选型,是每一个设计人员需要掌握的知识。作为输送提升的核心设备,泵在水处理项目中无处不在。泵的原理多样,种类繁多,而且还在不断地发展创新,不同的应用场合,泵的使用方法也各有差异。

回帖成功

经验值 +10