来源:公众号地基与基础,作者:陈国周
对于嵌入开挖面之下较大深度的单支点挡土结构,结构底部出现反弯矩,下部位移较小,可将挡土结构底端作为固定端,其净土压力零点位置(B点)与弯矩零点位置很接近,因此可在土压力零点处将挡土结构分为两个相联的梁来计算。这种简化计算方法称为等值梁法。

▲等值梁法示意图

▲等值梁法反弯点
等值梁法的计算步骤如下:
(1)根据主动土压力和被动土压力相等的原则确定B点位置;
(3)考察BG段,对G点取矩,并令MG=0计算长度x,确定嵌入深度u+x。
(4)考察AB和BG段,计算桩身最大弯矩,其位置应在剪力为零处。
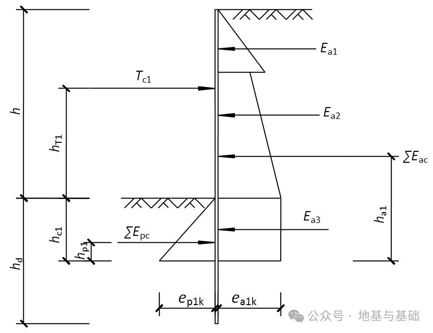
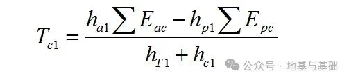
《建筑基坑支护技术规程》(JGJ120)规定,单层支点支护结构的反弯点位置位于基坑底面以下水平荷载标准值与水平抗力标准值相等的位置,即处,则支点力可按下式计算:

这里主要介绍逐层开挖支撑力不变等值梁法。对于多支点支挡结构,应根据土方开挖和支撑设置顺序分段计算,如图所示。在每个阶段均可将该阶段开挖面上的支撑点和开挖面下的假想支点(B1、B2、……、Bk,即每个阶段的净土压力零点)之间的支挡结构看做简支梁对待,然后把计算出的支点反力保持不变,并作为外力计算下一段梁的支点反力。每个阶段的支点力计算步骤可参照单支点支挡结构。



▲多层支点支护结构支点力计算简图
全部回复(0 )
只看楼主 我来说两句抢沙发