
继电保护回路是指采用各种继电保护装置单元组成的继电保护系统。它是一种能反映电力系统故障和不正常运行状态并及时作用于断路器使其跳闸或发出信号的自动化设备。它可分为测量回路和逻辑回路两部分。
(1)保护的测量回路。保护的测量回路可分为电流回路和电压回路,总称为交流回路。其作用是反映运行中的电力系统和电气设备的参数变化,确定保护装置是否应发出动作指令和发出哪类性质的指令。
(2)保护的逻辑回路。保护的逻辑回路是为实现测量回路发出的指令而设置的,可以用直流或交流电源。其元件主要有中间继电器、时间继电器、信号继电器和断路器的跳闸线圈等。

三段式电流保护接线图(原理图)

三段式电流保护接线图(展开图)
三段式电流保护采用两相不完全星形接线,包括:
①I段为瞬时电流速断保护,由继电器K1、K2、K7、K10构成;
②Ⅱ段为限时电流速断保护,由继电器K3、K4、K8、KI1构成;
③Ⅲ段为定时过流保护,由继电器K5、K6、K9、K12构成。
任何一段保护动作时,均有相应的信号继电器掉牌,从而可以知道哪段保护动作过,以便分析故障的大概范围
控制回路又称为操作回路,其作用是实现对设备的有效控制,包括设备的启动停止、电气线路的投运和断开以及其他要求的运行状态的改变等,也控制机电元件的通电与断电。
控制回路使用的元件主要有:
(1)发出指令的主令电器,如各种按钮和转换开关、行程开关、限位开关、万能开关等。
(2)扩展功能并构成逻辑动作关系的控制继电器。如中间继电器、时间继电器等。
(3)执行元件。包括断路器的跳闸线圈、合闸线圈和合闸接触器、交流接触器的线圈,液压和空气动力系统中的控制设备上的电磁铁等。
(4)信号元件,如信号灯等。
(5)断路器、接触器的辅助触点等
控制回路又可以分为与一次回路分离的独立的控制回路和与一次回路之间有电气连接的控制回路。

LW25-126断路器操动机构控制回路接线图
该控制回路分为合闸回路、跳闸回路和辅助回路三部分。合闸回路和跳闸回路又分为就地合闸、跳闸和远方合闸、跳闸两部分;就地合闸回路由11-52C、52Y动断触点组成。
合闸回路处于准备状态(按下52C即可合闸)时,需满足以下条件:52Y(防跳继电器)动断触点团合,当按下手合按钮11-52C合闸后,如果11-52C在合闸后发生粘连,则52Y通过11-520的粘连触点、断路器的动合触点52a、52Y动断触点启动,然后52Y通过自身动合触点、11-52C的粘连触点和电阻R1实现自保持。同时,52Y动断触点断开合闸回路。
远方合闸回路是指当43LR处于远方状态时,它通过43LR及断路器机构箱内的合闸回路与负电源形成回路,启动52C完成合闸操作。跳闸回路处于准备状态时,需满足以下条件:断路器的动合辅助触点52a闭合,63GIX的动断触点闭合:远方跳闸回路是通过431R及断路器机构箱内的跳闸回路与负电源形成回路,启动52T完成跳闸操作。

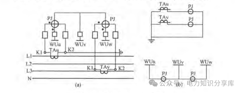
测量仪表回路是指通过电流互感器与电流表连接的回路或通过电压互感器与电压表连接的回路。下图是经过互感器接人的测量仪表回路的接线图和展开图。图中有一块三相三线有功电能表其电流线圈与电流互感器的二次绕组连接:电压线圈与电压互感器的二次绕组连接,电压小母线用WUu、WUv、WUw表示,它与主电路供电母线上电压互感器的二次绕组的引出线端相连接。

测量仪表回路接线图
属于电气二次信号回路的信号有事故信号、预告信号、提示信号、指挥信号、位置信号等。它是为了使运行人员及时了解设备状态而设置的,相当于人机对话系统的一部分。三段式电流保护接线图(展开图)表示了信号回路的部分展开图。在图1-15上还表示了综合自动化变电站的信号系统示意图。该变电站的信号分为继电保护信号、自动装置信号、位置信号、二次回路运行异常信号、压力异常信号装置故障和失电告警信号等。

综合自动化变电站信号系统示意图
0人已收藏
1人已打赏
免费2人已点赞
分享
电气资料库
返回版块70.18 万条内容 · 794 人订阅
回帖成功
经验值 +10
全部回复(0 )
只看楼主 我来说两句抢沙发