今天从低压电器、电动机及控制线路、传感器及控制原理三部分来分享22张超赞的原理动图。
低压电器部分








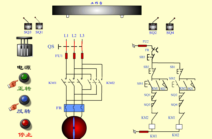
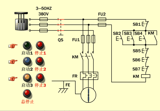
电动机及控制线路









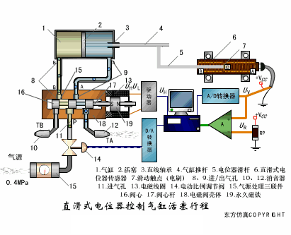
传感及控制原理





关于电气控制的内容远不止这几张图可以说明白的,所以小编想在这里向你推荐《电气控制课程》这门课程。
本课程重点介绍了电气控制中的长动与点动控制原理、启动停止自锁控制回路、电气控制顺序控制原理及课程、多地控制原理加仿真、按行程自动控制、按时间控制结合实践综合控制、自偶降压启动原理、星三角启动原理及电气控制系统原理图设计等。
课程大纲

适合人群

讲师介绍

当然,如果你想要学习关于电气其它的相关课程,我们有从基础到高阶的一系列电气课程可以学习,具体内容可以咨询我们的课程老师~

0人已收藏
0人已打赏
免费1人已点赞
分享
电气资料库
返回版块70.18 万条内容 · 794 人订阅
阅读下一篇
干了这么多年电气,终于搞明白低压配电室和高压配电室的区别了!来源:电气圈 如有侵权,请联系删除 低压配电室和高压配电室是电力系统中至关重要的组成部分,它们在电能的分配、传输和管理方面发挥着不可或缺的作用。那么低压配电室和高压配电室具体有哪些区别呢?下面我们一起来看看吧! 一、功率与电压等级 (1)低压配电室:通常指的是电压等级在1000V及以下的配电装置,特别是指10kV或35kV站用变出线的400V配电室。其功率相对较小,主要用于用户或家庭以及直接设备的电能分配。
回帖成功
经验值 +10
全部回复(0 )
只看楼主 我来说两句抢沙发