(1) 建筑电气工程图大多是采用统一的图形符号并加注文字符号绘制而成的。
(3) 线路中的各种设备、元件都是通过导线连接成为一个整体的。
(4)在进行建筑电气工程图识读时应阅读相应的土建工程图及其他安装工程图,以了解相互间的配合关系。
(5) 建筑电气工程图对于设备的安装方法、质量要求以及使用维修方面的技术要求等往往不能完全反映出来,所以在阅读图纸时有关安装方法、技术要求等问题,要参照相关图集和规范。
包括图纸内容、数量、工程概况、设计依据以及图中未能表达清楚的各有关事项。如供电电源的来源、供电方式、电压等级、线路敷设方式、防雷接地、设备安装高度及安装方式、工程主要技术数据、施工注意事项等。
包括工程中所使用的各种设备和材料的名称、型号、规格、数量等,它是编制购置设备、材料计划的重要依据之一。
是平面图的一个补充,它与平面图相辅相成,是指导施工的重要部分。
如变配电工程的供配电系统图、照明工程的照明系统图、电缆电视系统图等。系统图反映了系统的基本组成、主要电气设备、元件之间的连接情况以及它们的规格、型号、参数等。
照明系统图
消防系统图
系统图主要是由
电源电压、总开关、分路开关、导线规格、穿管规格、敷设方式、回路编号、回路容量组成。
是系统图的的一个补充,它与系统图一一对应 ,是指导施工的重要部分。
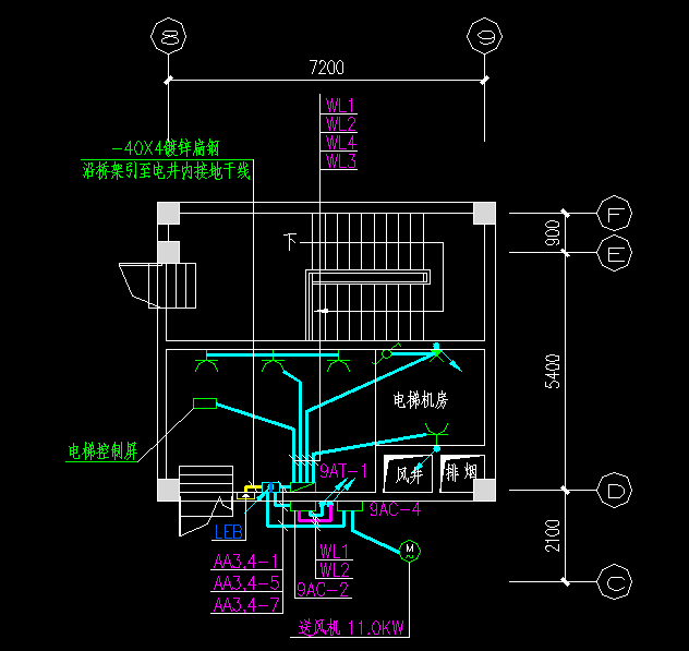
平面布置图是电气施工图中的重要图纸之一,如变、配电所电气设备安装平面图、照明平面图、防雷接地平面图等,用来表示电气设备的编号、名称、型号及安装位置、线路的起始点、敷设部位、敷设方式及所用导线型号、规格、根数、管径大小等。通过阅读系统图,了解系统基本组成之后,就可以依据平面图编制工程预算和施工方案,然后组织施工。
平面图通常分为:
照明平面、动力平面、消防平面、弱电平面、防雷平面、接地平面。
平面图主要是由设备、配电箱、与设备连接导线、回路编号构成的
包括系统中各所用电气设备的电气控制原理,用以指导电气设备的安装和控制系统的调试运行工作。
包括电气设备的布置与接线,应与控制原理图对照阅读,进行系统的配线和调校。
安装大样图是详细表示电气设备安装方法的图纸,对安装部件的各部位注有具体图形和详细尺寸,是进行安装施工和编制工程材料计划时的重要参考。
(1) 熟悉电气图例符号,弄清图例、符号所代表的内容。常用的电气工程图例及文字符号可参见国家颁布的《电气图形符号标准》。
(2) 针对一套电气施工图,一般应先按以下顺序阅读,然后再对某部分内容进行重点识读。
① 看标题栏及图纸目录 了解工程名称、项目内容、设计日期及图纸内容、数量等。
② 看设计说明 了解工程概况、设计依据等,了解图纸中未能表达清楚的各有关事项。
③ 看设备材料表 了解工程中所使用的设备、材料的型号、规格和数量。
④ 看系统图
了解系统基本组成,主要电气设备、元件之间的连接关系以及它们的规格、型号、参数等,掌握该系统的组成概况。
⑤ 看平面布置图 如照明平面图、防雷接地平面图等。了解电气设备的规格、型号、数量及线路的起始点、敷设部位、敷设方式和导线根数等。
平面图的阅读可按照以下顺序进行:电源进线总配电箱干线支线分配电箱电气设备。
⑥ 看控制原理图 了解系统中电气设备的电气自动控制原理,以指导设备安装调试工作。
⑧ 看安装大样图 了解电气设备的具体安装方法、安装部件的具体尺寸等。
(3) 抓住电气施工图要点进行识读
① 在明确负荷等级的基础上,了解供电电源的来源、引入方式及路数;
② 了解电源的进户方式是由室外低压架空引入还是电缆直埋引入;
③ 明确各配电回路的相序、路径、管线敷设部位、敷设方式以及导线的型号和根数;
(4) 结合土建施工图进行阅读
电气施工与土建施工结合得非常紧密,施工中常常涉及各工种之间的配合问题。
电气施工平面图只反映了电气设备的平面布置情况,结合土建施工图的阅读还可以了解电气设备的立体布设情况。
(5) 熟悉施工顺序,便于阅读电气施工图。
如识读配电系统图、照明与插座平面图时,就应首先了解室内配线的施工顺序。
① 根据电气施工图确定设备安装位置、导线敷设方式、敷设路径及导线穿墙或楼板的位置;
② 结合土建施工进行各种预埋件、线管、接线盒、保护管的预埋;
(6) 识读时,施工图中各图纸应协调配合阅读
对于具体工程来说,为说明配电关系时需要有配电系统图;为说明电气设备、器件的具体安装位置时需要有平面布置图;为说明设备工作原理时需要有控制原理图;为表示元件连接关系时需要有安装接线图;为说明设备、材料的特性、参数时需要有设备材料表等。这些图纸各自的用途不同,但相互之间是有联系并协调一致的。在识读时应根据需要,将各图纸结合起来识读,以达到对整个工程或分部项目全面了解的目的。
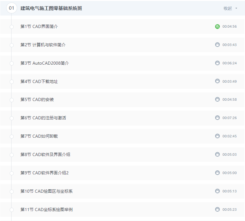
知道了施工图的组成部分,那么轮到自己上手的时候,是不是就是拿着一套之前的图纸依葫芦画瓢,知其然而不知其所以然呢!所以,小编想在这里向你推荐
《建筑电气施工图零基础系统班》
,本课程由大型甲级设计院主创建筑电气设计师倾力奉献,老师根据自己丰富的经验,教给你初入设计行业应该懂得的设计知识,让你找工作、找实习更有优势。通过本课程你可以简单的绘制建筑施工,建筑电气,机械图,并独立完成建筑电气图。
1.学会软件操作技巧,让你提高画图速度、准确率,高效完成交付的任务。
2.零基础入门学习,简单的绘制建筑施工,建筑电气,机械图,独立完成建筑电气图。







全部回复(1 )
只看楼主 我来说两句 抢板凳谢谢楼主的分享!
回复 举报