一.基本介绍
1.受力
钢结构楼梯属于梁式楼梯,传力途径:踏步→斜梁(梯梁)→平台梁、楼面梁
2.位置关系
一般情况下,梯梁可采用槽钢,开口朝外,踏步板和梯梁侧接(侧接满焊可以限制梁侧移及扭转,梯梁一般不会有整体稳定问题);对于跨度较大时,可采用H型钢,踏步板两端直接搭接在梯梁上部(侧接时梯梁截面高度较高,不经济)。有时候梯梁也可以用扁钢(更经济),例如截面为16mm*250mm
踏步板可选择花纹钢板/扁钢,两端带弯折【图集15J401钢梯】,一般梯段宽度≤1.2m,踏步板厚度一般4mm足够,室外钢楼梯则需6mm,考虑日晒雨淋等使用环境比较恶劣

3.参考文献:【图集15J401钢梯】、【钢设11.5.6】
二.楼梯计算
1.荷载计算
①踏步自重(恒载)
对于钢板自重,一般来说,还会做一些加劲等等,按几mm估算为几十kg/m2=0.几kN/m2。
例:踏步采用6mm钢板,踏板长260mm,踢板高167.2mm(需折算成水平踏板自重)。水平钢板自重78.5*0.006=0.471 kN/m2,水平混凝土50mm面层,采用C30细石混凝土,20*50=1kN/m2,水平自重=1.5 kN/m2
竖向踢板自重折算:1.5*(260+167.2)/260=1.5*1.65=2.5kN/m2
②活载:一般取3.5kN/m2
③斜梁自重
2.斜梁计算:
例:斜梁水平长度L=5100mm,垂直高度H=3040mm,梯段宽度1200mm,另外斜梁挠度可按次梁的L/250控制



三.节点连接
1.斜梁是简支梁,与楼面梁铰接(主次梁连接),一般腹板通过高强螺栓连接,可用MTS的梁梁铰接计算,计算除了剪力外,还要考虑剪力偏心引起的附加弯矩(偏心距为螺栓中心至楼面梁形心)
2.斜梁到平台段部位需要弯折,通过对接焊缝连接,焊缝质量等级二级。

3.斜梁到无平台段时,在梯梁端部加一个扁钢作为封边(踏步板太长),端部再附加一个不等边角钢进行连接,这更接近与铰接。如果端部是混凝土梁,则预埋一个角钢与端部不等边角钢进行连接。

4.当梯梁下端部不是梁,而是混凝土基础,做法也可以参照【图集15J401钢梯】。钢楼梯刚度不大对主体结构影响较小,可以不用像混凝土楼梯那样做滑动支座。

5.其他:详见图集
四.旋转楼梯
1.用3d3s建模三维计算,辅助线画出相应弧度及踏步节点,在正视图采用“起坡”形成高度,选择梯梁、踏板截面并布置。
2.梯梁支座两端为刚接,踏板两端点铰接。端部添加一个等截面的封边梁加强结构抗扭,作为楼梯支座的梁也应考虑扭转影响,简化为一个力偶加到梁上。

3.midas检验
从3d3s导入,检查荷载、约束、量纲、材料。
4.相应构造见【图集15J401钢梯】
五.钢雨棚
常用图集:【07SG528-1钢雨篷(一)】、【07J501-1钢雨篷(一)玻璃面板】
1.钢雨篷常用类型
【07SG528-1钢雨篷(一)】中给出了很多雨蓬类型,常用的有纯悬挑式和上拉压杆式。
①纯悬挑式一般不超过2m。端部刚接,几何不变无多余约束,约束处会有弯矩,对端部梁有扭矩。
②上拉压杆式则可用于悬挑长度超过2m,加一道斜杆形成简支,再悬挑一小段。悬挑段与简支段长度比可为2:8或3:7(使悬挑端部负弯矩与简支跨中正弯矩数值相等,最经济)。
端部做成铰接,没必要做刚接,平面内几何不变无多余约束(平面外实际上为机构),铰接处只传递水平和竖向力,由于有斜杆的存在,这种形式的雨蓬水平力较大,当雨蓬处有楼板时,平面外刚度足够大,当雨蓬处为梁时且无楼板时,要验算梁平面外承载力(配置抗扭筋)。
斜杆按单拉杆设计(角度最佳45°),当风吸力比较小时,斜杆不受压可用圆钢,会受压时用圆钢管。由于雨蓬在平面外实际上为机构,故常将斜杆做成空间斜杆。
③上下拉杆式
一般甲方不让在雨蓬下方处设置杆件,当可以设置时,则上下斜杆都按单拉杆计算即可。

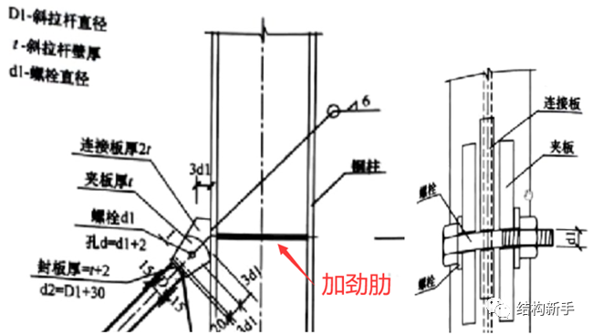
2.连接节点
单拉杆:按销轴连接计算【钢标11.6】。拉杆处梁柱截面应设置加劲肋

3.设计:详见【07SG528-1钢雨篷(一)】

来源结构新手,如有侵权请联系删除
0人已收藏
0人已打赏
免费1人已点赞
分享
钢结构工程
返回版块46.53 万条内容 · 1214 人订阅
阅读下一篇
多高层钢结构连接及节点设计一.基本概念 多高层钢结构的连接节点设计:梁与梁的拼接连接、次梁与主梁的连接、柱与柱的拼接连接、梁与柱的连接、支撑与梁柱的连接,以及柱脚的连接。连接计算基本上采用与构件截面面积等强的计算方法,因此与内力关系无关。 多高层钢结构的连接节点,按其构造形式及其力学特性,可以分为铰接连接节点、刚性连接节点、半刚性连接节点。从连接形式和连接方法来看,多高层钢主要采用焊接和高强度螺栓连接。
回帖成功
经验值 +10
全部回复(0 )
只看楼主 我来说两句抢沙发