标准化规格(示例)
现场堆放(示例)
有防水要求的(样板)
无防水要求的(样板)
错缝搭砌(样板)
砂浆灰缝一致(样板)
模板顶端簸箕口(样板)
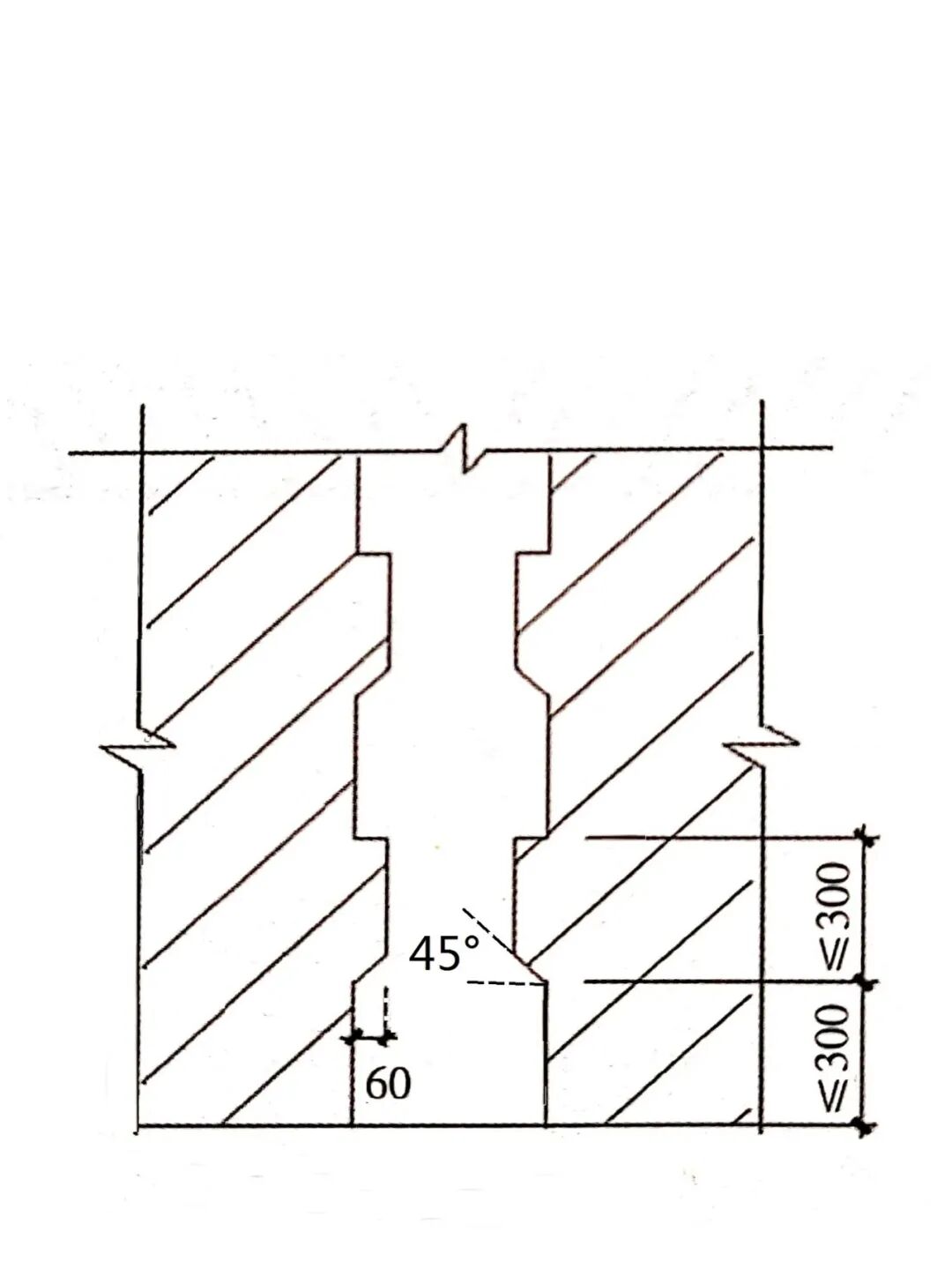
簸箕口混凝土剔凿(样板)
砼砌块(样板)
门洞口(示意)
窗洞口(示意)
墙面抹灰(样板)
设备工具

主要材料

材料运输加工

预制构件

前期准备

控制线放线

植筋

砌筑工程

|
|
|
|
成品保护

0人已收藏
0人已打赏
免费1人已点赞
分享
砖混结构
返回版块10.11 万条内容 · 448 人订阅
阅读下一篇
填充墙砌体“终身保修”吗?问题的提出 笔者接施工企业客户咨询,称竣工验收合格多年后的某工程,因填充墙砌体开裂被建设单位要求承担保修责任,建设单位主张的依据为《建筑工程施工质量验收统一标准》(以下简称“《施工验收标准》”)主体结构分部工程的分项工程中包括填充墙砌体;且根据《建设工程质量管理条例》“基础设施工程、房屋建筑的地基基础工程和主体结构工程,为设计文件规定的该工程的合理使用年限”,建设单位认为,填充墙砌体应“终身保修”。
回帖成功
经验值 +10
全部回复(0 )
只看楼主 我来说两句抢沙发