说到箱式变电站,想必大部分电气设计人员都不陌生了。我们都知道箱式变电站,又称预制式变电站或者预装式变电站。是一种高压开关设备、配电变压器和低压配电设备,按照预设的接线方案必须布置在厂内一体的室内外紧凑型配电设备。而箱变接地电阻是指箱变的

箱变接地电阻值的大小应该符合国家标准和行业规范的要求。根据《电力设备绝缘试验规程》和《箱式变电站设计规范》等相关标准规范,箱变接地电阻值应该在4欧姆以下。这是因为,箱变接地电阻值过大会导致箱变中性点电势升高,增加了绝缘击穿的风险,同时也会影响箱变的运行稳定性和电能质量。那么,为什么箱变的接地电阻通常被要求是≤4Ω呢?下面我们一起来看看吧!

▌为什么箱式变电站的接地电阻通常被要求是 ≤4Ω ?
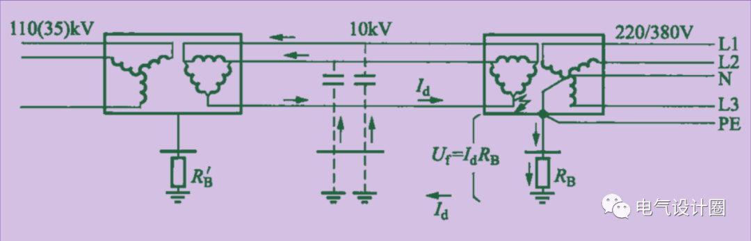
其实接地电阻≤4Ω是有条件的,即这个要求只是针对高压系统接地方式为[不接地]、[谐振接地]、[高电阻接地]的情况,并不适用于高压系统接地方式为有效接地的情况。
因为高压系统接地方式为[不接地]、[谐振接地]、[高电阻接地]时,高压侧的接地故障电流相对较小,一般不大于10A。这个10A的电流在箱变接地电阻Rb上产生的故障电压降就为4x10=40V。

而低压配电的系统接地与高压配电装置的保护接地往往是共用的接地极的,所以低压侧PE线对地电位也升高至40V,这个值小于人身电击的预期故障接触电压限值50V,从而当高压侧发生接地故障时引起低压侧电击事故的几率会很小。
▌接线示意图:



0人已收藏
1人已打赏
免费2人已点赞
分享
电站工程
返回版块5.34 万条内容 · 270 人订阅
阅读下一篇
变电站电气设备安装调试全要点讲解一、电气设备安装调试前的准备工作 许多时候我们对电气设备安装过程做到了谨慎,却忽视了其准备工作。其实开箱验收设备是十分必要的,当电气设备运抵到现场,施工方应组织有关专业人员共同进行设备的开箱验收,有些人认为这是多此一举,其实不然,这么做是为了从一开始就确保电气设备保质保量。在验收时有关人员要按照订货合同上注明的型号、数量等仔细核对,并记录是否有不符合要求的物件,验收完毕好要保管好这些物品。在做准备工作时,要将相关的资料准备充分,充分的准备可以便于及时根据现场突发情况做出安排,并且管理人员也可以做好现场监督,防止出现安装与图纸出现差异的状况。
回帖成功
经验值 +10
全部回复(1 )
只看楼主 我来说两句 抢板凳6.1 应该是:GB 50065-2011 交流电气装置的接地设计规范,标准的6.1.1条
回复 举报