城市的发展,人们对地下空间需求越来越多,近几年有不少地下室因地下水作用而出现工程事故或质量问题,如出现裂缝、渗漏水、底板局部拱起过大、甚至出现地下室上浮带来的结构破坏,加固处理起来浪费人力物力而且效果不好。本文探讨地下室抗浮设计对成本影响较大的几个方面。

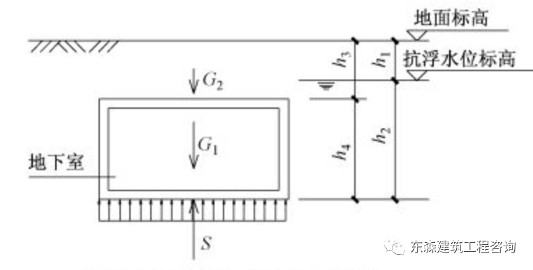
图1.地下室受力示意图

图2 某地下室渗漏

图3 某地下室上浮结构破坏
在地下室设计时、抗浮水位的确定涉及造价、施工难度和工期等。到目前为止,国家规范没有统一规定抗浮水位的取值方法,只给出了取值原则,对于抗浮验算,就需要设计人员及负责人经验丰富,才不致设计要么偏于保守,要么不安全。
准确确定施工和使用期间的抗浮水位非常困难,规范有如下规定:《建筑地基基础设计规范》: GB 50007—2011第3.0.4条第1款第6项要求,岩土工程勘察报告应提供用于计算地下水浮力的抗浮水位。《岩土工程勘察规范》第4.1.13条规定: 详细勘察应论证地下水在施工期间对工程和环境的影响; 对情况复杂的重要工程,需论证使用期间水位变化,需提出抗浮水位时,应进行专门研究。《全国民用建筑工程设计技术措施( 2009) 结构( 地基与基础)》 第7.1.4条第1款对抗浮水位的选取规定如下:抗浮水位应由勘察报告提供,抗浮水位参照如下情况综合考虑确定: 1) 设计基准期内抗浮水位应根据长期水文观测资料确定。2) 无长期水文观测资料时,可采用丰水期最高稳定水位( 不含上层滞水) ,或按勘察期间实测最高水位并结合地形地貌、地下水补给、排泄条件等因素综合确定。3) 场地有承压水且与潜水有水力联系时,应实测承压水位,并考虑其对抗浮水位的影响。4) 在填海造陆区,宜取海水最高潮水位。5) 当大面积填土面高于原有地面时,应按填土完成后的地下水位变化情况考虑。6) 对一、二级阶地,可按勘察期间实测平均水位增加1~3m;对台地,可按勘察期间实测平均水位增加2~4m; 雨季勘察时取小值,旱季勘察时取大值。7) 施工期间的抗浮水位可按1~2个水文年度的最高水位确定。
《建筑工程抗浮技术标准》第3.0.6??抗浮设防水位应根据建筑使用功能、抗浮设计等级、场地历史最高水位和长期水位观测资料、勘察报告建议、水位预测咨询成果和工程经验综合分析后,按施工期和使用期分别确定。5.1.1??抗浮设防水位可分为施工期抗浮设防水位和使用期抗浮设防水位。施工期与使用期可采用相同的抗浮设防水位;拟采取地下水控制措施的工程可采用不同的抗浮设防水位。以及5.3条的相关内容。
《合肥市地下建( 构) 筑物抗浮设防管理规定》( 合建〔2011〕18号) 第六条规定,如无可靠的长期观测资料,合肥市抗浮水位建议取值如下: a) 当建设场地地势较低且较平坦时,可取室外设计地坪下0. 50m 作为抗浮水位; b) 当建设场地地势较高且较平坦时,可取室外设计地坪下1. 00m 作为抗浮水位; c) 当建设场地地势显著高于周边,地表水、地下水径流条件较好时,可结合场地情况确定抗浮水位;d) 对于地质条件复杂的重要工程,应进行专项水文试验,并经专家论证。2) 上海地区要求基本同合肥地区。3) 福建省防洪设计暂行规定要求,对重大工程按室外地面以上0. 50m高度确定地下室的抗浮水位。
《北京市建筑设计技术细则》第3.1.8 条第3、第4款规定: 地下室外墙、独立基础加防水板基础中的防水板等结构构件进行承载力计算时,抗浮水位取最近3~5水文年的最高水位( 水位高度不包括上层滞水) 。2) 考虑到南水北调工程,北方地区抗浮水位应适当提高。
对重大工程或抗浮水位对结构投资影响较大的工程,可组织专家论证,采取切实可行措施,如设盲沟或明沟将地下水排走,降低抗浮水位。
对于复杂的地形或坡地的抗浮水位可按竖向设计标高分区。广东省项目可以参照《广东省建筑结构荷载规范》10.2.2执行。
对于根椐周边地形确定的抗浮水头如与地勘不一致时,一定要与地勘单位技术上友好沟通,因为地勘是设计依据,如果设计为了给甲方节省造价,取了相对合理但比地勘低的水头,地勘不认可时,一旦出现质量,将定性为设计问题,切记。
3、抗浮措施:

图7 抗拔桩试验
4.1抗拔桩和抗浮锚杆计算方法
对于抗拔桩的承载力确定,各规范要求稍有区别,设计可从严执行:《 建筑地基基础设计规范》第8.5.9条规定,应通过单桩竖向抗拔载荷试验确定单桩竖向抗拔承载力特征值。《建筑桩基技术规范》第 5. 4. 6 条及条文说明规定,甲、乙级应通过单桩抗拔静载荷试验确定单桩竖向抗拔承载力; 群桩基础和丙类桩基可按第5.4.6条第2款计算确定单桩竖向抗拔承载力,不试桩( 该条条文说明指出,事实上群桩抗拔难以通过试验确定) ,但该条文说明要求丙类桩基应进行工程桩抗拔静载试验( 验收) 检测。《全国民用建筑工程设计技术措施》11.3.11条规定,抗拔工程桩完成后应采用静载荷试验进行抗拔承载力检验。《建筑基桩检测技术规范》第3.3.1条规定,为设计提供依据的试验桩,应依据设计确定的基桩受力状态,采用相应的静载 试 验 方 法 确 定 单 桩 极 限 承 载 力。《高层建筑岩土工程勘察规范》第8.6.7条规定,高层抗拔桩的抗拔承载力应通过现场抗拔静载荷试验确定,第8.6.8~8.6.10 条估算抗拔承载力,但第8.6.8~8.6.10条条文说明指出,正式施工前仍应进行抗载荷试验验证。抗拔桩还要进行桩身承载力与裂缝控制计算。
对于抗浮锚杆的承载力确定,不同规范要求也有区别,设计也可从严执行: 《岩土锚杆与喷射混凝土支护工程技术规范》第11.2. 2条规定,锚杆承载力可按该规范第4.6节计算;第12.1.6条规定,永久性锚杆工程( 地下室抗浮锚杆属永久性锚杆) 应进行锚杆基本试验;第12.1.14条规定,塑性指数大于17的土层锚杆、强风化的泥岩或节理裂隙发育张开且充填有黏性土的岩层中的锚杆应进行蠕变试验。
4.2抗拔桩和锚杆平面布置应注意的问题
抗拔桩和锚杆宜布置在独立基础或条基下,板厚较薄的筏板的柱和墙下,不宜布置在防水板或厚度较小的筏板下( 对于板厚较大的筏板,可在板下布置) 。如果将抗拔桩和锚杆均匀布置在防水板或较薄的筏板下,则由于该板不足以协调桩顶作用力的均匀分布,底板受到水的浮力作用而上拱,从而靠近柱的基桩承担的水浮力较小,板的中部分担的水浮力较大。如果设计时富余不大,远离柱的基桩或锚杆实际分担的水浮力大而率先破坏,从而其余桩各个被破坏,从而导致整个结构抗浮失效。
若防水板下不铺设易压缩材料褥垫,应考虑地基反力对防水板的影响。此时实际是变刚度筏基,须用有限元法分析防水板和基础承担的地基反力,对基础和防水板进行配筋。
其实这里是否设褥垫应根据实际情况确定,当层数较多荷载较大,而水浮力较小时,此时设褥垫,使防水板仅承担水浮力,不承担地基反力,可以节约造价; 当层数较少,水浮力较大时,可不设褥垫,设褥垫反而浪费。
0人已收藏
0人已打赏
免费2人已点赞
分享
地下室设计
返回版块4.69 万条内容 · 406 人订阅
阅读下一篇
鸡肋地下室变身家庭活动中心01 设计任务 Design assignment 这是一个四层楼的花园跃层洋房,买一层二层带花园,送两层地下室。一层和二层精装修交付,负一层和负二层是毛坯状态。 业主严姐和吕哥经过朋友介绍找到我们,这是他们的第三个家,为了孩子上学的改善性住房。 为了能够更加深入和准确的判断设计方向的需求,我们轮番进行了使用习惯和生活偏好的信息收集,整理出了设计任务和相应的诉求:
回帖成功
经验值 +10
全部回复(0 )
只看楼主 我来说两句抢沙发