风机盘管主要由风机,换热盘管和机壳组成,按风机盘管机外静压可分为标准型和高静压型、按换热盘管排数可分为两排和三排,换热盘管一般是采用铜管串铝翅片,铜管外径为10~16mm,翅片厚度约0.15~0.2mm,间距2.0~3.0mm,风机一般采用双进风前弯形叶片离心风机,电机采用电容式4极单相电机、三档转速、机壳和凝水盘隔热。

借助风机盘管机组不断地循环室内空气,使之通过盘管而被冷却或加热,以保持房间要求的温度和一定的相对湿度。盘管使用的冷水或热水,由集中冷源和热源供应,与此同时,由新风空调机房集中处理后的新风,通过专门的新风管道分别送人各空调房间,以满足空调房间的卫生要求。
风机盘管空调系统与集中式系统相比,没有大风道,只有水管和较小的新风管,具有布置和安装方便、占用建筑空间小、单独调节好等优点,广泛用于温、湿度精度要求不高、房间数多、房间较小、需要单独控制的舒适性空调中。
风机盘管工作原理没有中央空调复杂,其实我们可以把风机盘管形象的看做是一台电扇,只是这台电扇吹出来的风是我们需要的温度。
风机盘管的结构
风机: 由单向多速低噪声感应系统电动机带动,通过调节输入电压改变风机转速,使风机风量分为高、中、低三档,由电器开关控制,相应调节风机盘管的供冷(热)量。风机是输送空气的动力源,又是强化空气侧对流换热(盘管外表面)的扰动源,与电动机一起又是机组的主要噪声源。
盘管: 是一种采用肋片管制成的空气-水热交换器。冷媒水(热水)在管内流动,因冷媒水温度低于空气的露点温度,所以管外表面上有凝结水,呈现湿工况下的换热,兼有热交换和质交换,提高了换热效果。盘管承担房间空调负荷的大部或全部,管排一般为3-4排。
凝水盘: 与泄水接管置于盘管底下,作用是接纳盘管上不断凝结出来的水滴,由泄水接管排出室外。
空气过滤器: 与泄水接管置于盘管底下,作用是接纳盘管上不断凝结出来的水滴,由泄水接管排出室外。

风机盘管工作原理与制冷运行过程
风机盘管机组可分为水路和气路。水路由集中空调冷(热)源设备(如制冷机)供给冷(热)媒水,在水泵作用下,输送到盘管管内循环流动。气路是空气由风机经回风口吸入室内,然后横掠过盘管与盘管内的冷(热)媒水换热后,降温除湿,再由送风口送入室内。如此反复循环,使室内温、湿度得以调节。
中央空调系统运行的过程实质上是热量转移的过程。中央空调制冷时,典型的制冷时热量转移过程如下:

风机盘管加新风系统优缺点
风机盘管加新风系统分为两部分,中央空调风机盘管和新风系统,风机盘管是中央空调末端设备,新风系统负担新风负荷以满足室内空气质量,风机盘管加新风系统是水系统空调中一种重要形式,也是民营建筑中采用较为普遍的空调形式。

风机盘管加新风系统优点(与全空气系统相比)
风机盘管加新风系统优点一:控制灵活,具有个别控制的优越性,可灵活地调节各房间的温度,根据房间的使用状况确定风机盘管的启停;
风机盘管加新风系统优点二:风机盘管机组体型小,占地小,布置和安装方便,甚至适合于旧有建筑的改造;
风机盘管加新风系统优点三:容易实现系统分区控制,冷热负荷能够按房间朝向,使用目的,使用时间等把系统分割为若干区域系统,实施分区控制。
风机盘管加新风系统缺点(与全空气系统相比)
风机盘管加新风系统缺点一:因机组分散设置,台数较多,维修管理工作量大;
风机盘管加新风系统缺点二:室内空气品质比较差,很难进行二级过滤且易发生凝结水渗顶事故。
风机盘管加新风系统缺点三:风机盘管机组方式本身解决新风量困难,由于机组风机的静压小,气流分布受限制,实用于进深小于6米的房间。
风机盘管加新风系统优点与缺点并存,合理的设计、合适的设备选择、正确的施工安装可以减少风机盘管加新风系统带来的缺陷,以上只是认识一下风机盘管加新风系统优点和缺点,对于设计师而言,可以做到取长补短;对于消费者而言,可以趋利避害,选择适合自己的空调系统。
风机盘管设计选型要点
风机盘管机体小,布置灵活、安装方便、占用建筑空间较少,便于配合内装施工。但怎样根据业主的不同需求,结合设计图纸选择较好的风机盘管应用到实际工程中去,应充分考虑了以下几点:
1、冷量的校核
目前市场的产品,一般都是名义制冷量而实际运行中的冷量应是冷量×单位时间内的平均运行时间,即改变运行时间或风量,都会影响机组的输入冷量。所以并非名义冷量越高越好。如果仅按高冷量选用机组,会出现供冷能力过大,导致开动率过低,换气次数减少,室温梯度加大,还会加大系统容量和设备投资,空调能耗加大,空调效果降低。所以冷量仅作为选设备的必要条件之一,还应兼顾其它因素。
2、风量校核
主要按房间品质要求校核换气次数。送风温差越小,换气次数越多,则空气品质越好,就越舒适,为什么有的空调房间感受有异味、闷气,就是风量校核没有处理好。由于风机盘管的名义风量是在不通水,空气进出口压差为零的工况下测定的,故存在一些不切实际的因素,所以实际确定风量是应将这部分理想状态下的风量值扣除,通过经验测算,这部分增补风量应占名义风量的20—30%。
3、送、回风方式
送、回风方式即形成所谓的气流组织,其合理与否直接影响到空调房间的温度场、速度场的均匀性和稳定性,也即空调效果的好坏。合理的气流组织要求一定的送风速度,避免气流短路,以保证一定的射流长度。风速取决于机外静压,送风量、送风口等因素。机外静压过低,会导致风量下降,射程降低,房间冷热不均,设计气流组织与实际运行状态在曲线图上存在较大差异,故应根据实际的建筑格局、房间的结构形式,进深、高度等情况,选择中档风量、风速指标来相应选择风机盘管型号。
4、其它因素
a.噪音指标控制在40dB以下,对噪音偏大的风机盘管,加装消声处理装置,阻力值不大于10Pa。
b.安装、施工中质量注意保温质量,冷凝水的排放,坡向,管件接头,系统清洁。
c.水系统的设置方式水平系统还是垂直系统,部分工地选用垂直系统,能较好的保证冷凝水的排放,保证了房间的层高要求。
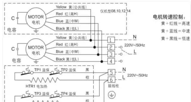
风机盘管控制原理与接线
风机盘管简单控制: 使用三速开关直接手动控制风机的三速转换与启停。
风机盘管温度控制: 使用温控器根据设定温度与实际检测温度的比较、运算,自动控制电动两/三通阀的开闭,风机的三速转换,或直接控制风机的三速转换与启停,从而通过控制系统水流或风量达到恒温。




风机盘管分类与参数性能
按形式:卧式暗装、卧式明装、立式暗装、立式明装、卡式五种;
按厚度:超薄型、普通型;
按有无冷凝水泵:普通型、豪华型;
按机组静压:0Pa、12Pa、30Pa、50Pa、80Pa (机外静压);
按照排管数量 :两排管、三排管;
按制式:两管制、四管制;
风机盘管所说的几排指的是风机盘管表冷器铜管的排数,一般的二排就是铜管两排,每排8根,一共16根铜管;三排就是铜管三排,每排8根,一共24根铜管。铜管的根数越多,制冷效果越好。
两管制: 普通风机盘管夏季走冷水制冷,冬季走热水制热;
四管制: 多用于一些比较豪华场所,可以同时走热水和冷水,即可以根据需要有的房间制冷,有的房间取暖。
参数变化对性能造成的影响
据统计,供水温度升高1℃时,制冷量减少10%左右,供水温度越高,减幅越大,除湿能力下降。
供水条件一定,风机盘管风量改变时,制冷量和空气处理焓差随着变化,一般是制冷量减少,焓差增大,单位制冷量风机耗电变化不大。
风机盘管进、出水温差增大时,水量减少,换热盘管的传热系数随着减小。另外,传热温差也发生了变化,因此,风机盘管的制冷量随供回水温差的增大而减少,据统计当供水温度为7℃,供、回水温差从5℃提高到7℃时,制冷量可减少17%左右。

风机盘管常见故障现象
风机噪音故障表现及处理方法:
1、轴承损坏产生的噪音;处理方法是更换轴承。
2、运转时与吊顶产生的噪音;处理方法是调整盘管吊杆螺母高度,或处理风口与吊顶龙骨的摩擦。
3、管道中有空气产生的噪音;处理方法是在盘管排气阀、楼层排气阀、末端排气阀将管道中空气排尽。
风机不能启动或运行速度慢故障表现及处理方法:
1、温度开关损坏;用电笔测量温控开关输入端和风机输出桩头是否有电,如判断温度开关损坏,可更换或维修温度开关。
2、运行速度慢:
a、感觉一下风机表面温度是否正常;
b、停机后手动转动风叶,感觉转动是否灵活,如有阻力更换风机轴承;
c、如手动盘运转正常,更换启动电容;
d、测量电机线圈电阻,如不正常更换电机。
空调效果差或没效果:
1、打开盘管排气阀,检查系统循环水温是否正常;
2、检查进出口温度:
a、温差很小,打开盘管排气阀,检查水温是否正常,如水温正常,再检查二通阀是否打开,如二通阀未打开,继续检查二通阀供电是否正常,检查Y型过滤网是否堵塞;
b、进出口温差正常,查看房间保温是否正常,比如门窗是否关闭,如门窗未关空气对流后,空调就没有效果,应与客户做好解释工作;
c、进出口温差偏大出风口风量小,检查进风口滤网是否有灰尘,检查风机转速是否正常。
空调有异味:
1、检查、清洗进风口风滤网;
2、检查盘管翘片是否有灰尘,如果有灰尘应实施清洗方案;
3、检查风管内是否有异物、灰尘、积水等,清洁干净去除异味。
4、检查积水盘有没有异物。
空调漏水:
1、排水不畅:a、检查节水盘是否堵塞,b、检查排水管是否堵塞,c、检查排水管道坡度是否合理。
2、保温层脱落,恢复保温层。
3、排气阀漏水,关紧排气阀。
4、软管、阀门、管件漏水,关闭总阀再进行更换。
空调水管爆管紧急处理:
1、打开泄水阀排水减压;
2、关闭空调主机、膨胀水箱补水阀增压泵、循环泵;
3、关闭爆管区域总阀;
4、关闭爆管区域电源;
5、危及到电梯时,关闭电梯电源,尽量停到高于爆管楼层;
6、及时挪开重要物资,清理积水。
0人已收藏
0人已打赏
免费0人已点赞
分享
暖通资料库
返回版块25.5 万条内容 · 717 人订阅
回帖成功
经验值 +10
全部回复(0 )
只看楼主 我来说两句抢沙发