到供配电系统,想必大部分电气设计人员都非常熟悉了,但是说到供电部门关于配电的相关规定,可能不少电气人员都是一知半解,甚至还是一些电气设计人员是一问三不知的。我们都知道电力系统:由发电、输电、变电、配电和用电等环节组成的电能生产与消费系统。是现代社会中最重要、最庞杂的工程系统之一。而建筑供配电系统是电力系统中配电环节中的一个小部分,也就是很小的系统,不论是结构还是运行,相对电力系统要简单的多。他住主要涉及:电气设备,变、配电所,低压配电系统,建筑物防雷与接地装置等方面。那么供电部门关于配电的相关规定具体有哪些内容呢?下面本文详细地给大家介绍一下,看完文章希望能给广大电气设计人员一些参考。

? 01 供配电系统主接线要求及供电电源的配置
(1)供配电系统主接线的基本要求
(一)主接线的基本要求
1、根据进出线回路数、设备特点及负荷性质等条件确定。
2、满足供电可靠、运行灵活、操作检修方便、节约投资和便于扩建等要求。
3、在满足可靠性要求的条件下,减少电压等级和简化接线。
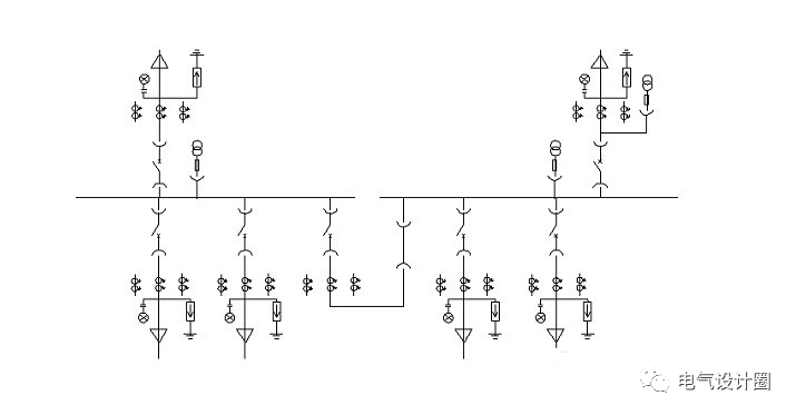
4、具有两回路线路供电的一级负荷客户,其电气主接线的确定应符合下列要求:
① 35KV及以上电压等级应采用单母线分段接线或双母线接线。装设两台以上主变压器。6~10KV侧应采用单母线分段接线。
② 10KV电压等级应采用单母线分段接线,装设两台及以上变压器。0.4KV侧应采用单母线分段接线。
5、具有两回线路供电的二级负荷客户,其电气主接线应符合下列要求:
① 35kV及以上电压等级宜采用桥形、单母线分段、线路变压器组接线。装设两台及以上主变压器。中压侧应采用单母线分段接线。
② 10kV电压等级宜采用单母线分段、线路变压器组接线,装设两台及以上变压器。0.4KV侧应采用单母线分段接线。
单回线路供电的三级负荷用户,其电气主接线,采用单母线或线路变压器组接线。

(二)运行方式:
1. 特级重要客户可采用两路运行、一路热备用运行方式。
2. 一级客户可采用以下两种运行方式:
① 两回及以上进线同时运行互为备用。
② 一回进线主供、另一回路热备用。
3. 二级客户可采用以下运行方式:
① 两回及以上进线同时运行。
② 一回进线主供、另一回进线冷备用。
(2)供电电源的配置
1、供电电源依据客户分级、用电性质、用电容量、生产特性以及当地供电条件等因素,经过技术经济比较,与客户协商后确定。
2、特级重要电力客户应具备三路及以上电源供电条件,其中的两路电源应来自两个不同的变电站,当任何两路电源发生故障时,第三路电源能保证独立正常供电。
3、一级重要电力客户应采用双电源供电,二级重要电力客户应采用双电源或双回路供电。
4、对普通电力客户可采用单电源供电。
5、双电源、多电源供电时宜采用同一电压等级电源供电,供电电源的切换时间和切换方式要满足重要电力客户允许中断供电的时间要求。

? 02 用电容量的确定及电能计量点和计量方式
(1)用电容量的确定
1. 用电容量的确定原则
综合考虑客户申请容量、用电设备总容量,并结合生产特性兼顾主要用电设备的同时率、同时系数等因素后确定。
2. 高压供电客户
在满足近期生产需要的前提下,客户受电变压器应保留合理的备用容量,为发展生产留有余地。在保证受电变压器不超载和安全运行的情况下,应同时考虑减少电网的无功损耗。一般客户的计算负荷宜等于变压器额定容量的70%~75%。
3.低压供电客户
根据客户主要设备额定容量确定。

(2)电能计量点及计量方式
1、电能计量点
电能计量点原则上应设置在供电设施与受电设施的产权分界处。
2、电能计量方式
1)低压供电的客户,负荷电流为60A及以下时,电能计量装置接线宜采用直接接入式;负荷电流为60A以上时,宜采用经电流互感器接入式。
2)高压供电的客户,宜在高压侧计量;但对10KV供电且容量在315KVA及以下、35KV供电且在500KVA及以下的,高压计量确有困难时,可在低压侧计量,即采用高供低计方式。
3)有两条及以上线路分别来自不同电源点或有多个受电点的客户,应分别装设电能计量装置。
4)客户一个受电点内不同电价类别的用电,应分别装设电能计量装置。

? 03 供电报装及施工送电流程
1、供电报装需提交的资料

2、供电报装的一般流程

3、供电报装的注意事项
(1)项目建设单位应在办理项目建设临时(施工)用电的同时,办理正式用电报装手续,并在新建项目建设的临时(施工)用电送电前与供电公司签订《新建住宅供电配套工程合同》。
(2)开闭所与开闭所之间不能贴邻设置,间距应大于20m。

(3)公变配电房与公变配电房之间不能贴邻设置,间距应大于20m。
(4)开闭所可以和公变配电房贴邻设置。
(5)公变配电房设置在一层,开闭所可设置在二层。
(6)公变配电房水平供电半径为150m,最大不能超过200m。
0人已收藏
0人已打赏
免费1人已点赞
分享
电气资料库
返回版块70.18 万条内容 · 793 人订阅
回帖成功
经验值 +10
全部回复(1 )
只看楼主 我来说两句 抢板凳谢谢楼主的资料,好东西,谢谢
回复 举报