配电箱和配电柜、配电盘、配电凭等,是集中安装开关、仪表等设备的成套装置。
常用的配电箱有木制和铁板制两种,现在哪儿的用电量都挺大的,所以还是铁的用的比较多。
至于它的用途嘛:当然是方便停、送电,起到计量和判断停、送电的作用。
下面就简单介绍一下配电箱接线图和配电箱系统图。
家庭配电箱接线图在进行安装的时候也是必不可少的,特地为大家准备了几幅很详细的接线图。

配电箱接线图一

配电箱接线图二
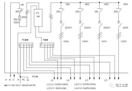
我们平时看到多家多户用电的时候,大多是由一个配电柜里面发出来的,简单的接线图就是这个样子。

配电箱系统图
1、明装配电箱,配电箱安装在墙上时,应采用开脚螺栓(胀管螺栓)固定,螺栓长度一般为埋入深度(75~150mm)、箱底板厚度、螺帽和垫圈的厚度之和,再加上5mm左右的“出头余量”。对于较小的配电箱,也可在安装处预埋好木砖(按配电箱或配电板四角安装孔的位置埋设),然后用木螺钉在木砖处固定配电箱或配电板。
2、暗装配电箱,配电箱嵌入墙内安装,在砌墙时预留孔洞应比配电箱的长和宽各大20mm左右,预留的深度为配电箱厚度加上洞内壁抹灰的厚度。在圬埋配电箱时,箱体与墙之间填以混凝土即可把箱体固定住
3、配电箱应安装牢固,横平竖直,垂直偏差不应大于3mm;暗装时,配电箱四周应无空隙,其面板四周边缘应紧贴墙面,箱体与建筑物、构筑物接触部分应涂防腐漆。
4、配电箱内装设的螺旋式熔断器,其电源线应接在中间触点的端子上,负荷线应接在螺纹的端子上。这样,在装卸熔芯时不会触电。瓷插式熔断器应垂直安装。
5、配电箱内的交流、直流或不同电压等级的电源,应具有明显的标志。照明配电箱内,应分别设置零线(N线)和保护零线(PE线)汇流排,零线和保护零线应在汇流排上连接,不得绞接,应有编号。
6、导线引出面板时,面板线孔应光滑无毛刺,金属面板应装设绝缘保护套。金属壳配电箱外壳必须可靠接地(接零)。
配电箱的二次接线应该从端子排走,首先应分好那些元器件在一拨,这主要满足横平竖直,美观点,从端子排开始遇见一个元器件开始分线同时把窜线嵌入,分完线就开始依照接线图接就完成接线。

配电箱示意图
二次接线其实就是控制线,一次接线就是主电路,二次接线的作用是控制主电路的工作状态,比如接通、断开、延时等。
二次元件主要有:
A微机保护装置(保护主回路用的,功能有速断、过流、差动、低周减载,接地保护,根据负载的类型,保护的种类很多)。
B操控装置(故名思意:操作断路器合分闸,以及查看柜内一次元件状态用的)。
C带点显示器(带点指示用的)。
D多功能电度表(看有功,无功,电压,电流等)。
E继电器等辅助元件。
家庭用电是我们必须仔细和严格把关的一部分,电路的安装安全、完善,那么在今后的生活中也能够安心使用,消除家中的安全隐患。
0人已收藏
0人已打赏
免费5人已点赞
分享
供配电技术
返回版块97.93 万条内容 · 2214 人订阅
阅读下一篇
配电箱一级、二级、三级是什么意思?配电箱是一种用于将电能分配到不同用途的低电压设备,其作用是将从高压输电网输送来的电力转换为适用于不同用途的低电压电能。配电箱一级、二级、三级则是根据其功能和安装位置不同而分类的三种不同级别的配电设备。在下面的文章中,我们将介绍配电箱一级、二级、三级的含义和作用。 一级配电箱 一级配电箱通常被安装在变电站内部,它的作用是将从高压输电网输送来的电能转换为中压电能。变电站中的变压器将高压电能转换为中压电能,然后一级配电箱将这些电能输送到建筑物内部。在一级配电箱中,通常会安装各种保护设备,例如隔离开关、刀闸、接地刀闸、过电压保护器等,这些设备能够保护配电箱内部的设备和电线不受外界电力干扰的影响,从而确保电力的稳定输送。
回帖成功
经验值 +10
全部回复(1 )
只看楼主 我来说两句 抢板凳了解了配电箱接线图,很直观,感谢楼主分享
回复 举报