土木在线论坛 \ 电气工程 \ 供配电技术 \ 供配电系统接地方式及接地保护

供配电系统接地方式及接地保护

发布于:2023-08-09 11:47:09 来自:电气工程/供配电技术 [复制转发]

1

概述


接地的概念:将电气设备的中性点、外壳、支架等与接地装置做良好的电气连接就称为接地。按接地的工作性质分为:工作、保护、防雷、静电接地。


其概念如下: 

1)工作接地:(也叫系统接地)为保证电气设备的安全运行,而将电力系统的 一点或多点的功能性接地。

2)保护接地:为防止绝缘损坏的漏电或感应电而造成的触电危险,将系统、装置或设备的一点或多点的接地。 

3)防雷接地:为雷电保护装置(接闪器、接闪线、避雷器等)向大地泄放雷电流而设的接地。 

4)静电接地:为防止静电对易燃油、天然气储罐、管道等的危险作用而设的接地。


以下重点讨论配电系统的中性点工作接地运行方式及其选择。(所谓的中性点就是指发电机、变压器的中性点)


2

中性点接地的分类


分为小电流接地系统和大电流接地系统:小接地电流系统(又称非有效接地系统),包括: 

? 中性点不接地 

? 经消弧线圈接地(又称谐振接地) 

? 以及高阻抗接地系统

? 小接地电流顾名思义,故障时接地电流小,而电流小,则阻抗要高。所以通常这类系统的零序电抗X0与正序电抗X1的比值大于3,零序电阻R0与正序电抗X1的比值大于1。 

? 小接地电流的特点:当发生一相接地故障时,接地电流被限制到较小数值,非故障相的对地稳态电压可能达到线电压(1.732Ua)。(我国的66kV-东三省特有的、35kV、10kV、6kV、3kV系统—现在基本不用)详见附图所示:

图片

C相接地后,Ua’=√3Ua=Uab,Ub’=Ubc(金属性接地时接地电阻为零的情况)


2.大接地电流系统(又称有效接地系统)

? 大接地电流系统(又称有效接地系统)包括: 

? 中性点直接接地系统,(接地电阻一般在0.5欧姆之内)

? 经低阻抗接地系统(接地电阻一般在10欧姆之内)。通常这类系统有X0/X1≤3,R0/X1≤1。 

? 大接地电流系统的特点是,当发生一相接地故障时,接地电流有较大数值,非故障相的对地稳态电压不超过线电压的80% (1.4Ua)。 


3.电力系统中性点接地方式发展过程

? 中性点接地种类详见下图所示:

图片

电力系统中性点接地方式发展过程 


(1)发展过程 

? 发展初期,电力系统容量小,由于对电气设备耐受频繁过电流冲击的能力估计过高,而对过电流的危害估计不足,因此单相接地时工频过电压电压升高是成为当时的主要问题和矛盾,中性点多采用直接接地方式。 


? 随着电力系统容量的不断扩大,单相接地故障增多,断路器经常跳闸造成频繁停电,供电可靠性差,从而中性点改为不接地方式。 


? 后来电力传输容量再增大,距离延长,电压等级升高,单相接地时,电容电流在故障点形成的电弧不能自行熄灭,间歇电弧产生的弧光过电压(电压达到4倍相电压)导致事故扩大,大大降低了系统运行的可靠性。


(2)解决办法

A.一种是中性点经消弧线圈接地,自动消除了间歇单相接地故障(德国为代表,德国为了避免对通讯线路的干扰和保障持续供电采用了此方式,1917年第一台消弧线圈投入运行); 


B.另一种是中性点直接接地和经低电阻、低电抗接地,继电保护瞬时跳开故障线路(美国为代表,他们认为中性点经消弧线圈接地而存在过电压的风险,且认为单相接地保护难以实现,他们宁愿在供电网架上多投资以保证供电可靠性,也不采用中性点经消弧线圈接地,美国最终采用了中性点直接接地和经低电阻接地方式,并配合快速继电保护和开关 装置,瞬间跳开故障线路)。


这两种具有代表性的解决办法延续到今天,对后来世界上许多国家的电力系统中性点接地方式的发展产生了很大的影响。随着时间的推移,各国之间相互交流运行经验,情况有所改变, 但各国电力系统的主要运行方式却未有根本性的变化。以下是几个国家中压配电网中性点接地的情况现状: 

? 德国、俄罗斯多采用经消弧线圈接地方式,但是在城市电网已开始推广采用经小电阻接地方式。


? 美国大多依然采用中性点直接接地或经小电阻接地,在22~70kV电网中,中性点直接接地方式占70%以上。(2018年数据)。 


? 英国60kV电网中性点采用经小电阻接地方式,而对33kV及以下由架空线路组成的配电网,中性点逐步由中性点直接接地改为消弧线圈接地;电缆组成的配电网,仍采用中性点经小电阻接地方式。 


? 日本东京电力公司60kV配电网采用中性点电阻接地或消弧线圈接地;6.3kV电网采用不接地方式。



3

接地方式的选择


1.各种接地方式的特点

1)大接地电流系统特点:单相接地时故障无论是瞬间还是永久性的,由于电弧不能自动熄灭,故障回路一律跳闸。优缺点: 

? 供电可靠性差(必须增强备用容量的控制切换功能)。

? 瞬间故障电弧通过跳闸完全熄灭(不会出现很高的间歇性电弧过电压,限制到2.8倍相电压以下)。 

? 单相接地电流大易引起设备损坏或火灾。 

? 在中性点及故障点附近会形成危险的跨步电压和接触电压,对人身安全不好。 

? 通信干扰大;

? 继电保护选择性好; 

? 运行管理简单。


2)小电流接地系统特点:单相接地电弧可以自动熄灭,故障回路一般不跳闸,规程规定运行2小时。优缺点: 

? 供电可靠性高 

? 瞬间故障电弧通过谐振补偿减小了,或者完全熄灭了。(不会出现很高的间歇性电弧过电压,限制到2.8倍相电压以下)

? 非故障相设备的绝缘损坏或老化(所以小电流接地系统用在中压系统,以益于满足绝缘老化的要求) 

? 在中性点及故障点附近不会形成危险的跨步电压和接触电压,对人身安全好。 

? 通信干扰小 

? 继电保护选择性差(找故障难,接地选线困难,但通过高质量的小电流接地选线系统与消弧线圈自动调谐系统密切配合可以弥补保护选择性差的不足) 

? 运行管理复杂

? 案例: 

? 美国加州采用低电阻接地系统而瑞典采用消弧线圈接地系统: 

? 低电阻接地与消弧线圈接地方式的死亡率 16:1;烧伤率12:1


2.接地方式的选择

1)选择原则 

? 配电系统的中性点接地方式是一个系统工程的问题,在选定方案时,应当结合系统的现状与发展规划,与时俱进,全面考虑,进行技术经济比较,以期达到更优的技术经济指标,避免因决策失误造成不良后果。例如,某些城市电网由于电缆线路不断增加,有些消弧线圈容量已无法适应,加上电网网架结构日趋完善,电网可靠性不断提高,电网一般配备有多条备用线路,因而宜采用中性点经小电阻接地方式, 配合快速继电保护和开关瞬间跳开故障线路,快速投入备用线路,不影响电网的供电可靠性。而市郊、农村电网及一些厂矿企业电网电容电流较小、网架结构薄弱,更宜采用小电流接地方式。


? 选择不同的接地方式需要考虑的因素有:对供电可靠性、人身安全、设备绝缘水平、继电保护、通信干扰、故障检修工作量等的影响。 


? 北京、上海、广州、珠海、苏州工业园20kV配电网的部分电网采用了中性点经小电阻接地系统。 


2)选择方法 


? 按规范“《GB 50064-2014 交流电气装置的过电压保护和绝缘配合设计规范》第3.1条系统中性点接地方式”有关内容:


(1)低电阻接地的应用场合现代化工厂(如大型的石油石化企业)越来越重视的配电系统的可靠性,一般要求供电负荷达到二级及以上,通常要求具有两路独立电源并互不影响,且每回供电线路具有100%的备用能力,10kV系统很大,电容电流很大,消弧线圈的容量很大甚至很难选择的情况下,同时配置有电源快速切换装置(或电源备自投装置),能 够在100ms之内就可以实现备用电源的自动切换, 在此情况下,完全可以采用中性点低电阻接地,增大单相接地短路电流,提高继电保护动作灵敏度,将故障线路快速切除,并快速切换到备用电源上,使旋转负载或馈出电源不受影响,使运行维护简单,当然要保证对人身安全密切相关的接地电阻值应给予足够的重视,尽量降低发生故障时的接触电压和跨步电压。


近年来有些石油化工企业也开始采用中性点经低电阻接地,如福建炼化项目(800万吨炼 油80万吨乙烯)6kV系统采用低电阻接地系统,单相接地电流600A,接地电阻<5.7欧姆,示意图如下(仅是示意图,而非福建炼化工程系统图):

图片

? 注意1:ATS1的切换速度大于ATS2和ATS3的切换速度。 

? 注意2:工艺条件不允许停机的情况,不能采用低电阻接地的方案,因为有些炼油工艺突然停机后,自动切换到备机后,管道内介质温度及压力等工艺参数无法快速达到工艺运行要求,只有工艺备机也在热备的状态下,电气专业才能采用这种低电阻接地方式,总之,低电阻接地方案的确定一定要经过工艺仪表专业的确认。经工艺、电气进行综合经济技术分析后确定。


(2)经消弧线圈接地(又称谐振接地)的应用场合

? 一般单相接地电容电流大于10A时采用消弧线圈接地,详见《GB 50064-2014 交流电气装置的过电压保护和绝缘配合设计规范》3.1.3条1、2、3条。


 (3)高电阻接地系统 

? 当发电机容量较大时,单相接地要瞬间切机时,采用中性点经高电阻接地方式,一般电阻器经过一个单相变压器接在发电机的中性点上。


(4)中性点不接地系统 

? 10kV配电系统电容电流小于10A时、发电机电容电流小于《GB 50064-2014交流电气装置的过电压保 护和绝缘配合设计规范》表3.1.3发电机单相故障接地故障电容电流最高允许值时,采用中性点不接地系统;大于允许值时,采用中性点经消弧线圈接地。


 (5)中性点直接接地系统,(接地电阻一般在0.5欧姆之内)

? 我国高压电网110kV、220kV,超高压电网330kV、500kV、750kV,特高压电网1000kV及以上,都采用中性点直接接地系统。


(6)中性点非线性电阻接地系统 

? 在《SH/T3208-2020 石油化工电气系统电阻接地设计规范》3.3条,出现了:中性点非线性电阻接地系统的概念。这是一个新的规范,大家也许没有接触,也许已经在工程中使用了非线性电阻。 


1)正常运行时,中性点电压很低,非线性电阻呈高阻状态,流经其中的电流非常小,基本上处于开路状态, 系统相当于不接地。 


2)若系统发生故障,引发高倍过电压时,中性点电压会同时升高,非线性电阻立即响应而导通,将电压限制在设定范围内(一般为相电压水平),系统的过电压也被限制在2倍以下。


“中性点经非线性电阻接地集结了中性 点经电阻接地和中性点不接地两种方式的优点。既能有效地降低过电压水平,又保留单相接地故障时供电不中断。”这是一个新的思路与方法,还需要石油化工界电气同仁对此进行思考与探究、实践、验证,找到一个真正可靠而选线准确率高的系统设计方案。



4

消弧消谐柜接地方式的选择


1.厂家提供的功能 

1)当检测到弧光接地时,故障相的接触器可快速合闸,将弧光接地转化为金属性接地,不仅使故障点的电弧立即熄灭,同时也彻底消除了弧光接地过电压;

 2)具有电压互感器及其切换功能,带小电流接地选线装置及消谐装置。 

3)带母线避雷器。


2.接线图

图片

此种消弧消谐方案,应该在标准及规程规范中得以体现,更好地指导工程技术人员选用。


5

接地保护


1.大接地电流系统接地保护特点单相接地故障电流很大,接地保护直接跳闸, 保护的可靠性、灵敏性、选择性、速动性能够保证,在此不述。(110kV及以上供配电系统) 


2.小接地电流系统接地保护特点(6-35kV供配电系统)单相接地故障电流较小,故障电流主要是电容电流 ,为了提高供电可靠性,多数采用报警不跳闸方式,规程规定可以运行2小时。主要采 用小电流接地选线方式定位故障点。


1)小电流接地选线种类经过大量学者和科研单位的多年研究和发展,现已提出多种选线方法,并推出了一系列微机型自动选线装置,按照信号利用方式的不同,分为主动式和被动式。主动式选线:谐波注入法,其缺陷就是由于需要在每条线路上装设信号电流探测器,造成现场实现的复杂化。而且单相接地故障的接地电阻由于受接地介质和环境电压等诸多因素的影响,数值往往达到千欧级,造成信号电流阻抗角变小,容易产生测量和计算误差,造成误判。


被动式选线:利用故障本身所产生的稳态和暂态量进行故障选线。主要由以下几种方法。 


? 零序电流比幅比相法、零序无功功率方向法:受不平衡电流、接地过渡电阻的影响,选线不准。 


? 零序电流有功分量法:当电缆线路较长、接地过渡电阻值较大时,有功分量就更小,造成选线不准。


? 电流谐波选线法:谐波含量较少(常常很小不足10%)时,选线不准;又由于系统中5次、7次谐波易受过渡电阻和发电机、变压器、负荷及其他非线性特性元件的影响,尤其是在电力电子装置应用较多的环境中,其幅值波动较大, 所以不能保证选线可靠性。 


? 首半波法:由于判据成立时间很短,对信号测量设备的采样精度要求较高,因接地电流的暂态分量会跟随故障初相角的减小而变小,使得该方法的应用受到限制,造成选线不准。


? 小波分析法:小波分析法适用于间歇性电弧故障,对暂态突变信号的提取分析具有优势,且不受接地方式限制,但其无法克服干扰信号带来的误差,必然影响其检测灵敏度和可靠性,最好能与其它选线方法配合使用。


2)网络小电流接地选线国内外电力系统已经在推广应用符合IEC61850标准的智能化变电站技术,国内称之为“数字化变电站”,并且WAMS(广域同步测量系统)也在许多地方试点应用。 


基于全站数据实时共享的数字化变电站概念的扩展和延伸,基于高速光纤通信网络的零序电流保护算法为基础,并借助使用高速大容量FPGA数据处理技术、符合IEEE1588标准的高精度网络同步授时技术,通过交流电量的分散同步采集、数据的集中实时处理,通过数据融合技术,实现真正意义上的“网络型继电保护”,实现单相接地故障的纵向、横向选择性选线,并将故障点定位在故障线路的一个区段内,来解决小电流接地选线准确率不高的问题。


图片

? 系统组成及主要部件

图片

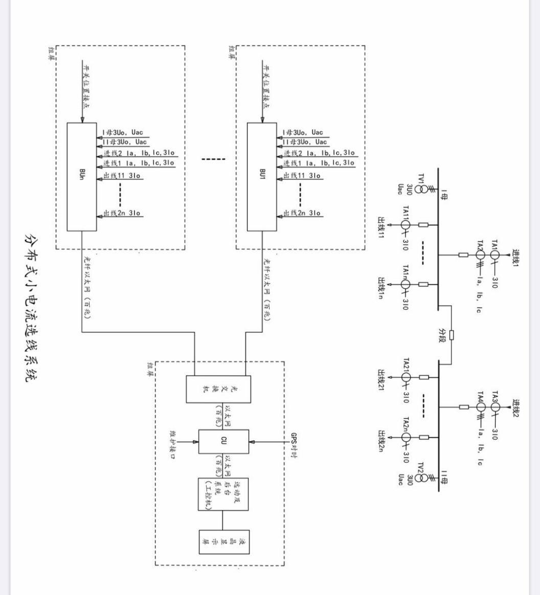
图1 系统框图

BU代表接地选线子站,CU代表信息处理总站。

采用高速光纤网络通讯技术,将BU与CU组成保护网络,通过BU同步采集母线电压、零序电压和每条线路的零序电流,就地实现横向选择性保护,将事件及其故障数据送至CU,再通过大数据、边缘计算等手段进行数据融合做出综合判断。


? 就地处理单元BU 

控制单元采用高性能微处理器和支持高速浮点运算的数字信号处理器DSP构成的多核硬件平台,采用嵌入式实时多任务操作系统,模块化软件程序设计,并配备网络化的人机交互系统。具有设计理念超前、可靠性高、操作简单、维护方便、使用灵活、扩展和兼容性高等特点。


单相接地故障横向选择性保护的算法采用模式识别法、接地瞬间脉冲极性判别法、群体比幅比相法、零序功率方向法等多种算法融合。各种算法的动作整定值应可通过网络任意设定。 


? 中央处理单元CU

通过千兆光纤以太网,汇集BU装置的信息,获取全网的各段母线电压及零序电流,实现运行方式自动识别,以及全网零序电流测量值的冗余判别,防止系统误判。实现灵敏接地检测、选线、选相、选段功能,进而实现全网单相接地故障的定线、定区、定相功能。

这个家伙什么也没有留下。。。

供配电技术

返回版块

97.93 万条内容 · 2214 人订阅

猜你喜欢

阅读下一篇

供配电线路的基本识图方法

1.2.1 了解供配电线路的特征 供配电线路作为一种传输、分配电能的线路,它与一般的电工线路有所区别。通常情况下,供配电线路的连接关系比较简单,线路中电压或电流传输的方向也比较单一,基本上都是按照顺序关系从上到下或从左到右进行传输,且其大部分组成元器件只是简单地实现接通与断开两种状态,没有复杂的变换、控制和信号处理线路。 例如,图1-7所示为一种典型的供配电线路。 图1-7 典型的供配电线路

回帖成功

经验值 +10