一、电气工程施工流程

二、接地、防雷装置要点
1 防雷接地施工质量要求

2 防雷引下线施工要点
避雷引下线暗敷设做法:
利用结构柱内主筋作引下线时,每条引下线不得少于两根主筋,每根主筋直径不能小于Ф16㎜,防雷引下线位置最好对称,引下线间距不应大于25m。
按设计要求找出全部主筋位置,用油漆做好标记,距室外地面0.5m处焊接断接卡子,随钢筋逐层串联焊接至顶层,并焊接出屋面一定长度的引下线Ф12㎜的镀锌圆钢,以备与避雷带连接。
柱内引下线与梁内均压环可靠焊接,采用双面焊接,焊缝双面焊接长度大于6D,下端与建筑物桩基钢筋及基础底梁钢筋的两根主筋焊接。每层各引下点焊接后,隐蔽之前,均应请现场施工员及监理进行隐检,同时应填写隐检记录。
3 防雷焊接要点

4 屋面防雷安装工艺

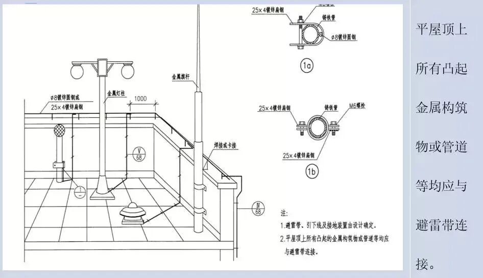
5 避雷带(网)安装工艺

A、屋面避雷带安装时应平直,无急弯,焊接处需做防腐且无遗漏;支架高度100mm,水平直线段支架安装间距1.5m,转弯处0.5m;避雷带在女儿墙上敷设位置要求:墙宽度≤300mm,避雷带置于女儿墙中间;墙宽度>300mm,置于距外边缘150mm处。
B、引下线处刷黄绿相间色,并贴好标示牌;
C、建筑伸缩缝处,应设置补偿装置;补偿器须作上翻弯。
6 接地干线安装工艺

A、接地扁钢表面沿长度方向,每段为15~100mm,分别涂黄色和绿色相间的条纹标色,接地扁钢安装前应调直、调平;
B、接地扁钢距地面高度为250~300mm;
C、接地扁钢与建筑物墙壁间的间隙为10~15mm;
D、金属门框与门分别用裸铜软线与接接地。
三、线槽桥架安装工艺
1线槽桥架支架设置

2 桥架跨接要点

3 电缆桥架内敷设工艺

4 桥架封堵安装工艺

5 特殊位置桥架安装工艺

四、末端安装
1 线缆、电箱安装要点

2 插座、开关安装要点

3 灯具安装要点

五、高低压配电房施工

0人已收藏
0人已打赏
免费1人已点赞
分享
电气资料库
返回版块70.18 万条内容 · 794 人订阅
阅读下一篇
电气故障诊断口诀汇总,太全了!能背下的人都是人才~电气故障现象是多种多样的,例如,同一类故障可能有不同的故障现象,不同类故障可能是同一种故障现象,这种故障现象的同一性和多样性,给查找故障带来了复杂性。但是,故障现象是查找电气故障的基本依据,是查找电气故障的起点,因而要对故障现象仔细观察分析,找出故障现象中最主要的、最典型的方面,搞清故障发生的时间、地点、环境等。 01
回帖成功
经验值 +10
全部回复(0 )
只看楼主 我来说两句抢沙发